烟雾弹:给初学单片机的40个实验 -
[导读]1. 闪烁灯1. 实验任务如图4.1.1 所示:在P1.0 端口上接一个发光二极管L1,使L1 在不停地一亮一灭,一亮一灭的时间间隔为0.2 秒。2. 电路原理图图4.1.13. 系统板上硬件连线把“单片机系统”区域中的P1.0 端
一. 闪烁灯
1. 实验任务
如图4.1.1 所示:在P1.0 端口上接一个发光二极管L1,使L1 在不停地一亮一灭,一亮一灭的时间间隔为0.2 秒。
2. 电路原理图

图4.1.1
3. 系统板上硬件连线
把“单片机系统”区域中的P1.0 端口用导线连接到“八路发光二极管指示模块”区域中的L1 端口上。
4. 程序设计内容
(1). 延时程序的设计方法
作为单片机的指令的执行的时间是很短,数量大微秒级,因此,我们要求的闪烁时间间隔为0.2 秒,相对于微秒来说,相差太大,所以我们在执行某一指令时,插入延时程序,来达到我们的要求,但这样的延时程序是如何设计呢?下面具体介绍其原理:
如图4.1.1 所示的石英晶体为12MHz,因此,1 个机器周期为1微秒
机器周期微秒
MOV R6,#20 2 个机器周期2
D1: MOV R7,#248 2 个机器周期2 2+2×248=498
DJNZ R7,$ 2 个机器周期2×248 498
DJNZ R6,D1 2 个机器周期2×20=40 10002
因此,上面的延时程序时间为10.002ms。
由以上可知,当R6=10、R7=248 时,延时5ms,R6=20、R7=248 时,延时10ms,以此为基本的计时单位。如本实验要求0.2 秒=200ms,10ms×R5=200ms,则R5=20,延时子程序如下:
DELAY: MOV R5,#20
D1: MOV R6,#20
D2: MOV R7,#248
DJNZ R7,$
DJNZ R6,D2
DJNZ R5,D1
RET
(2). 输出控制
如图1 所示,当P1.0 端口输出高电平,即P1.0=1 时,根据发光二极管的单向导电性可知,这时发光二极管L1 熄灭;当P1.0 端口输出低电平,即P1.0=0 时,发光二极管L1 亮;我们可以使用SETB P1.0 指令使P1.0端口输出高电平,使用CLR P1.0 指令使P1.0 端口输出低电平。
5. 程序框图
如图4.1.2 所示

图4.1.2
7. C 语言源程序
#include
sbit L1=P1^0;
void delay02s(void) //延时0.2 秒子程序
{
unsigned char i,j,k;
for(i=20;i>0;i--)
for(j=20;j>0;j--)
for(k=248;k>0;k--);
}
void main(void)
{
while(1)
{
L1=0;
delay02s();
L1=1;
delay02s();
}
}
二. 模拟开关灯
1. 实验任务
如图4.2.1 所示,监视开关K1(接在P3.0 端口上),用发光二极管L1(接在单片机P1.0 端口上)显示开关状态,如果开关合上,L1 亮,开关打开,L1 熄灭。
2. 电路原理图

图4.2.1
3. 系统板上硬件连线
(1). 把“单片机系统”区域中的P1.0 端口用导线连接到“八路发光二极管指示模块”区域中的L1 端口上;
(2). 把“单片机系统”区域中的P3.0 端口用导线连接到“四路拨动开关”区域中的K1 端口上;
4. 程序设计内容
(1). 开关状态的检测过程
单片机对开关状态的检测相对于单片机来说,是从单片机的P3.0 端口输入信号,而输入的信号只有高电平和低电平两种,当拨开开关K1 拨上去,即输入高电平,相当开关断开,当拨动开关K1 拨下去,即输入低电平,相当开关闭合。单片机可以采用JB BIT,REL 或者是JNB BIT,REL 指令来完成对开关状态的检测即
可。
(2). 输出控制
如图3 所示,当P1.0 端口输出高电平,即P1.0=1 时,根据发光二极管的单向
导电性可知,这时发光二极管L1 熄灭;当P1.0 端口输出低电平,即P1.0=0
时,发光二极管L1 亮;我们可以使用SETB P1.0 指令使P1.0 端口输出高电平,
使用CLR P1.0 指令使P1.0 端口输出低电平。
5. 程序框图

7. C 语言源程序
#include
sbit K1=P3^0;
sbit L1=P1^0;
void main(void)
{
while(1)
{
if(K1==0)
{
L1=0; //灯亮
}
else
{
L1=1; //灯灭
}
}
}
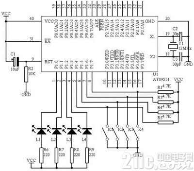
三. 多路开关状态指示
1. 实验任务
如图4.3.1 所示,AT89S51 单片机的P1.0-P1.3 接四个发光二极管L1-L4,P1.4-P1.7 接了四个开关K1-K4,编程将开关的状态反映到发光二极管上。(开关闭合,对应的灯亮,开关断开,对应的灯灭)。
2. 电路原理图

图4.3.1
3. 系统板上硬件连线
(1. 把“单片机系统”区域中的P1.0-P1.3 用导线连接到“八路发光二极管指示模块”区域中的L1-L4 端口上;
(2. 把“单片机系统”区域中的P1.4-P1.7 用导线连接到“四路拨动开关”区域中的K1-K4 端口上;
4. 程序设计内容
(1. 开关状态检测
对于开关状态检测,相对单片机来说,是输入关系,我们可轮流检测每个开关状态,根据每个开关的状态让相应的发光二极管指示,可以采用JB P1.X,REL或JNB P1.X,REL 指令来完成;也可以一次性检测四路开关状态,然后让其指示,可以采用MOV A,P1 指令一次把P1 端口的状态全部读入,然后取高4 位的状态来指示。
(2. 输出控制
根据开关的状态,由发光二极管L1-L4 来指示,我们可以用SETB P1.X 和CLR P1.X 指令来完成,也可以采用MOV P1,#1111XXXXB 方法一次指示。
5. 程序框图
读P1 口数据到ACC 中
ACC 内容右移4 次
ACC 内容与F0H 相或
ACC 内容送入P1 口
<![endif]-->

7. 方法一(C 语言源程序)
#include
unsigned char temp;
void main(void)
{
while(1)
{
temp=P1>>4;
temp=temp | 0xf0; //高位赋1;
P1=temp;
}
}
9. 方法二(C 语言源程序)
#include
void main(void)
{
while(1)
{
if(P1_4==0)
{
P1_0=0;
}
else
{
P1_0=1;
}
if(P1_5==0)
{
P1_1=0;
}
else
{
P1_1=1;
}
if(P1_6==0)
{
P1_2=0;
}
else
{
P1_2=1;
}
if(P1_7==0)
{
P1_3=0;
}
else
{
P1_3=1;
}
}
}
四. 广告灯的左移右移
1. 实验任务
做单一灯的左移右移,硬件电路如图4.4.1 所示,八个发光二极管L1-L8分别接在单片机的P1.0-P1.7 接口上,输出“0”时,发光二极管亮,开始时P1.0→P1.1→P1.2→P1.3→┅→P1.7→P1.6→┅→P1.0 亮,重复循环。
2. 电路原理图

图4.4.1
3. 系统板上硬件连线
把“单片机系统”区域中的P1.0-P1.7 用8 芯排线连接到“八路发光二极管指示模块”区域中的L1-L8 端口上,要求:P1.0 对应着L1,P1.1 对应着L2,……,P1.7 对应着L8。
4. 程序设计内容
我们可以运用输出端口指令MOV P1,A 或MOV P1,#DATA,只要给累加器
值或常数值,然后执行上述的指令,即可达到输出控制的动作。
每次送出的数据是不同,具体的数据如下表1 所示:


表1
5. 程序框图

图4.4.2
7. C 语言源程序
#include
unsigned char i;
unsigned char temp;
unsigned char a,b;
void delay(void)
{
unsigned char m,n,s;
for(m=20;m>0;m--)
for(n=20;n>0;n--)
for(s=248;s>0;s--);
}
void main(void)
{
while(1)
{
temp=0xfe;
P1=temp;
delay();
for(i=1;i<8;i++)
{
a=temp<
b=temp>>(8-i);
P1=a|b;
delay();
}
for(i=1;i<8;i++)
{
a=temp>>i;
b=temp<<(8-i);
P1=a|b;
delay();
}
}
}
更多36个实例请下载:
查看评论 回复
"烟雾弹:给初学单片机的40个实验 -"的相关文章
- 上一篇:单片机编码及译码器工作原理分析 -
- 下一篇:单片机应用编程技巧问答(一) -









