多光谱偏振成像侦察系统设计实现 -
[导读]摘要:介绍了以STC89C52RC为核心的电动变焦、对焦、变光圈以及以PC104为平台的图像处理多光谱偏振成像侦察系统组成及工作原理,给出了系统软硬件设计方法。实验结果表明,数字量化调焦效果良好,为偏振图像在线命令响
摘要:介绍了以STC89C52RC为核心的电动变焦、对焦、变光圈以及以PC104为平台的图像处理多光谱偏振成像侦察系统组成及工作原理,给出了系统软硬件设计方法。实验结果表明,数字量化调焦效果良好,为偏振图像在线命令响应搭建了测试平台。实际应用结果表明,该系统具有使用方便、成本低等优点,具有广阔的应用前景。
关键词:偏振成像;侦察系统;STC89C52;多光谱成像
0 引言
与常规光强度成像探测技术相比,偏振成像侦察技术在识别伪装目标、目标细节特征获取、抑制大气背景噪声和提高目标探测距离等方面具有明显优势。由于受到大气、环境等因素的影响,对恶劣环境下的远距离目标成像中的常规光强度成像方式存在探测距离近、识别伪装效果差、去雾能力弱等不足,难以适应现代战争作战要求,急需研究新的成像侦察技术,以提高恶劣环境下远距离目标的信噪比,加大探测距离,实现对目标的有效侦察。
本文设计的系统主要解决电控变焦、多偏振方向快速准确定位、长焦偏振光学系统设计等关键技术问题,研制多光谱偏振成像侦察系统,应用于远距离目标的侦察。
1 系统组成及工作原理
该系统由微控制器、图像采集、串口通信、图像处理和上位机显示等几部分组成,如图1所示。
本文引用地址: http://www.21ic.com/app/mcu/201208/140137.htm

本设计以单片机为主控芯片,以PC104平台为上位机,完成电子对焦、调焦、变光圈、数据处理、显示、通信等功能。系统的工作流程如下:首先,在系统开机时设定系统的工作方式;然后,通过操作面板上的变焦、对焦和变光圈的控制按钮,输入给单片机,单片机对变焦电路进行控制。同时,通过通信电路发送曝光时间调整命令至PC104,对曝光量进行调整,通过显示模块显示当前相机状态;当偏振图像符合要求时,通过操作面板上的图像处理和保存功能将采集和处理的数据通过存储电路存储到16 GB的FLASH中。
1.1 PC104模块
PC104嵌入式计算机诞生于20世纪80年代末,1992年被正式接纳为IEEE P996.1标准。它在90 mm×96 mm的规格上集成了,PC的大部分功能,一方面继承所有PC资源,另一方面又对普通PC加以改革和重新规划,具有体积小、功耗低、工作温度宽、可靠性高等特点以及系统抗振性强、支持带电拔插、可维护性高、支持后I/O板走线、方便配线、散热性好、电气特性更好等优点,适合嵌入式控制领域,被大量用于车载系统、机载设备、电力控制、医疗仪器、智能交通、通信设备、视频监控、军用电子装备等领域。
1.2 RS 232串口通信标准
RS 232由美国电子工业协会(EIA)制定,是目前应用最广泛的异步串行通信标准总线,已成为数据终端设备与计算机和数据通信设备的接口标准。该标准适用于数据传输速率在0~20 Kb/s范围内的通信,是PC机与通信工业中应用最广泛的一种串行接口。其工作电平规定如下:对于数据信号,电平低于-3 V为“1”;电平高于+3 V为“0”;对于控制信号,电平高于+3 V为“有效信号”,电平低于-3 V为“无效信号”。其串行口的9根针脚功能有其固定的定义。实际应用中,只要用RXD,TXD和GND三条数据线即可。
1.3 STC89C52RC
STC89C52RC是一款低功耗、高性能CMOS工艺8位微控制器,携有8K在系统可编程FLASH存储器。与80C51产品指令和引脚完全兼容。使其能为众多嵌入式控制应用系统提供高灵活、超有效的解决方案。STC89C52RC还含有:256 B RAM、32 b I/O口线、看门狗定时器、2个数据指针、3个16位定时器/计数器、1个6向量2级中断结构、全双工串行口、片内晶振及时钟电路。另外,STC89C52RC可降至0 Hz静态逻辑操作,支持两种软件可选择节电模式。空闲模式下,CPU停止工作,允许RAM、定时器/计数器、串口、中断继续工作。掉电保护模式下,RAM内容被保存,振荡器被冻结,单片机一切工作停止,直到下一个中断或硬件复位为止。
1.4 显示模块
显示接口模块采用与PC104接口兼容的SBS提供的Sharp LCD系列平板显示器。从系统集成的角度考虑,平板显示器具有型薄、重量轻、便携性强,同时,还具有低功耗、使用寿命长等优点。
2 硬件系统设计
2.1 主控电路及复位电路
STC89C52RC具有多种封装形式,该系统为便于集成,采用SMT封装形式。STC89C52RC单片机内资源丰富,为解决该系统的设计提供了多种多样的方案设计。该系统占用STC89C52RC的I/O端口以及P1,P2,P3,P4的部分资源。
STC89C52RC的复位方式有上电自动复位和手工复位两种,本系统采用上电自动复位方式。
2.2 电平转换通信电路
RS 232是用正负电压来表示逻辑状态,与TTL以高低电平表示逻辑状态的规定不同。为了能够同计算机接口或终端的TTL器件连接,必须在RS 232与TTL电路之间进行电平和逻辑关系的变换。考虑到数据的双向传递性,本系统采用MAX232芯片,将TTL电平转换成PC104所能识别的电平,再通过一个标准的3针接口与PC104串口连接。外围电路非常简单,只需要5个0.1μF的电容器。
2.3 变焦电路
系统利用四个继电器提供相机的变焦电压。继电器的输入端为LM317输出,其控制端为单片机的I/O,过编码完成对继电器的组合输出,对相机的电机进行操作,完成电子调焦。
LM317是应用最为广泛的电源集成电路之一,它具有固定式三端稳压电路的最简单形式以及输出电压可调的特点。其主要性能参数如下:输出电压1.25~37 VDC;输出电流5 mA~1.5 A;芯片内部具有过热、过流、短路保护电路。
2.4 键盘电路
键盘电路采用行列式键盘,具有数字和第二功能键功能,主要是通过单片机进行判断和处理。当系统加电时,处于数字键状态,单片机通过键盘扫描程序,锁定键盘,然后通过串口与PC104进行通信,模拟数字键盘。当按下切换按钮时,键盘处于第二功能状态,通过对变焦、对焦和变光圈的按钮选择,按下左右方向键控制单片机的I/O输出来控制变焦电路,同时与数字按钮通信相同,此时可以通过操作上下箭头实现偏振通道的切换以及数据的处理和保存。
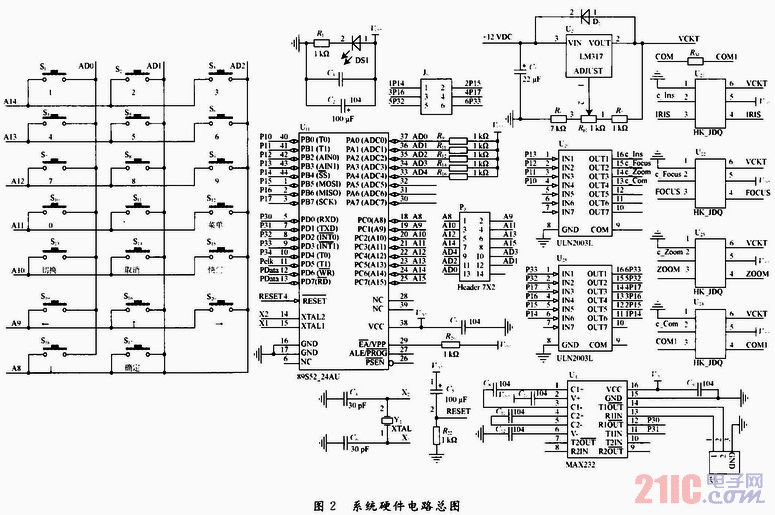
2.5 硬件构成总电路图
系统整体硬件电路包括主控制器电路、通信电路、键盘电路和存储电路这四部分,电路如图2所示。

3 软件系统设计
本系统的软件设计方面包括单片机程序和上位机程序的设计。上位机程序要实现的功能是接收串口指令、偏振图像处理保存、目标识别等。
3.1 单片机程序
单片机程序主要包括主程序、单片机发送接收子程序、键盘扫描子程序等模块,均采用C语言进行模块化编程。单片机程序流程图如图3所示。

3.2 上位机程序
上位机程序采用Visual C++6.0集成开发环境来编程,利用C语言来编程实现,其流程图如图4所示。

系统操作界面及上位机程序如图5所示。实际应用结果表明,该检测仪具有使用方便、成本低等优点。
4 结语
本系统以微控制器为核心、以PC104为平台,实现了电动变焦、对焦、变光圈和图像处理的功能,搭建了多光谱偏振成像侦察系统,包括:整体架构设计、下位机底层硬件和软件的具体实现、上位机软件设计,较好地达到了预期目的。
查看评论 回复









