用89C51单片机控制红外线通信接口电路设计 -
[导读] 在通信系统中,常利用非电信号来传递控制信号和数据,以实现遥控或遥测的功能红外通信,具有控制简单、实施方便,传输可靠性高的特点,是一种较为常用的通信方式。红外通信利用950 nm近红外波段的红外线作为传递信息
在通信系统中,常利用非电信号来传递控制信号和数据,以实现遥控或遥测的功能红外通信,具有控制简单、实施方便,传输可靠性高的特点,是一种较为常用的通信方式。红外通信利用950 nm近红外波段的红外线作为传递信息的媒体,发送端采用脉时调制方式,将二进制数字信号调制成某一频率的脉冲序列,并驱动红外发射管以光脉冲的形式发送,接收端将收到的光脉冲转换成电信号。再经过放大、滤波处理后送给解调电路,还原为二进制数字信号后输出。
本文引用地址: http://www.21ic.com/app/mcu/200906/43971.htm
1 系统的总体构成
红外通信系统采用红外光传输及无限工作机制,其组成结构主要包括:红外发射器,通信信道,红外接收器三大部分组成。
(1)完成信号的电光变换并向空间发射红外脉冲
红外发射器的关键是红外发光二极管和响应的驱动电路。红外发光耳机光首先要满足其调制带宽大于信号的频谱宽度,保证通信线路畅通。此外发光二极管的发射波长应与接收端的光电探测器(选用硅光二极管)的峰值响应相匹配,最大程度地抑制背景杂散光干扰,现阶段一般选用780nm~950 nm的红外波段进行数字信号传输。由于红外无线通信系统的信噪比与发射功率的平方成正比,所以适当提高红外发射器的发射功率,并采用空间分集、全息漫射片等可使发射端的光功率在空间均匀分布的措施来降低误码率,提高通信质量。其原理图如图1所示。

(2)红外接收器
红外接收器包括红外接收部分以及后续的信号采滤波、判决、量化、均衡和解码等其原理框图如图2所示。

红外接收端的工作过程,首先进行光电转换,将红外脉冲信号变为电信号,经过适当的频域均衡后进行码元判决,码元判决电路是接收器设计的核心部分。由于信号采用红外无线进行穿社,其电平变化范围较大,所以码元判决电路必须是自适应的。接收的信号经自适应码元判决后变成数字信号,再进行适当的解码转换为差分信号进入计算机网卡的信号输入端。
(3)通信信道
红外无线数字通信的信道泛指发射器与接收器之间的空间。由于自然光及人工光源等背景光信号的介入,信号源以及发射、接收设备中电学或光学噪声的影响,红外无线数字通信在某些场合的通信质量较差,需要采用信道编码技术来提高抗干扰能力。
在红外线通信系统中,由于红外发射器的发射功率较小,而且信号采用红外线进行传输,易受外界环境的影响,这些因素导致了红外接收器的信号很弱,并且电平变化范围较大。因此,低噪声的前置放大器设计和自适应的码元判决电路是必须的。低噪声的前置放大器一般选用输入阻抗较高的场效应管放大器,并要求带宽大,增益高,噪声低,干扰小,频率响应与信道脉冲响应匹配。自适应的码元判决电路能自动跟踪输入信号电平的变化,得到最佳的阈值电平,并根据此阈值电平对信号进行判决,将其变换为数字电平之后进行解码,恢复原始信号。同时,为了滤去低频噪声及人为干扰采用带通滤波器,为了与调制特性匹配并消除码间干扰常采用均衡技术,为了获得较大的光接收器工作范围及瞬时视场采用球形光学透镜。这些措施都是将有利于红外无线通信质量的提高。
2 红外串行通信接口电路设计
单片机控制的红外通信系统主要有红外发射器,红外接收器,以及单片机89C51三部分组成,单片机本身并不具备红外通信接口,可以利用单片机的串行接口与片红外发射和接收电路,组成一个单片机控制系统的红外串行通信接口。
2.1 发射部分设计
红外发送电路包括脉冲振荡器、三极管和红外发射管等部分。其中脉冲振荡器有NE555定时器、电阻和电容组成,用于产生38 kHz的脉冲序列作为载波信号,红外发射管HG选用Vishay公司生产的TSAL6238,用来向外发射950 nm的红外光束。其发送的过程为:串行数据有单片机的串行输出端TXD送出并驱动三极管,数位“O”使三极管导通.通过有NE555构成的多谐振荡电路调制成38 kHz的载波信号,并利用红外发射管以光脉冲的形式向外发送。数位“l”使三极管截止,红外发射管不发射红外光。NE555构成的多谐振荡电路的振荡周期公式为T=O.693(R1+R2)C,其中,R1为充电电阻,R2为放电电阻,C为充电电容。
2.2 红外接收器的设计
红外接收电路选用Vishay公司生产的专用红外接收模块TSOP1738。该模块是一个三端元件,使用单电源+5V供电,具有功耗低、抗干扰能力强、输入灵敏度高、对其他波长(950 nm以外)的红外光不敏感的特点,其内部结构框图如图3所示。

TSOPl738的工作过程为:首先,通过红外光敏元件将接收到的载波频率为38 kHz的脉冲红外光信号转换为电信号,再由前置放大器和自动增益控制电路进行放大处理。然后,通过带通滤波器进行滤波,滤波后的信号由解调电路进行解调。最后,由输出级电路进行反向放大输出。
2.3 数码显示部分
在系统中,选用一个双七段数码管来显示发送和接收的数据。数码管采用DPY双位七段共阳数码管。高位的共阳极是lO脚,低位的共阳极是5脚。由单片机的P O口控制数码管的阴极,P2.6,P2.7口分别控制数码管的高位和低位,当P2口输出数位“0”时,相应的三极管导通。根据PO口输出不同数位,数码管显示不同的数字,当P2口输出数位“l”时,三极管截止,数码管不显示。
2.4 发光二极管显示部分设计
有8个发光二极管与单片机的P1口相连,二极管的正极与电源正极相连,负极串联一个电阻与Pl口相连,给Pl口送低电平就得到不同的显示状态。
2.5 按键部分设计
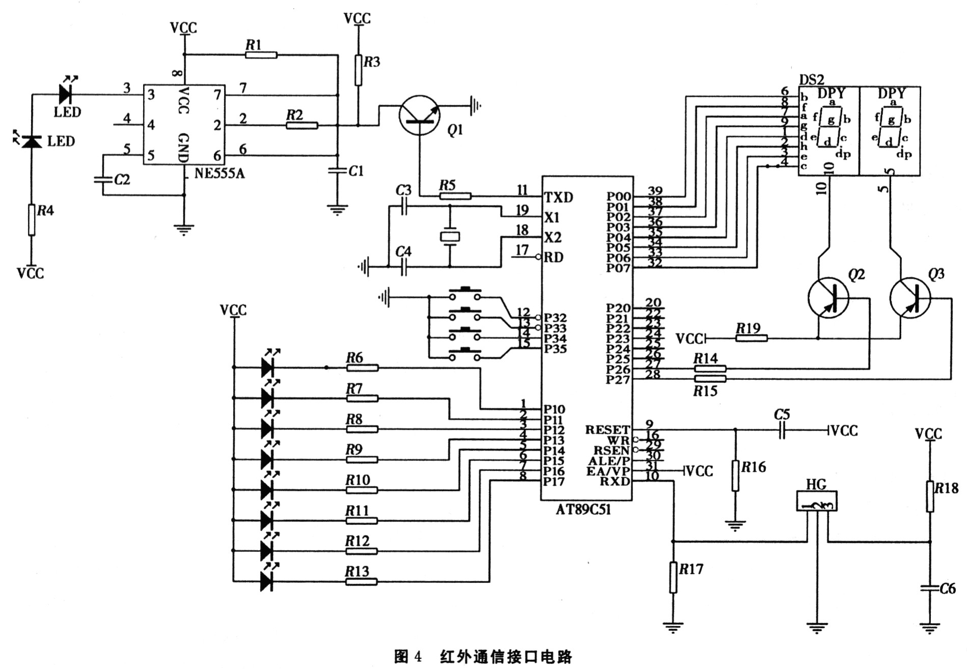
有四个按键与单片机的P3口相连,按键的一边接地,另外一边与单片机的P3.2、P3.4、P3.5口相连。单片机控制的红外通信接口电路的整体图如图4所示。
其工作过程:单片机通过TXD发出串行数据,通过由NE555构成的多谐震荡电路产生38 kHz脉冲序列作为载波信号,通过红外发射管将信号以950 nm的红外光束发出,红外接收模块TOSPl738将接收到的光脉冲转换成电信号,再经过发大、滤波等处理后送给解调电路进行解调,还原为二进制数字信号后输出到单片机的RXD口。单片机对接收到的数据进行处理,将相应的数据显示在数码管上。这样,一个单片机控制的红外通信系统就实现了通信。
为了保证红外接收模块TSOPl738接收的准确性,要求发送端载波信号的频率应尽可能接近38 kHz,因此在设计脉冲震荡器时,要选用精密元件并保证电源电压稳定。还有,发送的数位“O”至少要对应14个载波脉冲,这就要求传输的波特率不能超过2 400 bps。
3 单片机控制的红外通信的主程序
;P3.2为开始键.也为功能选择键,P3.5为功能确认键


4 结束语
单片机控制的红外通信系统具有硬件电路简单、成本低廉、编程方便、通信可靠性高等优点,实现了通信双方非接触的数据,在遥控、遥测等应用场合得到广泛应用。
查看评论 回复









