电机节能控制器的设计 -
[导读]三相异步电机是广泛使用的一种动力机械,每年的耗电量占我国总耗电量的50%以上。在满负荷工况条件下,电机的效率一般较高,通常在80%左右;然而,一旦负荷下降,电机的效率便随之显著下降。因为电机选型时是按最大可
三相异步电机是广泛使用的一种动力机械,每年的耗电量占我国总耗电量的50%以上。在满负荷工况条件下,电机的效率一般较高,通常在80%左右;然而,一旦负荷下降,电机的效率便随之显著下降。因为电机选型时是按最大可能负荷和最坏工况所需的功率而定的,多数电机在大部分运行时间的负荷率都在50%~60%,所以实际运行时的效率都是比较低的。因此,提高这部分电机的运行效率,有着巨大经济效益和社会效益。
本文引用地址: http://www.21ic.com/app/mcu/200903/38918.htm
1 节能原理
电机的效率是电机输出功率与输入功率的比值的百分数。因此供电机的电能即输入功率并不仅用来驱动电机即输出功率,还有一部分将成为电机固有的损耗。电机的主要损耗为铜耗和铁损,其中铜耗是由于电流流过电机绕组而产生,与电流的平方成正比;铁损是由于定子和转子铁芯中的磁化电流而产生,与供电电压成正比。其它损耗很小,可忽略。
调压节电原理是当负荷下降时,可以适当降低电源电压以减少铁损,同时电流随之下降也减少了铜损及无谓的浪费,此时电机的效率将得到改善。电机负荷的检测通常采用功率因数法进行:电机负荷大,则它的功率因数大;电机负荷小,则它的功率因数小。
2 技术难点及解决
①功率因数角的检测。通常情况下电流波形是完整的,通过检测电压和电流的过零点获得的相位差即是功率因数角。但本控制器由于采用了可控硅交流调压,当导通角较小时,电流波形出现断续。电流继续使电流过零检测失效。为此,我们采取电流与微电平比较来获取其正半周连续波形的部分,进而取得近似的相位差。
②电压和电流有效值的检测。一般按有效值的定义进行检测的电路需要用到模拟乘法器,因而电路比较复杂,成本也高。由于有效值和绝对平均值之间存在一定的对应关系,并且此处对检测精度要求不高,故我们先检测绝对平均值,再转化为有效值。
③强干扰下的系统加固。本节电器工作在工厂的恶劣环境下,强电磁干扰会严重影响微机系统的正常工作,为此我们采取了多种保护措施:将数字电路部分单独安装在金属机壳中,以屏蔽空间电磁干扰;选用优质开关电源和传感器,以减少从线路串入的干扰;在微机外围电路中广泛采用串行接口芯片,以简化电路板布线;采用广泛使用的WDT电路,提高软件抗干扰能力。
④可控硅的移相触发电路。在三相交流调压电路中,一个很重要的指标是三相平衡问题。以前的三相交流调压常采用3个单相移相触发芯片设计(如TA785),要细心调试才能达到三相平衡。我们采用最新推出的三相移相触发芯片AT787,简化了电路设计,使该电路免于繁杂的调试;同时还采用了可控硅的强触发技术,使其触发得更准确。
3 硬件设计
本控制器主要由3部分组成:可控硅及移相触发电路部分,接收控制板的控制信号,实施交流电压的调节;信号检测板部分,接收传感器的信号并进行处理,得到标准电压和电流的有效值及功率因数有送控制板;单片机控制板部分,接收信号检测板的信号,通过控制运算发出控制信号到移相触发电路,实施最佳功率因数控制,同时控制板还通过键盘显示面板对控制器参数进行修改,并显示控制器运行状态。
可控硅及移触发电路部分TC787芯片的基本连接如图1所示。

从同步变压器来的三相过零信号经C1、C2、C3电容耦合到6V的直流信号上送入18、2、1脚。TC787对其进行过零检测,经积分电容C4、C5、C6形成以过零点为起点的三角波,与由VR引入的触发控制信号比较,再经C7调制成触发脉冲,由12、9、10、7、8、11脚输出,由脉冲变压器驱动可控硅。
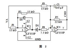
信号检测板部分标准电压和电流的有效值转换电路如图2所示。

此电路基于基本的绝对值电路,增加了滤波电容C1,将交流信号的绝对值变为平均值;合理设计R5的阻值,将平均值变为有效值。
相位检测电路如图3所示。
电压信号VA和电流信号IA经与微电平信号REF比较,取得电压和电流信号的正半周;经RC滤波后由信号“或”电路,形成含有功率因数角的信号;由单片机去除其中的电压半周期,即得功率因数角。

单片机控制板部分基本电路如图4所示。
TLC0834是4路8位A/D转换器,采集1路电压和3路电流信号;TLC5615是10位串行D/A,将控制量变为模拟电压信号,去控制可控硅交流调压;X25045是含WDT和EEPROM的多功能电路,负责单片机系统的安全监视和重要参数的保护;SN75176是RS485接口,实现连网监控。
4 软件设计
单片机软件采用C51语言编程,C51与汇编语言相比,有编程效率高、代码易维护等优点。程序主要由键盘与显示监控部分、串行接口芯片驱动部分和信号采集与实时控制部分组成。
串行接口芯片驱动部分,主要是根据芯片厂商时序图,以单片机的I/O口模拟串行口,以实现对串行芯片的读写操作。本课题由于单片机I/O较多,各个芯片采用单独的I/O信号。
信号采集与实时控制部分,以实时时钟为基准,采集电压电流信号对系统的安全进行监视。采集功率因数信号与最优值比较,以PI控制算法进行运算,适时发出控制指令,对电动机进行调压,使其运行于高效率状态。
5 系统调试
在系统调试过程中,我们发现并处理了如下几个问题。
①电动机可控硅交流调压的稳定性问题。由于电动机是大电感性负载,在按外三角接法时最好采用半控形式。其中的数据管发挥了吸收谐波的作用。要使用全控形式,最好采用内三角形式。该接法中各个绕组单独供电,绕组之间不会产生相互干扰。
②三相调压移相触发板的器件选择问题。3个积分电容的值必须相互一致,误差在1%以内,调制电容C7的值不能太大,耦合电容C1、C2、C3亦不能太大,不然会使电路不能长期运行,或出现三相的不平衡。
③节电控制器的最佳功率因数设定问题。最佳值一般在0.85附近,风机可以设定在0.9附近,针对不同电机而稍有不同。如果超出了此范围,则属不正常现象。因为电动机从理论上有一个在75%~80%负载率附近的最高效率点,若电动机老化而无此特性,则节能不能成立。应用中必须注意此原则。
6 结论
本电机节能控制器除了具有功率因数控制节能功能外,还实现了软启动、断相保护、过流保护、过热保护等功能。经用户测试表明,该电机节能控制器设计合理、运行可靠、节能效果明显。
查看评论 回复
"电机节能控制器的设计 -"的相关文章
- 上一篇:恒温培养箱智能温控器的研制 -
- 下一篇:基于F2812的监测系统的设计 -









