基于单片机的数据采集与无线收发系统的研究 -
[导读]摘要:数据采集技术和无线收发系统是信息科学的重要分支,它在很多方面都有重要应用。基于此选用STC89C52RC芯片与ADC0809搭建采集系统,使用无线传输在数据采集后进行处理;通过对硬件电路设计及软件编程达到信息传递
摘要:数据采集技术和无线收发系统是信息科学的重要分支,它在很多方面都有重要应用。基于此选用STC89C52RC芯片与ADC0809搭建采集系统,使用无线传输在数据采集后进行处理;通过对硬件电路设计及软件编程达到信息传递的目的。该电路简单,性能稳定,测量精度和灵敏度高,成本较低,适合实际应用。
关键词:STC89C52RC芯片;ADC0809;数据采集;无线收发系统
0 引言
数据采集技术是信息科学的重要分支,它不仅应用在智能仪器方面,而且还在现代工业生产中、军事科学方面得到了广泛应用,无论是过程控制、状态监测,还是故障诊断、质量检测,都离不开数据采集系统。因为单片机功能强大、抗干扰能力强、可靠性高、灵活性好、开发容易等优点,使得基于单片机为核心的数据采集系统在许多领域得到了广泛的应用。
基于单片机的数据采集系统通常采用的是两种方法来实现数据采集:一种是将数据采集部分做成板卡插入微机扩展槽来实现数据采集,即A/D转换器件直接与微机总线接口连接。这种基于微机的系统集成数据采集系统的方式,可以缩短研制周期,从而加快工作进度,但是硬件的配置缺少灵活性,不便于携带和随时随地进行使用。另外一种方法是将数据采集部分做成独立的系统,有自己的微处理器,微机通过串口与数据采集装置通讯,从而实现数据采集。
无线传输在数据采集后的处理中表现出了很大的灵活性,省去了错综复杂的线路,可轻易地实现多人实时共享,因此我们必须把测试后的连续数据发射出去以便让更多的人利用。测试数据的发射就是要设计一个能针对由各种传感器采集来的信息进行无线发射的电路系统,这样可以更好地利用数据并对数据进行全面的共享等。
无线收发系统采用无线电技术。利用导体中电流强弱的改变会产生无线电波这一现象,通过调制可将信息加载于无线电波之上。当电波通过空问传播到达收信端,电波引起的电磁场变化又会在导体中产生电流。通过解调将信息从电流变化中提取出来,就达到了信息传递的目的。
1 方案设计
1.1 系统工作原理
本系统选用STC89C52RC芯片与ADC0809搭建采集系统,具有体积小,便于携带,功耗低等特点,而且价格低,配置灵活,开发成本较低。
如图1所示,整个数据采集系统以单片机为控制核心器件,由ADC0809数模转换器对输入的被测物理量进行数据采集,将采集的数据转换后送单片机处理,然后再将处理过后的数据通过nRF905进行无线传输,这一过程均通过C语言编程控制。实际上,这一系统就是以模数转换器ADC为核心的信息采样系统。
本文引用地址: http://www.21ic.com/app/mcu/201202/106789.htm

数据采集系统必须具有一个通信接口与微机进行数据的传输,微机与数据采集系统的通信可以通过电缆进行数据传输,选用无线射频芯片nRF905完成无线通信电路,nRF905片内集成了电源管理、晶体振荡器、低噪声放大器、频率合成器、功率放大器等模块,曼彻斯特编码/解码由片内硬件完成,无需用户对数据进行曼彻斯特编码,因此使用非常方便。
2 硬件电路设计
2.1 芯片介绍
STC89C52RC单片机是以8051为基核开发出的CMOS工艺单片机产品,这一类单片机产品统称为80C51系列。
ADC0809是CMOS单片型逐次逼近式A/D转换器。
nRF905是挪威Nordic公司推出的单片射频发射器芯片,工作电压为1.9~3.6 V,32引脚QFN封装(5mm×5mm),工作于433/868/915MHz 3个ISM频道(可以免费使用)。nRF905可以自动完成处理字头和CRC(循环冗余码校验)的工作,可由片内硬件自动完成曼彻斯特编码/解码,使用SPI接口与微控制器通信,配置非常方便,其功耗非常低,以-10 dBm的输出功率发射时电流只有11 mA,在接收模式时电流为12.5mA。nRF 905单片无线收发器工作由一个完全集成的频率调制器,一个带解调器的接收器,一个功率放大器,一个晶体震荡器和一个调节器组成。Sho ckBurst工作模式的特点是自动产生前导码和CRC,可以很容易通过SPI接口进行编程配置。
其工作模式:nRF905采用Nordic公司的VLSI ShockBurst技术。ShockBurst技术使nRF905能够提供高速的数据传输,而不需要昂贵的高速MCU来进行数据处理/时钟覆盖。通过将与RF协议有关的高速信号处理放到芯片内,nRF905提供给应用的微控制器一个SPI接口,速率由微控制器自己设定的接口速度决定。nRF905通过ShockBurst工作模式在RF以最大速率进行连接时降低数字应用部分的速度来降低在应用中的平均电流消耗。在ShockBurst RX模式中,地址匹配AM和数据准备就绪DR信号通知MCU一个有效的地址和数据包已经各自接收完成。在hockBurstTX模式中,nRF905自动产生前导码和CRC校验码,数据准备就绪DR信号通知MCU数据传输已经完成。总之,这意味着降低MCU的存储器需求也就是说降低MCU成本,又同时缩短软件开发时间。
2.2 硬件电路
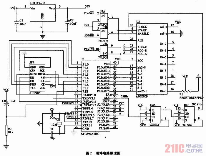
通过前面对各个芯片的介绍,我们已经知道了各个芯片基本工作模式下的外围电路设计原理,还知道了STC89C52RC单片机的时钟电路和复位电路的基本要求以及ADC0809转换芯片的工作频率等,由此可设计出本系统的硬件电路原理图。如图2所示。

其中,电源电路设计用的是PC机上USB口输出电源,作为STC89C52RC和ADC0809的输入电源;利用LD1117-3.3将5V转3.3V作为nRF905芯片的输入电源。
3 软件编程设计
3.1 采集部分
由ADC0809工作时序图可知当START和ALE引脚为高,EOC引脚为低时启动采集转换,当EOC为高时转换结束,OE置高,STC89C52RC单片机开始读转换完成的数据,再控制nRF905引脚TRX_EN和TX_EN为高进行数据发送。

ShockBurst TM工作模式保证,一旦发送数据的过程开始,无论TRX_EN和TX_EN引脚是高或低,发送过程都会被处理完。只有在前一个数据包被发送完毕,nRF905才能接受下一个发送数据包。
3.2 接收部分
数据发送过程中,单片机STC89C52RC使nRF905接收模块TRX_CE引脚为高,TX_EN引脚为低,650μs后nRF905不断监测,当检测到同一频段载波时载波检测引脚(CD)被置高,当接收到相匹配的地址,AM引脚被置高,当数据接收完成后DR引脚被置高,单片机STC89C52RC将TRX_CE置低,nRF905进入空闲模式,STC89C52RC通过SPI口将数据移到单片机STC89C52RC内,当所有数据接收完成,单片机将DR和AM引脚置低。

当正在接收—个数据包时,TRX_CE或TX_EN引脚的状态发生改变,nRF905立即把其工作模式改变,数据包则丢失。当微处理器接到地址匹配引脚的信号之后,其就知道nRF905正在接收数据包,其可以决定是让nRF905继续接收该数据包还是进入另一个工作模式。
根据以上分析进行编程就完成了数据的采集与无线收发。
4 总结
本论文研究设计了数据采集与无线收发系统电路。电路结构主要由两大部分构成:第一部分为数据采集部分;第二部分为无线收发部分。该电路简单,性能稳定,抗干扰能力强,可靠性高,测量精度和灵敏度高。
查看评论 回复









