基于GP32单片机的家用智能盒设计 -
[导读]1 智能盒的主要功能智能盒的主要功能有〔2,3〕:(1)多表计数与抄收功能:水、电、气等表输出的脉冲数字信号接入智能盒,智能盒中的单片机实现实时累计多表数据并将多表数据通过网络接口传送至物业管理中心的物业管
1 智能盒的主要功能
本文引用地址: http://www.21ic.com/app/mcu/201211/150611.htm
智能盒的主要功能有〔2,3〕:
(1)多表计数与抄收功能:水、电、气等表输出的脉冲数字信号接入智能盒,智能盒中的单片机实现实时累计多表数据并将多表数据通过网络接口传送至物业管理中心的物业管理系统主机;在智能盒掉电时能及时将多表数据保存在其内部的E2PROM中。
(2)多表防拆与故障检测功能:当多表被有意破坏,或发生故障时,智能盒将故障信息告知物业管理系统主机。
(3)多表切断功能:当用户没有按时交纳多表费用时,智能盒接收物业管理系统主机发来的交费通知、金额与期限,过期仍不交纳相应费用,则切断对应的开关阀。
(4)工作状态设定功能:用户根据需要设定布防工作状态和撤防工作状态。布防工作状态是住宅内没有人时的工作状态,当住宅内最后一个人离开时,按“布防”键,并输入相应的密码,延时一段时间后,智能盒进入布防工作状态。撤防工作状态是住宅内有人的工作状态,当第一个人进入住宅时,在规定的时间内,按“撤防”键并输入相应密码就可以撤防。
(5)紧急求助功能:住宅内的人员需要外援时,可按“求助”按钮,当紧急求助按钮按下时,智能盒将求助信号发至物业管理系统主机。手动复位可清除紧急求助信号。
(6)报警功能:报警信号有即时报警和延时报警两种,即时报警是全天候监控防区,一有警情,立即报警,警情消失,报警信号取消,没有记忆功能,如烟感、煤气泄漏等传感器信号设置为即时报警;延时报警是当警情发生时并不立即报警,而是延时一段时间,再根据用户设定的工作状态进行相应处理,此类报警具备记忆功能,如门磁、红外探测器等传感器信号设置为延时报警。

(7)手动复位功能:手动复位信号有效时,可清除非法入侵报警信号。
2 智能盒的硬件设计〔4,5〕
下面通过智能盒的硬件结构框图、在线编程电路、部分GP32外围电路等各方面内容来介绍其硬件设计。
2.1 结构框图
家用智能盒的硬件结构框图如图1所示,它包含了微机系统的前向通道,后向通道,人机通道和相互通道。它的核心部件是68HC908GP32单片机。
GP32是Motorola公司HC08系列8位单片机,内部含有32K Flash程序存储器,设计完成的智能盒程序存储在此Flash中,可以在线编写和修改程序,同时内部设有程序安全码,安全码不符合时无法进行程序的读取与修改,保证了程序的安全性;内部还含有8通道8位A/D转换器,512字节的RAM,一个SPI接口,一个SCI接口,四路输入捕捉接口,33位通用I/O口等。
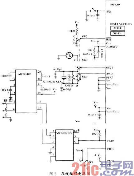
2.2 在线编程电路
编写单片机的应用程序经常需要几次反复,而且在试用阶段,乙方也常会提出一些新的要求,使设计更加合理,使用更加方便,因此修改应用程序是开发人员经常会碰到的问题,GP32单片机在FF20H至FF52H的地址范围内提供了307个字节的监控ROM,使得GP32能够进行在线编程,容易实现程序修改。图2是GP32单片机在线编程的一种线路图,通过此线路能够实现PC机利用标准RS-232接口对GP32编程,GP32的一个口线PA0接收信息,波特率是9600波特,SW1用于选择内部总线时钟,联动开关SW2、SW3、SW4用于选择使用的时钟源。
2.3 GP32外围电路设计
2.3.1 网络接口〔6,7〕
智能盒是一个网络节点,网络接口完成了智能盒的网络节点功能,小区网络采用LONWORKS总线结构。网络接口采用超大规模Neuron芯片3150,它的内部含有3个CPU,分别为介质访问CPU、网络控制CPU以及应用CPU,512字节的E2PROM,2048字节的RAM,2个16位定时/计数器,11条可编程I/O引脚,内部不含有ROM,但可扩展64K程序存储器,为修改程序方便,扩展了Flash存储器,其中42K用于存放程序,其它用于存放LonTalk通信协议,通信协议由开发工具携带。GP32单片机通过SPI接口与3150芯片相连。

2.3.2 开关量输入通道
智能盒中设有8路开关量输入通道,这些开关量信号用于紧急求助、手动复位、传感器防拆和消防等,所有开关量输入信号均经过光电隔离,进入GP32的输入线。
2.3.3 数字量输入通道
智能盒中设有4路数字量输入通道,这些数字脉冲信号来自于水、电、气表等的脉冲输出,脉冲输入信号经光电隔离,进入GP32的TIM部件,TIM部件在此作输入捕捉用,设置成边沿触发方式,利用中断方式累计多表用数,每个脉冲当量的设置、脉冲数当量转换等由程序完成。
2.3.4 模拟量输入通道
智能盒中设有8路模拟量输入通道,直接使用单片机内的8路8位A/D转换器。需要检测的模拟量信号有入侵报警信号,消防报警信号等。入侵报警的模拟量输入信号定义为:电压在2V至3V之间属正常情况,小于2V或大于3V均属报警信号;消防报警的模拟量输入信号定义电压是:在2V以下属正常,输入电压在3V以上属报警信号。
2.3.5 开关量输出通道
智能盒中设有7路开关量输出通道。GP32的输出线经TPIC6B595芯片驱动,控制+24V的直流继电器,4路继电器输出用于切断多表控制,其余的用于报警输出、接通监听器以及备用。
2.3.6 数据的显示与存储
一般情况下,多表数据以及智能盒的工作状态随时送至物业管理系统主机,但为了满足智能盒在断电情况下,仍能保存多表数据、智能盒工作方式以及用户输入的密码,GP32扩展了一片X2504E2PROM芯片。X2504芯片采用串行接口,同时内带Watchdog电路,程序运行故障时可以产生复位信号。智能盒的显示方式采用LCD显示,LCD显示尺寸选用128×256点阵,采用菜单查询与翻面相结合,需要显示的数据和信息均可以在LCD上得到反映。
3 软件设计
智能盒的软件设计包括GP32内的程序设计和Neuron芯片3150内的程序设计两部分。
3.1 GP32单片机的软件设计〔4,5〕
智能盒的各种操作均由GP32单片机内的程序控制,程序采用MC68HC08汇编语言编写,调试完毕的程序存入单片机内的Flash中,程序设计采用模块化方法,模块构成如图3所示。
3.2 Neuron芯片的软件设计〔8〕
Neuron芯片3150中的应用程序使用Neuron C编程,调试完毕后的程序固化在扩展的Flash程序存储器中,主要负责节点的网络管理。
4 结束语
本文介绍的家用智能盒具有很好的实际推广应用价值。目前已研制、调试完成,并完成了各种功能、可靠性、规范等试验,已投入小区进入实际使用阶段。
查看评论 回复
"基于GP32单片机的家用智能盒设计 -"的相关文章
- 上一篇:51单片机在玻璃管加热控制系统中的应用 -
- 下一篇:PIC8位单片机的基本组成 -









