基于单片机的低功耗甲烷检测系统设计方案 -
[导读]1引言 气体检测系统表是工矿企业、社会公用事业、环境保护等领域必备的安全装备。经过几十年的发展,在可测气体种类、测量范围、精度、稳定性、寿命等主要技术指标方面均有明显提高,随着大规模集成电路技术的发
1引言
本文引用地址: http://www.21ic.com/app/mcu/200911/50206.htm
气体检测系统表是工矿企业、社会公用事业、环境保护等领域必备的安全装备。经过几十年的发展,在可测气体种类、测量范围、精度、稳定性、寿命等主要技术指标方面均有明显提高,随着大规模集成电路技术的发展,仪表向微型化、多参数组合与智能化方向发展。新型甲烷气体检测系统应具有智能化的特点,能在一定其他气体干扰的情况下工作,可以采用电子鼻。系统的结构,通过模式识别方法辨识甲烷气体。以小型化的电子鼻系统为基础的甲烷气体检测系统,在设计上应考虑减小系统的体积、简化气体的进样装置和改进电路以满足低功耗要求等问题;另外便携式检测系统的操作者通常情况下是现场人员,属于非专业人员,系统的操作不能复杂,因此对于系统的人机交互功能在设计上也应得到重视。
传统的基于金属氧化物气体传感器存在气体选择性不高、抗干扰性差的问题,采用单个传感器的检测系统在检测中如果有其它气体干扰,容易出现相似的响应而出现误判。本文所讨论基于单片机的高灵敏度甲烷检测系统是以微结构金属氧化物气体传感器阵列为敏感元件,结合模式识别技术进行甲烷气体检测的便携式系统。整个系统由四单元传感器阵列器件、气体进样装置及高速单片机为核心的信号处理电路组成,具有体积小、准确度高、抗干扰能力强等优良性能。本文要介绍该检测系统的工作原理和设计,着重于低功耗电路的设计。
2 检测系统基本结构
由细导管、微型抽气泵和小气室组成的气体进样部分,以单片机为核心的控制、信号采集处理电路以及显示、键盘、PC接口电路,还有在PC机上运行的用于人工神经网络训练的应用软件,如图1所示。检测系统进行气体检测的工作步骤是,单片机控制抽气泵将待检测的气体抽入气室,同时采集气体传感器阵列的响应信号,并进行转换,储存在数据存储器中,然后单片机从保存的数据中提取特征值,由识别网络进行气体识别,并将结果输出到LCD显示屏幕上。针对便携式系统的特点,检测系统设计了具有较小的体积、较低功耗的处理电路。

图1 甲烷检测系统的组成原理图
低功耗传感器阵列的制备技术: 采用由MEMS工艺制造的微结构金属氧化物气体传感器阵列作为检测系统的气体敏感元件。微结构金属氧化物气体传感器阵列的特点在引言中有讨论。选用的阵列器件体积小,器件面积3 X 3 mm2,在同一膜片中集成了2X2个传感器单元,每个单元的工作功耗小于50mW,并用掩模溅射的方法在每个单元镀上相应的敏感薄膜,各单元膜电阻在一定的工作温度下能对特定气体浓度的变化产生程度不同的变化。传感器单元敏感薄膜的膜电阻变化能迅速的反映气室中气体组分和浓度的变化情况,将其转变为电压信号后,可由单片机通过A/D电路采集量化为可以进行模式识别的数据。
此外由于便携式系统采用电池供电,对设备各部分电路的功耗要求较严格,因而在电路中采用低工作电压、低功耗的元器件,并且优化设计了电源管理功能,保证在电池供电的情况下能工作较长时间。
3检测系统电路
3.1 Cygnal C805lF020单片机介绍

图2 甲烷检测系统电路框图
内置A/D电路的Cygnal C805lF020是采用8052内核的8位单片机1201,属于高速混合信号系统级芯片。它能很好的满足甲烷检测系统的设计要求,所以系统采用它作为处理控制核心。图2是检测系统电路的组成原理框图。下面就电路的各部分功能在下面展开具体的描述。
3.2电路设计
3.2.1 信号采集、控制电路
首先阵列各单元的工作温度需要由加热电压进行调节,以保证在较好的响应特性。C8051F020的一路12位D/A通过模拟开关4052选通循环输出传感器阵列各单元所需的加热电压,并直接通过高电流输出运放芯片MAX4069驱动输出到各单元,减少了功率输出电路。在传感器阵列各单元加热到工作温度并稳定后,由单片机通过气泵控制电路控制微型气泵抽入待检测的气体。传感器阵列和系统电路的信号采集接口电路与前一章中的数据采集电路类似,只是信号隔离跟随电路中采用的是单电源低功耗运放OP491,四路传感器单元的响应信号由单片机内的A/D定时采集,采集到的数据存储在SRAM芯片IDT71V124SA中。
IDT71V124SA是低功耗3.3V工作电压静态CMOS随机存储器芯片,能保存128K字节的数据。它作为单片机的扩展数据单元,大大弥补了单片机RAM空间的不足。但是该器件在进行读写操作时需要100mA的电流,而在非片选状态仅为l0mA,因此从降低功耗考虑,在单片机不进行数据的读取时要释放片选控制信号以降低功耗。
3.2.2 输入输出接口电路
其次,良好的显示、操作界面是便携系统所必需的。本系统中采用具有122X 32分辨率的图形点阵液晶模块HS12232作为显示屏幕,显示提示和处理结果。显示界面设计成多层选择菜单的模式,主菜单中有甲烷检测、传感器工作电压设置,采样数据上传和识别网络更新等选项,通过键盘输入进行菜单选择的方式进行各种操作。同时由单片机的另一路D/A输出提示音信号,驱动蜂鸣器发出提示音。
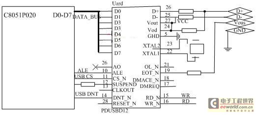
根据检测系统的设计要求,方便灵活地与计算机通信也是很重要的。目前USB标准已经得到了普及,因此选择采用USB通讯方式。USB是一种通用串行总线,具有使用可靠、即插即用和成本低廉的特点。检测系统电路中使用的USB接口芯片是支持USB1.1协议的Philips公司的PDUSBDI2芯片。单片机通过并行I/O口向PDIUSBD 12发命令和数据以实现对USB接口读写,由于在本系统中数据量传输不是很大,采用的是中断方式非同步传输。在USB协议中,USB总线分有主机和设备两部分,计算机上的USB控制器是主机器件,PDIUSBD 12是设备器件。图3是PDIUSBDI2与单片机的接口图。

图3 PDUSBDI2的接口电路原理图
3.2.3 系统电源管理电路
最后还需考虑电源的选择。作为便携式系统,甲烷检测系统的电源供电方式是电池供电,供电电压约在5V。而电路中的有的器件工作在较低的电压下,如单片机、SRAM和USB芯片等是3.3V的工作电压,这就需要在电路中设计5V-3.3V的电压转换电路。通过对比,采用DC-DC器件LM2S74进行电压转换(图4),将5V供电电压转换为3.3V,即可以满足低电压器件的工作要求,减少了额外的功耗,而且通过设计合理的滤波电路,还获得了较好的稳压线性输出。在降低功耗方面,在系统设计中均选用了CMOS器件、低功率表贴元器件,不仅使得系统体积较小,而且电路功耗也得到降低:此外在软件设计上,系统使用了等待和掉电的节电运行机制,而有的器件是带Shutdown功能的,可以在空闲的时候进入省电模式,进一步降低了功耗。

图4 电源电压转换电路
4 检测系统电路调试
在确定了系统电路硬件总体和各部分的设计方案后,制作了实验电路板,对电路进行了初步的调试。电源是采用4节镍氢充电电池串连,经过调试,每路加热电压驱动电路可以输出最高4.5V的电压,在对传感器进行加热的情况下,同时进行数据的采集保存,总电流可以控制在250mA以内,其中单片机电路部分约120mA,传感器阵列加热电流不高于80mA,抽气泵工作电路低于50mA,满足了设计中的低功耗目标。检测系统硬件电路调试完成后,通过编写单片机程序和计算机应用程序,可以在检测系统中实现气体识别等功能。
5 甲烷检测系统软件设计
检测系统电路调试通过后,需要结合识别软件才能进行气体的检测。本文主要在软件设计方面进行研究,提出了适合单片机系统的网络识别算法,在单片机软件和PC机软件两个方面进行了网络构建、网络训练等的讨论,同时对系统的其它功能程序也做了说明。
由于C8051系列单片机具有完整的8052内核,与MCS-51指令完全兼容,可采用标准的805x编译器进行软件开发。在本检测系统的单片机软件设计中,采用了Cygnal C51IDE的开发环境,通过电路中预留的JTAG接口调试程序,依据检测系统的不同功能的需要,采用模块化的设计,将程序分成几个主要的功能模块,图5是单片机程序的模块图。

图5 检测系统单片机程序模块图
从图5中可以看到,单片机的主程序在经过系统初始化后进入主菜单界面,将等待键盘的输入操作。当检测到有按键输入时,读出键值并判断出需要进行的操作,而后调用相应的子程序模块。
查看评论 回复









