TLE8201在车门模块中的应用 -
[导读]TLE8201 TLE8201是一种用于车门模块的高度集成功率ASSP(专用标准产品)。其中包括用于驱动典型前车门应用中负载所必需的功率级,这些负载包括中央门锁、死锁或后视镜折叠、后视镜定位、后视镜加热,以及5W或10W车灯
TLE8201
本文引用地址: http://www.21ic.com/app/auto/200903/33370.htm
TLE8201是一种用于车门模块的高度集成功率ASSP(专用标准产品)。其中包括用于驱动典型前车门应用中负载所必需的功率级,这些负载包括中央门锁、死锁或后视镜折叠、后视镜定位、后视镜加热,以及5W或10W车灯或LED(如转向信号灯、门控车室照明灯/安全警报灯或控制面板照明灯)等。
图1 TLE8201方框图
TLE8201具有符合汽车应用安全规范的短路与超温保护功能和完备的诊断功能。而电流感应输出则能提升系统的整体性能。
标准的SPI接口不但能减少微控制器I/O线路的长度,而且还可灵活控制功率级,并提供完备的诊断功能。
TLE8201拥有两个PWM输入端,均为直接功率级控制输入端,可增强PWM映射的灵活性。SPI寄存器中的信息定义将由PWM输入端控制的功率级。可对PWM功能进行配置,最多可支持八个功率晶体管。
该器件采用Power-SO封装,配有一个大型散热块,因此具有良好的热阻性能。引脚经过优化处理,可实现高效的PCB设计。TLE8201的应用不但有利于节省PCB面积和节省成本,而且能增强系统质量,并提高产量。
TLE8201应用电路
图2为车门控制模块中的TLE8201应用电路。

图2 应用电路
电源
TLE8201拥有两个电源输入端:所有功率驱动器均与连接至汽车12V电源线的供电电压Vs引脚相连。内部逻辑电路部分则由一个独立的5V Vcc电压供电。这样,即使Vs发生短时停电,也可确保存储于逻辑电路中的信息不受影响。
TLE8201要求配备外部反极性保护,它配有一个电荷泵输出端,用于连接外部n通道逻辑电平MOSFET。该保护电路的连接方法如图2所示,栅极电压由引脚GO提供。
通过把INH输入设置为“低”,可将TLE8201置于低能耗模式。在休眠模式下,所有输出晶体管均被关闭,SPI停止工作。在此模式下,总静态电流的最大值仅为6μA(Vs和Vcc)。
SPI
SPI用于实现与控制单元的双向通讯。当通过CSN(chip-select-not)输入(H至L)模式选择芯片时,则会启动传输周期。16-位控制字通过DI串行数据输入端读取。状态字则同步显示于DO串行数据输出端。同步通讯通过串行时钟输入端CLK实现。
如图3所示,16位SPI框架由一个可寻址块、一个地址独立块和一个2位地址构成,包括两个控制寄存器和两个诊断寄存器。地址独立输入部分用于一般性设置,地址独立输出部分则用来标记错误和记录温度信息。
图3 SPI结构
PWM输入
PWM-ing是TLE8201提供的一种非常灵活的功能。可通过两种PWM模式配置对所需功率级进行控制:将PWM1和PWM2引脚与微控制器的计时器通道相连,然后选择所需HSsel位,以激活PWM功能。建议将PWM频率设置为200 Hz以下,以最大限度地减少开关损耗导致的功率消耗。
电流感应
ISO(感应输出)引脚提供与所选功率输出端流向GND的输出电流成比例的电流。输出端选择通过SPI实现。
而感应电流则由外部感应电阻器R43转换成电压,并送至A/D变流器输入端。
输出级
输出1-6为半桥,输出7-11则是高边开关。闩锁电机和后视镜折叠电机均可连接至输出1、输出2和输出3。输出2是两个电机电流之和。两个后视镜定位电机连接至输出4、输出5和输出6。高边驱动器输出7用于驱动后视镜加热器。输出8和输出9用于驱动5W车灯。输出10可与输出11相连,共同驱动10W车灯。
闩锁控制
启动
TLE 8201的输出1和输出2均与闩锁电机相连。车门控制模块中的微控制器通过SPI与TLE 8201进行通讯。开启电源后,门锁状态或者由车身控制模块接收并传送至车门控制模块,或者由车门控制模块通过LIN或CAN直接接收。车门或开关面板发出开关输入请求,或者收到BCM发来的CAN/LIN消息时,就会启动闩锁电机。
图4所示为闩锁电机的启动波形。通道1是流过闩锁电机的电流。通道2和3为TLE 8201中输出1和输出2的电压输出。未采用PWM软启动时,启动突波电流可能达到2A。启动后,电流会下降至0.8A左右。闩锁完全闭合或打开时,若发生电机堵转,则可执行闩锁电机自动停机。检测电机堵转时,可通过TLE 8201的ISO输出端来测量电机电流;该输出端与接地感应电阻器R43相连,并通过保护电阻器R42与MCU模拟输入端相连。
块检测标准的计算方法如下:
KILIS12 = 2000,R43 = 910ohm,根据波形可知,最小块电流为IOUT = 2.5A;然后,即可计算出块检测电压:
块检测电压(Vblock-detection)= IISO * R43 = IOUT/KILIS12 * R43 = 2.5A/2000 * 910V/A=1.1375V
检测出块电压后,将HS1和HS2切换至“高”位,以使电机进入续流模式。HS1和HS2均保持高位100毫秒。从L切换至H时,最少将出现3 微秒的空载时间,以确保不会发生开关倾斜(switching slope)重叠现象,从而避免出现涡流(cross current)。
续流过程中,会存在较小的电流,这是闩锁电机的特殊机械结构造成的结果。闩锁中有一个弹簧,用于保护闩锁,使之免受损坏,否则,闩锁会猛击门锁上部。
以下为普通DC电机的电压计算公式:
其中,Vbat表示外部电压;i 表示电机电流;L 表示电机感应器;n 表示电机速度;R 表示内部电机电阻。
当电机几乎呈匀速运行时,Vbat=iR+K0n(如图1所示)。需要指出,K0n表示电机的反电动势。
当电机开始续流时,
续流结束后,由于不存在电机电流(即不存在电机扭矩),弹簧会将闩锁电机略推回一点。也就是说,闩锁电机的转速会从零变为负值,从而产生正电流,通过电机。
图4 闩锁启动波形
保护与诊断
启动状态(ON-state)下,可通过桥输出的低边开关实现开启负载检测:当通过低边晶体管的电流低于参考电流,且IOCD处于启动状态的时间超过开启负载检测延时tdOC时,则会设定相应的开启负载诊断位。但是,输出晶体管仍保持启动状态。开启负载出错位被锁定,并可通过SPI状态寄存器复位或开电复位重新设置。
后视镜折叠控制
正常运行
后视镜折叠电机由TLE8201的输出2和输出3驱动。由于各个半桥以串联方式相连,而且通道电流也存在限制,因此一次只可驱动一个电机。所以只要闩锁电机在运行,就无法启动后视镜折叠输出。
图5所示为后视镜折叠电机正常运行时的波形。通道1是流过后视镜折叠电机的电流。通道2是输出3的电压,通道3则是输出2的电压。根据该波形,启动时突波电流的最大值是2.52A,而运行过程中的额定电流则为0.4A。
图5 后视镜折叠电机正常运行时的波形
电机会保持运行直至锁定或者超过3秒钟。因为后视镜折叠电机采用特殊的机械结构,所以当电机被锁定时就会出现开启负载!由于锁定过程中的电流会降至0A,因此电机无需续流。
短路保护
图6显示了TLE8201的短路保护行为。各通道的含义与图5相同。在正常运行过程中,输出2(通道3)的电压较高,输出3(通道2)的电压则较低。额定电流为0.4A,图6中看起来似乎为0A。
当电机端子短路,且电流超过输出3(ISD34通常为4A)停机阈值ISD的时间超过停机延时tdSD时,输出3的输出晶体管会关闭,并设定相应的诊断位。由于输出2的短路停机阈值高于8A,所以输出2的输出晶体管会继续运行。因此,输出3的电压会增加至与输出2电压相等的水平。
延时过程中,电流值限制为输出3的ISC(ISC34通常为6A)。延时相对较短(通常为25微秒),以便减少设备短路时的能量消耗。这种设计能够提供电机应用中所需的高峰电流。在向SPI发送状态寄存器复位指令或执行开电复位之前,输出级将保持关闭状态并设定出错位。

图6 短路保护行为
后视镜定位控制
采用两个电机,输出4连接至X电机,输出5连接至两个电机,输出6则与Y电机相连。图7所示为其中一个后视镜定位电机正常运行时的波形。
按下按钮,就会激活某个状态。当后视镜折叠电机处于激活状态时,不能激活后视镜X-Y输出。此类输出不具备PWM控制。启动时的突波电流约为 0.2A,而额定电流则为0.1A。虽然无需使用主动制动,但在后视镜移动过后,高边开关会在100毫秒的续流时间内保持活动状态。
图7显示了短路保护行为。输出1-6所用的短路保护理论完全相同。唯一差别在于短路停机电流阈值和短路电流值不同。
图7 X-后视镜电机正常运行时的波形

图8 短路保护行为
后视镜除霜控制
PTC加热器件由TLE 8201输出7驱动。超过固定的10秒开启时间时,输出由低频(如10Hz)PWM控制,负载循环通常为40%。对PWM的控制则通过SPI由软件实现。门锁激活时,加热器关闭,以降低通过TLE 8201的总体电流。
车灯控制
正常运行
门控车室照明灯和安全警报灯均由TLE 8201输出端10和11同步驱动。输出端由200 Hz PWM(剧场灯光效果)在2秒内接通/断开。PWM则由PWM2输入控制。
转向信号灯(10 w)由TLE 8201输出端8和9驱动。输出由低频(如1.5 Hz)PWM控制,负载循环通常为50%。对PWM的控制则通过SPI由软件实现。
接地保护输出短路
接地保护输出短路行为显示出接通过程中发生的短路与开启状态下发生的短路之间的区别。
接通过程中的短路
在输出的接通过程中,通过电流和电压水平来检测有无短路。如果开关(如输出8)打开而且短路条件有效,电流会超过停机阈值ISD8(1.8A至 3.5A),而输出端的电压则会低于VSD8(1.5V至3.3V)。超过tdSDon8(125微秒至350微秒)时,输出晶体管关闭,并设定相应的诊断位。延时过程中,电流值限制为ISC8(通常为4.2A),如图9所示。通道1为输出电流,通道2则为输出电压。

图9 接通过程中短路保护的波形

图10 接通过程中的短路保护
开启状态中的短路
若开关已打开并发生短路,且电流超过停机阈值ISD的时间超过停机延时tdSD(10微秒至60微秒)时,输出晶体管会关闭,并设定相应的诊断位。该机制与电压Vout无关。见图11。

图11 开启状态中的短路保护
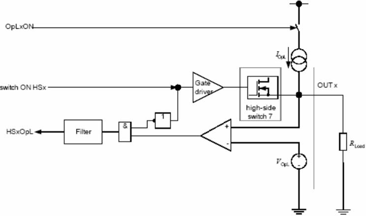
开启负载
图12显示了高边开关在关闭状态下的开启负载。开启负载检测通过比较输出电压与阈值VOpL来实现。可通过OpLxON位来接通或断开上拉电流。如果用某一输出来驱动LED,则应将OpLxON位设为“低”,即切断上拉电流,因为通过上拉电流施加偏压时,这些LED可能在关闭状态下发光。
图12 关闭状态设计中的开启负载
结语
TLE8201是一种用于车门模块的高度集成ASSP。适用于驱动典型前车门应用中的所有负载,即中央门锁、死锁或后视镜折叠、后视镜定位、后视镜除霜以及5W或10W车灯等。TLE8201提供多种保护方法和诊断功能,使其成为车门控制模块中一种既灵活又可靠的设备。
查看评论 回复









