HDMI技术在汽车设计中的应用 -
[导读] 简介播放高清内容(例如蓝光光盘上的电影)需要很高的处理能力,而当前汽车信息娱乐系统中的现有处理器通常不具备这种处理能力。借助HDMI行业标准,汽车制造商可以更加快速和
简介
本文引用地址: http://www.21ic.com/app/auto/201506/631129.htm
播放高清内容(例如蓝光光盘上的电影)需要很高的处理能力,而当前汽车信息娱乐系统中的现有处理器通常不具备这种处理能力。借助HDMI行业标准,汽车制造商可以更加快速和轻松地集成汽车高清电影播放功能。此类系统可以采用汽车级蓝光驱动器,该驱动器使用HDMI规范中所列的E型电缆和连接器进行连接。由于HDMI标准可为同步音频(包括多通道高清音频格式)和视频传输提供内容保护,因此不需要通过其他网络或音频总线,与音频放大器单独连接。
蓝光播放器的播放功能只是HDMI在汽车行业的一种应用。越来越多的乘客以及驾驶员,都希望将自己的移动设备连接至汽车信息娱乐系统。在不久的将来,智能手机有望成为娱乐中心,显著降低汽车信息娱乐系统的处理要求、复杂性和成本。智能手机的设计周期远短于汽车信息娱乐系统,如果智能手机成为设备中枢,可以确保最新消费型产品开发成果能够迅速应用于汽车信息娱乐系统。HDMI能够提供高质量的无压缩馈送,因此非常适合将移动设备连接至汽车信息娱乐系统。对于汽车行业而言,HDMI电缆具有低噪声耦合,不易受车内其他设备的影响。

图1:汽车设计中的HDMI应用
图1汽车设计中的HDMI应用示例。音响主机(汽车信息娱乐系统的主控制器)有两个HDMI输入、一个音频输出、一个显示屏视频输出。HDMI接收器(Rx)解码来自两个HDMI输入的视频并提取音频。音频转换为模拟信号并连接至扬声器。第一个HDMI输入连接至安装的蓝光播放器,该播放器可能位于汽车的后备箱。第二个HDMI输入提供与配备HDMI的便携式媒体设备的连接,这些设备包括智能手机、平板电脑、笔记本电脑、数码相机和摄像机等。
HDMI接口普遍应用于消费类电子设备中,但如何将它集成到汽车应用?
虽然HDMI接口当前已经广泛应用于各种家庭娱乐设备,但汽车应用却向使用HDMI接口的设计提出了全新挑战。汽车应用可能包括开放系统或封闭系统。开放系统允许连接消费型设备,例如智能电话或平板电脑。封闭系统则允许汽车娱乐系统内部的专用模块互连。
封闭系统可以交流耦合,以提供电池短路(STB)和接地短路(STG)保护。虽然这一点在当前HDMI规范中没有说明,但它提供了常见汽车应用问题的巧妙解决方案。如果HDMI电缆出现了故障情况,发生电池短路或接地短路,HDMI接收器和发送器IC应该不会受到损坏。在HDMI接口中使用的信号电平是3.3V和5V,因此汽车电池正端(12V)短路通常会损坏HDMI接收器和发送器。如果HDMI接口交流耦合,则HDMI Rx和Tx之间的共模电压不会损坏IC。此外,还需要一个过压保护电路来保护HDMI DDC线路,因为这些线路不能交流耦合。图2显示如何实施STB和STG保护的高电平示例。HDMI Tx和HDMI Rx交流耦合电路设计为成对使用。

图2:HDMI的STB和STG保护CCT框图
PCB设计注意事项
在为HDMI TMDS线路添加STB保护电路时,我们面临的一个很大难题是不能影响线路性能或其匹配阻抗。为了满足兼容性要求,建议让STB保护电路尽可能接近HDMI TMDS走线。这样可以最大程度减小走线之外的分支线长度,并降低由于分支线而产生反射的可能性。
如何在HDMI TX上实施交流耦合?
图3显示在HDMI Tx TMDS线路上实施交流耦合可以使用的一种电路。交流耦合电容提供STB和STG隔离,并且应当在TMDS频率下视为短路。必须能耐受18V直流电压。由于汽车电池的输出通常为12V,交流发电机输出约为14.5V,因此STB测试通常使用18V电压,以提供一些安全裕量。
HDMI Tx切换电流源,需要为3.3V电压提供上拉电阻。这里显示了100 Ω上拉电阻的作用。TMDS线路差分对的每条线路必须具有50Ω的交流阻抗。此处未显示该阻抗,但在下游HDMI Rx有第二个50Ω串联内部上拉电阻。将100Ω上拉电阻与两个50Ω电阻(相互串联)并联,总阻抗为50Ω。
RCLAMP0524PA TVS(瞬变电压抑制器)器件提供ESD保护。RCLAMP0524PA的引脚间电容仅为0.3pF。这一特点使得它能够在工作频率超过3GHz的电路上使用,而不产生信号衰减。它能够针对+/-15Kv气隙放电和+/-8Kv接触放电提供ESD保护。

图3:TMDS线路上的HDMI TX交流耦合
HDMI TX交流耦合测试
图3所示电路按照以下方式构建和测试:为验证电池短路保护电路,我们将每个TMDS线路短路连接18V电池,随后对HDMI Tx进行功能测试,以确保它没有损坏。经过测试,该电路在27MHz、74MHz、148MHz和165MHz频率下符合HDMI兼容性规范。唯一的问题出现在低电平输出电压(VL)测试中。但是,HDMI Rx交流耦合电路中的ADV7612可以耐受更高的VL电平。事实证明,此电路在远高于HDMI E型汽车连接器的74MHz频率的工作频率下运行良好。
如何在HDMI RX上实施交流耦合?
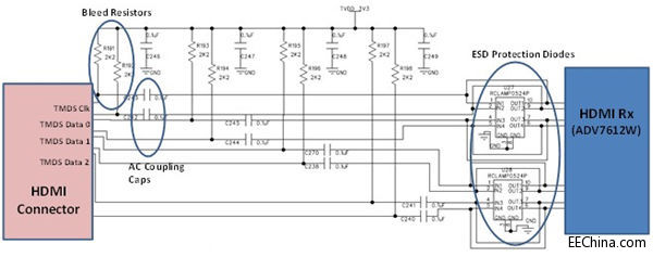
在图4中的电路中,HDMI RX为交流耦合,以应对STB和STG故障条件。交流耦合电容阻止共模电压,并保护HDMI Rx以避免在STB和STG条件下损坏。上游HDMI Tx必须为交流耦合,才能让此电路正常工作。如果HDMI Tx为直流耦合,它可能无法检测每个差分对的100Ω电阻的正确端接。RCLAMP0524器件提供必要的ESD保护。2KΩ上拉电阻用作渗漏电阻,必须选择正确的电阻值,以应对在STB和STG条件下增大的电流。例如,在STB条件下:
P= (V2)/R= 182/2000= 0.162瓦

图4:HDMI RX TMDS交流耦合电路
HDMI Rx交流耦合测试
这是适合汽车应用的首选电路;HDMI Rx和Tx AC耦合电容之间的唯一电路是泄漏电阻。此电路经过验证,不受电池短路和接地短路条件的影响。它还通过了最高165MHz频率下的HDMI TMDS兼容性测试,该频率也是ADV7511W上游发送器的上限值。图5显示了数据通道1的差分阻抗测试结果。允许的最大差分阻抗为115Ω,最小差分阻抗为85Ω。
查看评论 回复
"HDMI技术在汽车设计中的应用 -"的相关文章
- 上一篇:汽车音响收音的特殊电路 -
- 下一篇:电动自行车应用中的MCU -









