可控硅在红外遥控开关中的应用及工作原理 - 接口 -
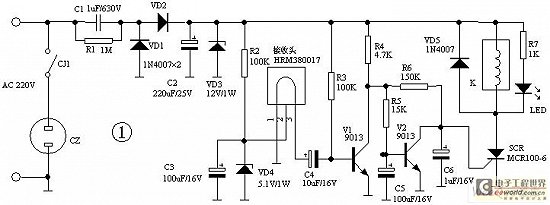
关断单向可控硅的方式有两种:其中一种是众所周知的,就是可控硅的阳极电位低于阴极电位或阳极电流小于维持电流时,可由导通转为关断。别一种则是将可控硅的控制极对地短路,也可以将其关断。单向可控硅具有一触即发实现自锁的功能。本人利用它的这个特性制作了下面这款简单的红外遥控开关电路,如图1所示。

一、工作原理
220V交流电压经电容C1降压,VD1、VD2、C2整流滤波,VD3稳压后输出12V直流电压给本电路供电用。12V直流电压再经R2、VD4、C3进一步稳压滤波后供红外接收头HRM作电源用。
开启过程:静态时脉冲放大管外于饱和状态,集电极输出0.1V低电平,此时可控硅触发电路不工作。瞬间按遥控器(各类彩电、VCD遥控器均可),接收头接收到红外遥控信号,其输出端输出解调后的序列指令脉冲,经V1放大信号分成两路:一路经R6对C6进行充电,别一路经R5对C5进行充电,由于C5的容量远大于C6,所以充电速度较慢,不能使V2导通,而C6上充得的瞬间脉冲电压足以使可控硅SCR触发导通,继电器K得电,常开触点CJ1闭合,插座CZ中的负载得电工作。LED作工作状态指示用。
关闭过程:再次按遥控器按键超过3秒时,C5上充得的电压足使V2由截止进入导通状态,从而可将可控硅控制极对地短路,可控硅被关断,继电器失电,触电断开,负截停止工作。随后C5上充得的电压很快通过R5、V1的集电极、发射极对地放电,电路进入等待状态。
二、元件作用与参数选择
1.电路中采用的一体化红外接收头型号为HRM380017,它可接收各类遥控发射的红外遥控信号,并输出解调后的序列指令脉冲信号。读者可以根据条件选择其他不同类型的红外接收头,其功能大都相同,相互间可以互换,但管脚排列会有所不同,注意不要将接收头电源端和接地端接错,否则极易造成接收头损坏。22.为V2可靠地由截止状态进入饱和导通状态,保证可控硅被关断R5必须满足R5的阻值小于V2的β与继电器线圈阻值的乘积,否则将不能关断可控硅。本电路中的继电器型号为JZC-23F,其线圈阻值约为400Ω,那么按照要求R5不得大于10KΩ(设V2的β=100)。
3.单向可控硅可选择MCR100-6,其最大工作电流(1A)和最高工作电压(600V)完全能满足本电路的需要,控制极电流在10μA-30μA之间,故触发灵敏度很高。在制作过程中会发现即使省略C6,可控硅仍可正常触发和关断,但此电路抗干扰性将变差,极易受到外界干扰而使可控硅出现误导通,所以C6绝不可省略。
4.若发现关断可控硅所需时间偏长,那么可通过适当减小C5的容值进行调节。
查看评论 回复









