一种电容式加速度传感器设计的研究 -
[导读]中心议题:设计一种惯性式测振传感器建立差动电容式加速度传感器的数学模型,并对其作特性分析解决方案:利用惯性质量块在外加速度作用下与被检测电极间空隙发生改变来测定加速度场效应管要求工作在线性电阻区采用移
中心议题:
本文引用地址: http://www.21ic.com/app/auto/201211/151306.htm
设计一种惯性式测振传感器
建立差动电容式加速度传感器的数学模型,并对其作特性分析
解决方案:
利用惯性质量块在外加速度作用下与被检测电极间空隙发生改变来测定加速度
场效应管要求工作在线性电阻区
采用移用放大器,具有高共模抑制能力
引言
测量振动体相对于大地或惯性空间的运动,通常采用惯性式测振传感器。惯性式测振传感器种类很多,用途广泛。加速度传感器的类型有压阻式、压电式和电容式等多种,其中电容式加速度传感器具有测量精度高,输出稳定,温度漂移小等优点。而电容式加速度传感器实际上是变极距差动电容式位移传感器配接“m-k-c”系统构成的。其测量原理是利用惯性质量块在外加速度的作用下与被检测电极间的空隙发生改变从而引起等效电容的变化来测定加速度的。
电容式加速度传感器的数学模型
电容式加速度传感器的原理结构如图1所示,由图可见,它实际上是变极距差动电容式位移传感器,配接“m-k-c”系统构成的。质量块4由两根弹簧片3支撑于壳体2内,质量块4的A面与上固定极板5组成的电容C1,以及质量块4的B面与下固定极板1组成的电容C2。

图1 电容式加速度传感器结构示意图

图2 “m-k-c”系统原理图
电容式加速度传感器的等效原理图如图2所示。图2中,右侧标尺表示与大地保持相对静止的运动参考点,称为静基准,x表示被测振动体2及传感器底座1相对于该参考点的位移,称为绝对位移,y 表示质量块m 相对于传感器底座1的位移,称为相对位移。x和y 之间关系可用典型二阶比常系数微分方程描述:

代入式(1)得:

经拉氏变换得“m-k-c”系统得传递函数:

令S=jω,可求得质量块相对运动得位移振幅ym 与被测振动体绝对运动得加速度振幅am 的关系为:

式(4)具有低通滤波特性。由此可见,当ωn《ω0时,则:
传感器壳体2的位移y与C1,C2关系为:

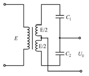
式中,d0为不振动时,电容C1和C2的初始极距。若差动电容接入图3所示变压器式电桥中,则电桥开路输出电压幅值U0为:

将式(5)代入式(7)得

可见,当ω< <ω0时,输出电压幅值U0与加速度幅值am 成正比,测出电压幅值U0,即可确定加速度幅值am 。

图3 变压器式电桥
差动电容计算及特性分析
对于气隙型电容传感器,其电容值为C=εS/d ,电容式加速度传感器的两个电容,一个增加,一个减小。因此电容总变化量为:
g(9)
这是电容相对增量与极距相对增量之间的关系方程式。若采用线性特性方程y =x,如图4所示,显然其线性误差较大。为此可采用线性特性方程y=(1+ε)x,并使其在最大量程xM 处产生的正误差ΔyM 及其x1在处产生的负误差Δy1在数值上相等,即:
其中,ε为某一正小数。因为原始方程与线性方程之差为:

x1点的位置可按:

设
由此可以算得:

式(12)表示在满足Δy1=-ΔyM的条件下,ε与xM的关系。
设非线性相对误差为γ,则

将式(12)代入上式,经整理得:
根据式(13),可按给定的非线性误差求最大量程,也可按给定的量程求最大的非线性误差。例如选取γ=0.01,则xM =1/5,即Δdmax=0.2d。其特性分析曲线如图4所示。

图4 ΔC/C0~Δd/d0特性分析曲线
电路设计
本系统电路组成框图如图5所示。

图5 系统电路组成框图
a.稳幅文氏振荡器
稳幅文氏振荡器是用运算放大器做放大元件的RC串并联选频网络正弦波振荡器,电路如图6所示。
由于放大器的输出电阻很低,反馈信号加入运算放大的同相输入端,所以输入电阻很高,这样同相放大器的增益KF=1+ R8/Rf,仅与外部电阻R8和Rf有关,而与放大器本身参数无关,因此增益的精度和稳定性都很高。在实际应用中,常选RC串-并联电路的R1=R2=R,C1=C2=C,所以在f=1/2πRC这个频率上, RC移相网络相位移为零,而R8≈2Rf,满足振荡条件。选R=240kΩ, C=330pF,则得到振荡频率为:

图6稳幅文氏振荡器
为实现自动稳幅的目的,在运算放大器输入端加上由R8、R4和场效应管VT组成可控负反馈电路。对场效应管要求工作在线性电阻区,只有在UDS较小时,它的RDS差不多随栅源电压VGS线性变化,宛如一只良好的压控线性电阻,阻值可调范围约为400Ω~100MΩ ,当幅值较大时, RDS应自动增大以加强负反馈,这个作用由整流二极D1,滤波电路R7、R6、C5及场效应管VT组成。当幅值较小时,C5上的电压VC5逐渐减小,导致RDS下降,所以电路将自动在VT的其一栅源电压下稳定下来,输出幅值稳定的正弦波电压。调节R6可改变输出电压的大小,一般将输出电压调节在3~5V之间。
b.仪用放大器
在许多检测技术应用场合,传感器输出信号往往较弱,而且其中还包括工频、静电和电磁耦合等共模干扰,对这种信号的放大就需要放大电路具有很高的共模抑制能力以及高增益、低噪声和高输入阻抗,习惯上称为移用放大器,如图7所示。

图7 仪用放大器电路图
移用放大器从电路结构可知,这是一种同相并联差动放大器,其对称性结构使整个放大器具有很高的共模抑制能力,特别是适用于长距离测量。其数学模型为:
令电路参数对称R=R10=R11=R12=R13=16kΩ ,即R8=R9=40kΩ。
将式(14)和(15)带入(16)整理得:


所以增益为:

这种电路特点是性能稳定,其漂移将大大减少,具有高输入阻抗和高共模抑制比,对微小的差模电压很敏感,并适用于远距离传输过来的信号,因而十分适用与传感器配合使用。显然,为保证电路的对称性,改变增益最合理、最简单的方法是改变RG 的阻值。
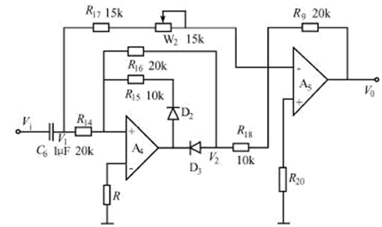
c.相敏检波器
当被测量经过变压器式电桥变换后,将微弱的交流信号送入仪用放大器进行放大,为了恢复原来被测量缓慢信号,采用相敏检波器将交流的幅度变化转换成正比于传感器电容ΔC的直流电平。其相敏检波电路如图8所示。其工作过程如下:

图8 相敏检波电路
当输入电压Vi 为正半周期时,经耦合电容C6的电压V1(即Vi =V1)输入给A4反相,D2截至,D3导通,A4的电压放大倍数为R16/R14=-1,即V1=-V2;调整W2,R17=R19=20kΩ ,经R17和W2送来的A5的输入信号为V1,另一路经A5的输入信号为V2,则输出信号为:

当输入电压Vi 为负半周期时,经A4反相,D2导通,D3截至,A4输出为零,经R17,W2送来的A5的输入信号为V1,另一路经A5输入信号为V1,则输出信号V0为:

由此可见,交流放大信号Vi 经过相敏检波后,即能反映信号电压的幅值又能反映出信号电压的极性。
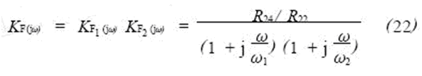
d.低通有源滤波器
低通有源滤波器如图9所示。它是由无源RC滤波器和有源RC滤波器组成。无源RC滤波器的频率特性为:

式中:ω1=1/R21C7或f1=1/2πR21C7
有源RC滤波器的频率特性为:

式中:ω2=1/R24C8或f2=1/2πR24C8
则低通有源滤波器的频率特性为:

故其幅频特性为:

一般规定增益下降到KF/2时的频率为截止频率,通过上式求得为f≤11.5Hz ,则带宽为0~11.5Hz 。这样把它检波后的脉动直流信号中高次谐波滤掉,采用有源低通滤波器的优点是较小的电容得到良好的滤波效果。滤波器输出后的电压信号经过AD574模数转换片与单片机8031连接,这样就可以完成对被测对象的检测和控制。

图9 低通有源滤波电路
实验与数据分析
实验设备:ZD-1型振动台一台,其频响10~20kHz。9102型测振传感器一个,其性能指标:灵敏度为10pC/ms2,频响为0.2~6000Hz ,线性度为±1%。BZ2112型振动测量仪, 其性能指标: 频响为0.5Hz~100kHz ,量程为0.1~1000ms -2(0.01~100g)。被测试设备一台。实验时,振动台工作在300Hz ,通过调节振动台振动幅值,使振动测量仪工作量程0~100ms -2范围,分别读取被测设备输出电压数值,对它进行特性分析。测试数据如表1所示:
表1 测试设备的滤波器输出电压值

从测试数据求出最大误差为0.08,测量范围为0~10g ,所以线性度R=0.08/10=0.8% ,满足设计要求。
结 论
本文设计的电容式加速度传感器,具有电路结构简单,频率范围宽约为0~450Hz,线性度小于1%,灵敏度高,输出稳定,温度漂移小,测量误差小,稳态响应,输出阻抗低,输出电量与振动加速度的关系式简单方便易于计算等优点,具有较高的实际应用价值。
查看评论 回复









