高效小规格电源方案,为影像传感器供电 -
[导读] 为汽车摄像机应用中的数字影像传感器供电涉及各种不同的设计要素。在下雨、积雪、雾天以及其他困难的驾驶环境下,高水准的影像质量是十分必要的。汽车驾驶员在倒车时对该技术的依赖程度要远远高于肉眼检查。如果模拟
为汽车摄像机应用中的数字影像传感器供电涉及各种不同的设计要素。在下雨、积雪、雾天以及其他困难的驾驶环境下,高水准的影像质量是十分必要的。汽车驾驶员在倒车时对该技术的依赖程度要远远高于肉眼检查。如果模拟电源轨道的低噪声需求、效率和尺寸等主要设计要素不能得到优化,那么在良好天气条件下运作良好的解决方案未必能适用于恶劣的天气条件
本文引用地址: http://www.21ic.com/app/auto/201408/594929.htm
设计要素
为汽车摄像机应用中的数字影像传感器供电涉及各种不同的设计要素。影像质量是衡量此类应用是否能盈利的重要指标。在下雨、积雪、雾天以及其他困难的驾驶环境下,高水准的影像质量是十分必要的。汽车驾驶员在倒车时对该技术的依赖程度要远远高于肉眼检查。如果模拟电源轨道的低噪声需求、效率和尺寸等主要设计要素不能得到优化,那么在良好天气条件下运作良好的解决方案未必能适用于恶劣的天气条件。
高级驾驶员辅助系统
例如,AptinaAR0132 是一款普及的传感器,拥有120万像素和和 720p60 分辨率,支持高动态范围成像,适用于汽车高级驾驶员辅助系统 (ADAS) 及周围视图/停车辅助摄像应用。其中内核 (VDD) 及I/O 部分 (VDD_IO) 需要 1.8V 电压,模拟部分(VAA、VAA_PIX 和 VDD_PLL)需要 2.8V 电压。很显然,该芯片的模拟部分更容易受其电源线噪声的影响。很多设计方案都使用了低压差稳压器 (LDO) 将所有电源从5V的输入轨道加以降频转换。
设计目标
整体目标是为AR0132AT 影像传感器提供一种实用的电源系统实施方案,使其成功集成至汽车应用及封装中。虽然其它传感器与系统的详细情况可能有所不同,但本文所讨论的原理具有普遍的适用性。
影像传感器的尺寸非常重要,因为它必须纳入25 毫米的立方体中,这就对整体效率和良好的散热管理提出了很高要求。尽管LDO 具有低噪声输出,但其功耗高,会对影像传感器加热,造成不良影响,因此在25 毫米的立方体中工作并不理想。
开关电源解决方案的功耗要低得多,但本质上具有更高的输出纹波和噪声。在实施开关电源解决方案时,需要额外注意影像传感器对其模拟输入电源轨道的噪声(纹波)敏感度。
设计过程
为设计出能够为影像传感器高效供电的电源系统,有必要知道传感器敏感度等级和开关电源的纹波输出,以便采取相应设计步骤将传感器电源轨上的纹波降至退化阀值以下。
影像传感器的噪声阀值测量
图1 中的简单电路是用来限定每个传感器电源轨道的噪声阀值。

图 1 噪声阀值测试电路
通过在手提电脑上运行的Aptina Devware 开发软件观察影像质量,我们看到发生器频率从50kHz提高到了5MHz。就敏感轨道而言,信号大小会不断减弱,直到不再出现视觉假象为止。
部件选择考量
由于整体电源需求非常低(数字内核/输入输出为0.28W,模拟部分为0.42W),我们必须选择额定输入工作电压为13.5V、可在低输出电流下高效率运作的电源转换IC。基于这些因素,我们应选择恒定的时间 (COT) 架构。COT 架构适用于那些在轻负载下高效运作,以及只需极小的外部电流容量便可获得良好的负载瞬态响应的应用。在轻负载下实现高效率会带来更多的输出纹波,这与脉冲频率调制 (PFM) 模式方案类似。COT 架构可在两方面提供帮助:效率/散热管理和解决方案规模。
选择可承受汽车应用中负载突降电压(一般是40V)的部件具有极大的优势,可帮助最大限度地减少或消除输入保护电路。
电源架构
由于该传感器旨在满足汽车环境的使用需求,我们自然应该选择LM34919C作为实例。该器件具有4.5V-50V 的输入电压范围,是汽车电池供电应用的理想选择。
LM34919前端不仅支持直接通过12V 的汽车电池为AR0132 提供2.8V 电压,而且还可为LM3671 1.8V 稳压器提供输入。
图2 展示了设计实例的整体电源架构。

图 2 整体电源架构
满足影像传感器的噪声阀值要求
LM34919C的恒定时间架构在 FB 引脚上需要最低 25mVP-P 的纹波才能保持所需的稳定性。该 LM34919 的设计要求与降低影像传感器敏感电轨的纹波电压这一设计意图恰好相反。

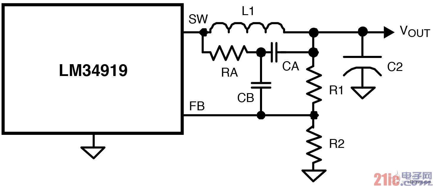
图 3 最低输出纹波电路
为了在保持可靠稳定性的同时最大限度降低输出纹波,我们使用了图3 中的纹波抑制电路。该电路不仅可向FB 引脚提供足够的纹波,同时还可将输出端的纹波降低至10mVP-P 以下。
为进一步防止纹波产生影像假象,可使用RC 滤波器保护敏感电轨。除了提供适当的纹波衰减之外,RC滤波器主要是为实现最低功耗而设计的。尽管测试过程中只有VAA 和VAA_PIX 电轨显示出敏感特性,但也可对VDD_PLL 电轨(图4)进行过滤,以防万一。

图 4 RC 纹波滤波器
所有三个电源在2MHz 附近实现了40db 的目标衰减(图5)。从而将影像传感器的纹波降至100μV,这比观察到的任何传感器噪声阀值都要低40db。

图 5 RC 滤波器频率与瞬态响应仿真
为符合PLL 电源优先的AR0132AT 电源排序需求,VDD_PLL电源采用了两极过滤器。
在每个实例中,每个电源最后的滤波电容器都可随影像传感器的输入旁路增大一倍。

图 6 最终的电源系统方框图
为方便测试,电源系统实施了子卡设置,可插在AR0132 演示前板(最初为所有导轨电压使用了LDO)上的排针孔上。其中,未使用的线性稳压器和其它组件被移除。该组合主要用来展示影像质量以及替代电源系统的性能。
查看评论 回复
"高效小规格电源方案,为影像传感器供电 -"的相关文章
- 上一篇:基于MEMS的车载激光投影仪设计 -
- 下一篇:智能汽车也挡不住高科技偷车贼 -









