ESD0506S8:汽车ADAS系统级防静电元件 -
来源: 网络用户发布,如有版权联系网管删除 2018-07-18
[导读]ADAS即高级驾驶辅助系统,是利用安装在车上的各式各样传感器,在汽车行驶过程中随时来感应周围的环境,收集数据,进行静态、动态物体的辨识、侦测与追踪,并结合导航仪地图数据,进行系统的运算与分析,从而预先让驾驶者察觉到可能发生的危险,有效增加汽车驾驶的舒适性和安全性。
ADAS即高级驾驶辅助系统,是利用安装在车上的各式各样传感器,在汽车行驶过程中随时来感应周围的环境,收集数据,进行静态、动态物体的辨识、侦测与追踪,并结合导航仪地图数据,进行系统的运算与分析,从而预先让驾驶者察觉到可能发生的危险,有效增加汽车驾驶的舒适性和安全性。
本文引用地址: http://www.21ic.com/app/auto/201708/735126.htm
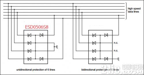
而ADAS系统集合了车身周围所有的传感器,集合在中控中,一系列的I/O或高速数据迫切需要集成芯片的静电防护,针对汽车ADAS目前方案中的8路摄像头输入OSD叠加、倒车轨迹叠加、图像分屏显示、反交错等,可以轻松基于汽车级的防静电元件ESD0506S8来保护6路信号,节约了板级的空间,



在标准的3*3mm的封装设计中,低电容的6通道ESD保护二极管阵列,leiditech ESD0506S8 ESD0506M8可以保护多达6路传输线或数据线,防止静电和瞬态电压的损害


查看评论 回复









