您现在的位置: 主页 > 电子技术 > 数模电路应用 > 基于MC2831的无线电发射原理图 - 数模混合 -
本文所属标签:
为本文创立个标签吧:

基于MC2831的无线电发射原理图 - 数模混合 -

来源: 网络用户发布,如有版权联系网管删除 2018-09-28 

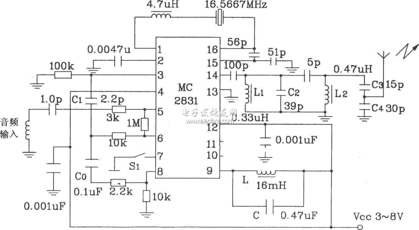
MC2831无线电发射专用集成电路是美国摩托罗拉公司生产的无线电调频(无线电技术的原理在于,导体中电流强弱的改变会产生无线电波。利用这一现象,通过调制可将信息加载于无线电波之上。基于MC2831的无线电发射原理图:

基于MC2831的无线电发射原理图



              查看评论 回复



嵌入式交流网主页 > 电子技术 > 数模电路应用 > 基于MC2831的无线电发射原理图 - 数模混合 -
 

"基于MC2831的无线电发射原理图 - 数模混合 -"的相关文章

网站地图

围观()