您现在的位置: 主页 > 电子技术 > 数模电路应用 > 光棒放大电路图及原理 - 数模混合 -
本文所属标签:
为本文创立个标签吧:

光棒放大电路图及原理 - 数模混合 -

来源: 网络用户发布,如有版权联系网管删除 2018-09-28 

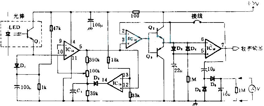
本电路主要由光棒和四运算放大器IC1组成,IC1a为放大器,利用硅二极管的指数式正向导电特性,把光棒的输出变换成对数式的变化电压,其峰-峰值正比于白,黑光电流之比,而与绝对值无关,IC1b为比较器,和峰值检测器D2-C1一起把放大器ICa的输出箝到固定电位。于是,放大和箝位后的信号变换成微处理器需要的二进制数字式输出。输出是与TTL兼容的。



              查看评论 回复



嵌入式交流网主页 > 电子技术 > 数模电路应用 > 光棒放大电路图及原理 - 数模混合 -
 

"光棒放大电路图及原理 - 数模混合 -"的相关文章

网站地图

围观()