新款系统电源芯片打造大屏幕液晶电视及监视器应用 - 数模混合 -
对于大液晶屏,大家都不陌生,想要家里的电视看着画面稳定、动作流畅,系统电源芯片起着关键作用。富士通半导体最近又推出了一款新产品,就是用于大屏幕液晶面板的5通道系统电源芯片,命名为MB39A302。它的功能不小,能够通过单块芯片提供大屏幕液晶面板所需的5种电压。由于内置了VCOM功率放大器、栅极电压整形电路和大电流驱动用开关场效应管,所以MB39A302最适用于大屏幕液晶电视及监视器等应用。

图1:MB39A302的外观。
5通道各有所用
MB39A302是由5个通道的电源控制部分组成的系统电源芯片,包括1个通道的降压转换器、1个通道的升压换器、2个通道的电荷泵、1个LDO通道以及VCOM调节功率放大器和栅极电压整形电路。它内置的开关场效应管的降压转换器为电压模式非同步转换器;内置开关场效应管的升压转换器也采用电压控制模式。
丰富的特性
该器件有很多丰富的特性,例如电源电压范围为8~14V;内置开关场效应管的DC/DC转换器为2通道;输出电压反馈方式电荷泵为2通道;可通过前馈控制实现良好的线性调节功能(Vlogic,Vs);内置相位补偿元件;内置伽马缓冲器高精度LDO(Vref_o),反馈电压为±0.5%,最大60mA;内置电源延迟接入可调功能的栅极电压整形电路;内置不依赖负载的软启动电路;内置用于Vs时序控制的外置p通道栅极控制功能;内置上升沿时序控制功能;多种保护功能包括短路保护、过电流保护、过电压保护、低电压误动作防止、过热保护;通过管脚控制可实现频率切换功能(500kHz/750kHz)。
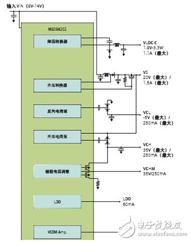
功能不同凡响
我们可以通过图2的功能框图了解该器件的功能。这里主要介绍一下MB39A302的电源电压功能。

图2:MB39A302的功能框图。
MB39A302的电源电压功能用来生成通常液晶面板所需的微控制器用(Vlogic)、源极驱动用(Vs)和栅极驱动用(VGL、VGH)等输出电压。
先看生成Vlogic电压的降压型转换器,其内置过电压保护功能,可以避免该器件因FB2端子开放或对地短路等故障产生的过电压而损坏。保护电路可通过OUT端子监视降压转换器的输出电压。OUT端子电压超过3.7V时,LX2端子上连接的NMOS功率场效应管停止工作,电感器的电流降低,从而使降压转换器的输出降低。当OUT端子的电压降为电压保护阈值之下时,降压转换器恢复正常工作。
再看生成Vs电压的升压型转换器,它采用内置N沟道开关场效应管和脉宽调制(PWM)方式,并通过外接续流二极管构成非同步升压转换器。升压转换器通过输入电压前馈式的电压模式获得优良的输入电压稳压特性,还可以通过外接元件进行相位补偿的设定。通过SW端口与OS端口之间所连接的内置式P沟道开关场效应管(开电阻18Ω)与外接的续流二极管联动,升压转换器可以不受负载影响始终以连续模式进行工作,因而可简单实现相位补偿。
还有生成VGL的反向电荷泵,它固定开关频率工作;输出电压可通过FBN端子上连接的电阻来设置。调节器的调整是通过对驱动电路的泵电流进行控制来实现的。
最后是生成VGH的升压电荷泵,它以固定开关频率工作;输出电压可通过FBP端子上连接的输出设定电阻来设置。调节器的调整是通过对驱动电路的泵电流进行控制来实现的。
此外,Vlogic、VGL、VGH和Vs都配置了防止启动时浪涌电流的软启动功能。软启动时间Vlogic、VGL、VGH大约3ms(固定值),Vs可通过外接电容来设定。
设计支持和规划
富士通半导体为了提供支持大屏幕液晶显示面板和高帧频率(High Frame Rate)的低成本系统,以多年积累的电源芯片模拟技术为核心,通过DC/DC转换器的集成进行系统电源芯片的开发。

图3:MB39A302评估板。
为了帮助用户尽快评估和开发产品,评估板富士通半导体还推出了配合MB39A302的评估板。今后,富士通半导体将进一步针对多样化的液晶显示面板,以外围元件的集成化和低成本化为目标,开发通过I2C接口进行可编程输出电压设定的液晶显示面板系统电源,帮助客户缩短产品开发周期,降低开发成本。
查看评论 回复









