频率可调的移相式正弦波发生器电路 - 数模混合 -
本电路(见下图)是一种频率可调的移相式正弦波发生器电路。其频率稳定度通过实际测试为0.002%。该电路性价比高,用很便宜的几个元件在很宽的频段内。实现频率连续可调。笔者在实验时将频段分为低、中、高三个频段。用拨动开关进行切换。用双联电位器R8、R9调节其阻值,实现了输出频率从0.7Hz~60kHz连续可调的功能。
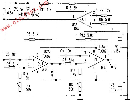
该电路采用±15V供电,通过R1l可调整输出正弦波的峰峰值。只要U1A的放大倍数满足大于l的条件。电路即可产生振荡。输出正弦波的峰值,最大可达20V左右。C3、C4、。R8、R9决定输出频率。其输出最高频率还取决于运放的截止频率。以下是实际调试中输出波形和电容、电位器的参数值:
低频段:0.67Hz~42Hz:双联电位器阻值:100kΩ/lOOkΩ);信号峰-峰值:2l~22V;中频段:27Hz~1500Hz:双联电位器阻值:100kΩ/100kΩ:信号峰-峰值:19.6~17.8V;高频段:1.28kHz~60Hz;双联电位器阻值:lOOkΩ/100kΩ:信号峰-峰值:14~15.5V。
下图电路中A点和B点(输出)与图2中的A点和B点的输出波形卡同对应。
A点为U2A的输出波形。B点为U3A的输出波形。从仿真结果不难看出。A点刚好比B点的相位延迟90度,信号经过U3A再移相90度后。刚好移相180度。此时B点和U1A输出的相位刚好相差180度。电路要求C3、R8和C4、R9两个网络参数的值要完全相同才会获得最理想的波形。由于笔者没有相关仪器,无法测量正弦波的失真度,但是从软件仿真和硬件实验来看,输出波形还是挺让人满意的。
要想实现输出频率的连续调节。
就必须同时改变R8、R9的阻值。实验证明用双联电位器可实现频率的连续调节。
但由于电位器的固有噪声在旋动中会有波形跳动的现象,所以电位器的品质直接影响着频率输出的稳定性。
本电路的最高输出频率取决于C3、C4、R8、R9选频网络的值和运放的响应频率。由于笔者需求的频段是lHz~50kHz,所以未实验本电路的高频特性。理论上如不考虑运放的响应频率。改变RC的值。可使振荡频率工作在几百kHz左右。

查看评论 回复









