招聘
导航
论坛
RSS订阅
网站地图
设为首页
加入收藏
匿名投稿
登陆
|
注册
系统
Linux
|
VxWorks
|
UC/OS ii
|
Android
|
uclinux
|
nucleus操作系统
|
minitos
|
armlinux
|
处理器
DSP
|
ARM
|
FPGA
|
SOC
|
嵌入式处理器综合
|
软件
汇编
|
C/C++
|
proteus
|
protel
|
仿真
物联网
相关
GPU
|
资讯
职场
您现在的位置:
主页
>
电子技术
>
数模电路应用
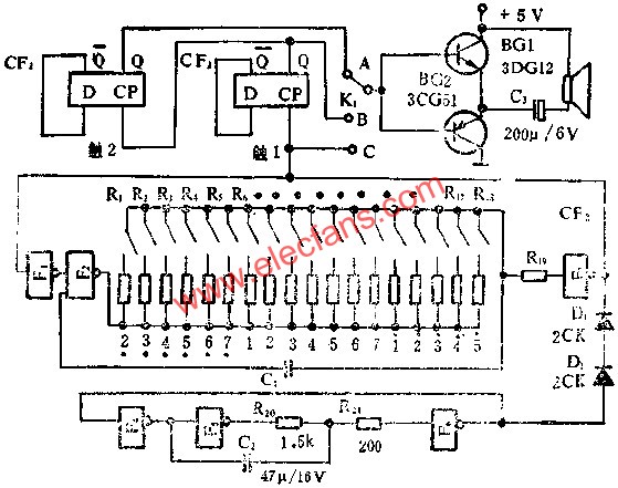
> 与非门、触发器组成电子琴线路图 - 数模混合 -
本文所属标签:
为本文创立个标签吧:
与非门、触发器组成电子琴线路图 - 数模混合 -
来源: 网络用户发布,如有版权联系网管删除 2018-09-29
进入嵌入式论坛与网友讨论>>
查看评论
回复
嵌入式交流网
主页
>
电子技术
>
数模电路应用
> 与非门、触发器组成电子琴线路图 - 数模混合 -
"与非门、触发器组成电子琴线路图 - 数模混合 -"的相关文章
上一篇:
与非门组成小型电子琴线路电路图 - 数模混合 -
下一篇:
与非门组成多用探针线路图 - 数模混合 -
RSS订阅
邮件订阅
返回频道首页
返回到首页
热门文章
♦
跳频控制器的工作原理 - 数模混合 -
♦
不致冷的检波放大电路图及原理 - 数模
♦
嵌入式工业以太网控制方案的研究 - 数
♦
当RF遇到模拟信号和数字信号–EMI测试
♦
简易低频闪光测速器 - 数模混合 -
♦
赛普拉斯PSoC4芯片揭秘:玩转SAR ADC模
相关文章
热门文章
模拟集成电路的测试技术-模拟电子-
如何成为出色的模拟工程师:数字隔离与模拟隔离-模拟电
详解模拟和数字MEMS麦克风设计区别-模拟电子-
数字温度计的模拟部分电路图-模拟电子-
利用外部中断实现模拟串口数据的收发-模拟电子-
物联网/穿戴商机起飞 模拟半导体迎向成长新契机-模拟
TI高精度实验室在线课程 五大特色打造模拟设计达人-模
模拟示波器和数字示波器的区别-模拟电子-
西门子PLC调节阀模拟量输出案例-模拟电子-
用混合信号示波器探测模拟和数字信号-模拟电子-
论坛热帖
相关图文
高显色指数LE
为函数发生器
Peregrine公
光电鼠标的工
德州仪器(TI
创建并移植K1
LTE语音三步
二极管用作AG
二种测光用的
网站地图
资讯
|
嵌入式系统
:
Linux
VxWorks
UC/OS ii
Android
uclinux
nucleus操作系统
minitos
armlinux
嵌入式处理器
:
DSP
ARM
FPGA
SOC
嵌入式处理器综合
职场
|
嵌入式仿真
:
嵌入式软件
:
汇编
C/C++
proteus
protel
论坛
|
嵌入式相关
:
GPU
物联网技术
:
广告服务
|
关于我们
|
稿件投递
|
RSS订阅
|
友情合作
|
加入我们
|
网站地图
|
联系我们
Copyright (C) 2010-2018 www.dianzixuexi.com 电子学习网
嵌入式
开发知识-大学生(电子信息)
嵌入式开发
,
嵌入式培训
,
嵌入式学习
第一门户!
围观()