您现在的位置: 主页 > 电子技术 > 数模电路应用 > 567音频译码器构成的双频振荡电路 - 数模混合 -
本文所属标签:
为本文创立个标签吧:

567音频译码器构成的双频振荡电路 - 数模混合 -

来源: 网络用户发布,如有版权联系网管删除 2018-09-29 

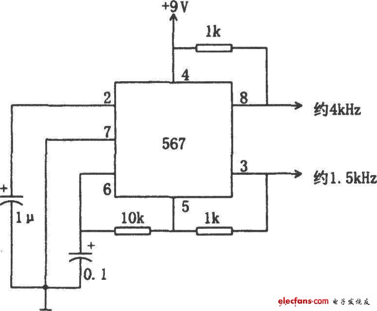
567音频译码器,主要用于自动电话系统,识别收到的电话音调。该集成块的核心是一个高可靠性、高精度锁相环。按图示连接方式和使用的元件数值,两个输出信号频率分别为1.5kHz和4kHz。输出频率可变的方波振荡器是比较通用的,但要从同一振荡电路同时获得两个不同频率的方波输出却相当困难。本电路采用集成电路567可实现上述要求。567音频译码器构成的双频振荡电路:

567音频译码器构成的双频振荡电路



              查看评论 回复



嵌入式交流网主页 > 电子技术 > 数模电路应用 > 567音频译码器构成的双频振荡电路 - 数模混合 -
 

"567音频译码器构成的双频振荡电路 - 数模混合 -"的相关文章

网站地图

围观()