反相比例放大电路 - 数模混合 -
来源: 网络用户发布,如有版权联系网管删除 2018-09-29
集成运算放大器按照输入方式可以分为同相、反相、差分三种接法,按照输入电压
与输出电压的运算关系可以分为比例、加法、减法、积分、微分等,输入方式和运算关系组
合起来,可以构成各种运算放大器。
1. 反相接法
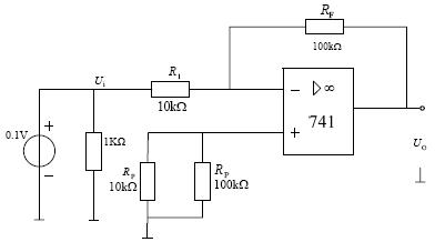
(1)反相比例放大电路(图3.8a.1)的输入信号从运算放大器的反相输入端引入,输
出信号与输入信号反相,并按比例放大为

式中A0为运算放大器的开环电压放大倍数, rid为差模输入电阻。在开环电压放大倍数
及差模输入电阻极大的条件下,可把运算放大器看作是理想的,则上式可以简化为
电压放大倍数
集成运算放大器的输入级是由差动放大电路组成,它要求反相和同相输入端的外电阻相
等,因此要在同相输入端接入平衡电阻

图3.8a.1 反相比例放大电路
(2)反相加法运算电路(图3.8a.2)为若干个输入信号从集成运放的反相输入端引入,输
出信号为它们反相按比例放大的代数和。


图3.8a.2 反相加法电路
查看评论 回复
"反相比例放大电路 - 数模混合 -"的相关文章
- 上一篇:超声波撵狗器电路图 - 数模混合 -
- 下一篇:反相加法电路 - 数模混合 -









