带有放大功能的平衡调制解调器电路图 - 数模混合 -
来源: 网络用户发布,如有版权联系网管删除 2018-09-29

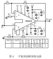
平衡调制解调器电路图
图4是带有放大功能的平衡调制解调器。在无线电传输过程中,往往将载波抑制掉而只传输边频分量。上边频和下边频一同传输的叫双边带传输,只传输一个边频分量叫单边带传输。当用边带传输方式时,接收到的信号必须恢复其载波,才能检出低频信息。能够抑制载波的调制器叫平衡调制器;能够从双边带或单边带信号中检出低频信号的检波器叫同步检波器。如果图4中的u1为低频调制信号,u2为高频载波信号,而且载波信号的幅度足够大(可作为切换通道的开关信号),其输出就是载波被抑制的调制信号,即实现了平衡调幅。如果图4中u1为接受到的带信号,u2为要恢复的载波信号(参考信号),则输出电压中就包含了低频调制信号分量,经滤波就能得到调制信号,从而实现同步检波。
查看评论 回复









