采用线阵CCD的便携式光谱采集系统设计 - 数模混合 -
微量物质成分及含量分析在科研、安检等领域发挥着重要的作用。目前,微量成分分析常用的方式是使用分光光度计,其原理是利用物质对光的吸收特性,测量其吸光度,通过吸收峰的位置估计物质的成分,并利用峰的高度来估计成分的含量。传统的分光光度计主要应用在物质的分析与检测上,功能比较单一。随着芯片集成技术的发展和光栅技术的进步,现在的分光光度计在功能、体积、检测速度上发生了革命性的改变。例如,利用分光光度计来组成田野土壤监测网络,可以实时检测土壤的物质含量,使得农业生产者能有效的针对某块区域进行土壤的改良从而提高产率。
分光光度计的核心部分是光谱采集和处理系统,其通过光电转换器件把经过物质吸收后的光谱信号采集进来,并通过显示器件实时显示。传统的分光光度计通常采用光电管来实现这一转换,由于光电管的体积较大,而且需要复杂的机械装置把光谱投射到光电管上,因此传统的分光光度计体积非常笨重,而且价格也十分昂贵。CCD技术的发展使得分光光度计发生了革命性的变化,由于CCD技术的易集成、采集速度快等优点使得分光光度计逐渐朝着微型化和便携性方面发展。
本文提出的分光光度计的光谱采集系统通过使用CCD与微处理器件的协调工作,可以用来测试可见光波段的吸收强度并能初步的估计吸收量的大小,从而为物质分析提供参考。
1 CCD驱动及噪声处理技术研究
1.1 CCD驱动时序研究
CCD作为光电转换的理想器件是因为其较低的噪声、较高的转移效率和较快的光谱响应,其采用交替变换的脉冲来移出储存在其中的光信号并以电压输出的方式表示。由于转移效率较高,因此其工作频率一般在MHz标准。本文采用的CCD器件则是最高转移频率在1 MHz的东芝公司生产的TCD1208AP线阵CCD器件。TCD1208AP由2 212个基本像元组成,其中可用来进行光谱数据转换的像元只有2 160个,其他的像元用来控制噪声和填充数据帧。TCD1208AP每个像元的尺寸为14μm×14μm,所以对色散器件的色散能力要求不是很高,同时其拥有较高的光灵敏度以及较高的工作频率使得其光谱采集的速度非常快,达到ns级别。利用物质吸收单色光的特性,在色散器件的作用下,把波长不同的光映射在CCD传感器上的每个像元位置,每个像元位置对应一个波长的光的强度。像元与波长的关系可以通过微处理器来进行标定,传感器采集不同波长的光信号,光信号的强度与CCD受照射的时间(CCD的积分时间)有关,通过改变积分时间可以影响每个像元上光强度的大小。
TCD1208AP正常的工作需要四路驱动脉冲,即积分时间控制脉冲SH、像元内光信号转移脉冲φ1和φ2以及清除CCD像元内剩余电荷的复位信号RS。四路驱动脉冲的时序图如图1所示。

RS一般工作在1 MHz的速度,其脉冲的占空比为30%,φ1,φ2工作的占空比为50%,SH为CCD的积分时间控制脉冲。在RS为1MHz的情况下,SH的周期为452 ms,也即2212个RS周期的时间。开始工作时,φ1,φ2必须先于SH处于高电平,以便SH到来时能马上建立电势差,从而使得CCD的电荷顺利转移出去。
1.2 CCD噪声处理技术探讨
TCD1208AP的输出信号有VOS和VDOS,其中VOS为掺杂了噪声的有效输出信号,其噪声的主要成分为RS引起的复位噪声,VDOS为补偿输出端。
CCD的输出信号掺杂有直流电平和RS复位脉冲,因此在进行模拟到数字的转换时,必须把其中的直流电平(图示为1.08 V)和RS(1 MHz的复位脉冲)脉冲滤除。直流电平的滤除可以使用VDOS补偿输出,通过VOS与VDOS之间的加减运算来实现。图2所示的即为滤除直流电平后的信号图,图中信号c为不带直流电平而带有复位噪声的光谱吸收信号。有效的光谱吸收信号在复位脉冲之后,物质对不同波长光的吸收程度体现在该信号的大小上。

复位噪声的消除是通过对模拟到数字中的采样点的选择来实现。通过把采样的时刻设定在有效的光谱信号区域,并把该时刻视频信号的电压值转换为数字量,以便进行后续的信号处理过程。而采样的脉冲有两种来源,一是通过引入额外的脉冲源,通过精确的控制来实现;二是使用CCD的复位脉冲RS来实现,通过观察发现CCD的复位脉冲RS的脉宽区恰好位于CCD有效的光谱信号区域,因此可以用复位脉冲作为模拟到数字信号转换部分的采样脉冲输入端。
2 光谱采集系统中关键硬件电路设计
光谱采集系统的硬件电路主要用来实现物质吸收光谱的采集、转换以及对转换后的光谱数据进行适当的处理,因此,稳定、高精度的硬件电路是光谱采集系统有效精确工作的基础。
2.1 CCD驱动及CCD预处理电路设计的研究
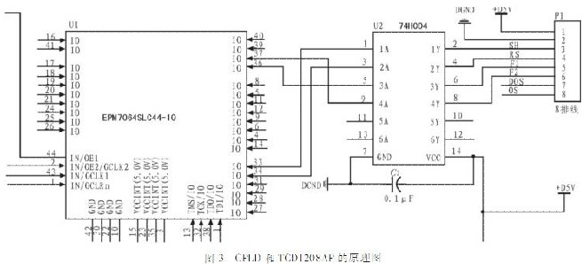
CCD的正常工作需要精确时钟的配合,选用TCD1208AP线阵CCD作为本文的光电转换器件,其需要四路时钟脉冲的驱动:SH,φ1,φ2,RS。四路脉冲的幅值为5 V,属于标准的TTL逻辑电平。在驱动设计时可以使用微处理器来实现也可以使用FPGA或者CPLD等逻辑阵列来实现。但微处理器的时钟精确度相对于逻辑阵列比较低,且存在相位不同步的问题,因此,本文设计的方案使用CPLD来实现,其芯片为Altera公司的MAX7000系列的EPM7064SIA4,其IO口具有5 V电平的输出能力,可以和TCD1208AP直接连接而无需其他电平转换芯片,硬件连接图如图3所示。

CPLD使用10 MHz的有源晶振输入,为了提高CPLD的驱动能力,使用了反相器74HC04对CPLD输出的驱动脉冲进行放大,由于74HC04的反相作用,因此,CPLD的驱动脉冲的高低电平与正常驱动CCD的脉冲必须是反相的。CPLD输入的时钟clk为10 MHz,通过HLD硬件编程语言实现十分频,输出1 MHz的CCD复位脉冲。
1.2 节讨论利用VOS与VDOS的加减运算来实现光谱
信号中直流电平的滤除,硬件则利用运算放大器来实现这一过程。本系统采用AD公司的AD8051运算放大器,其工作带宽最高达110MHz,较低的建立时间使得其处理高频信号的能力较强,根据基本运算放大器计算规则,得出输出信号Vout为:

调节R9的值则可以改变Vout的输出值,此时的Vout就是没有直流电平的物质光谱吸收信号。
经过处理后的物质吸收光谱信号,进入AD转换模块,在该模块可以对光谱信号中的复位脉冲进行滤除,从而得到有效的光谱信号。采用的AD转换芯片是BB公司的8 bit模拟到数字转换芯片,其采样率可以达到60 MHz以及49.5 DB的高信噪比,使得其转换速率和精度满足光谱采集系统的高速和高精度的要求。ADS830需要4个时钟周期才能完成数据采样和数字信号的输出,在接收ADS830转换的数字信号时需要控制好接收数据的时刻,以便准确无误的得到需要的数据。

图4为使用ADS830来进行光谱数据数字化的转换电路,ANALOGIN输入则是通过AD8051后处理的不带直流电平的光谱数据。由于ADS830的输入端电压范围是1.5~3.5 V,因此,为了使得经过AD8051的光谱信号处于这一范围,需要通过调节R9的值来实现。D1~D8则是转换后的光谱信号,该信号送入微处理器进行后续处理。
2.2 光谱数据处理电路及液晶显示动态曲线研究
本文采用的微处理器是STC公司的STC89C52RC,其带有额外的P4口,使得IO口资源更加丰富,由于这款单片机的内核是基于C51的,因此其机器周期还是传统的12T模式,但是STC可以通过下载程序的模式设置来使用6T模式工作,即超频工作。本系统微处理器的时钟为24 MHz,使用6T模式工作:6个时钟周期为一个机器周期,指令周期为0.25 ns。由于其内部存储资源的限制:内存为512个字节,ROM空间为8 K。如果直接对ADS830转换后的数字信号进行处理,会导致数据的丢失,并且转换后的光谱数据的速率达到了1 MHz(周期1 ns)。基于以上两点,需要使用缓冲装置来暂存数据,以便单片机有效的对光谱数据进行处理。
文中采用了具有先进先出特性的异步FIFO芯片IDT7205,其内部有8 K字节的存储空间,可以有效地对光谱数据进行缓冲。RS为其复位脉冲,低电平有效,一个有效的复位需要W和R处于高电平才能完成,只有在RS有效低电平过后,W和R才能进行操作。复位后的IDT7205读写指针
地址相等且位于0位置。EF和FF为指示标志位,其中EF为内部空标志位,其有效的低电平说明此时IDT7205里数据已经读取完,等待写入数据,而FF则表示内部数据空间已经写满,需要尽快读出里面的数据。IDT7205复位后,这两者都处于低电平,因此在编程的时需要进行区分。

图5为IDT7205的硬件连接图,其中D1~D8为ADS830转换后的数字光谱信号,Q1~Q3则与STC89C52RS连接,这样单片机就有比较充足的时间和空间来处理光谱信号,并对处理后的信号进行显示。
文中设计的光谱采集系统可以使用电脑端和LCD端两种方式来实现光谱数据的显示,描绘其吸光度曲线,并得出吸收峰峰值和对应于该峰峰值的波长。电脑端的显示比较简单,通过PC机较强的数据处理能力能较好较快地显示吸光度曲线,而对于LCD19264来说,则有比较多的细节需要处理。文中采用的是带背光的LCD19264
查看评论 回复









