555方波三角波发生器 产生器电路图 - 数模混合 -
来源: 网络用户发布,如有版权联系网管删除 2018-09-30
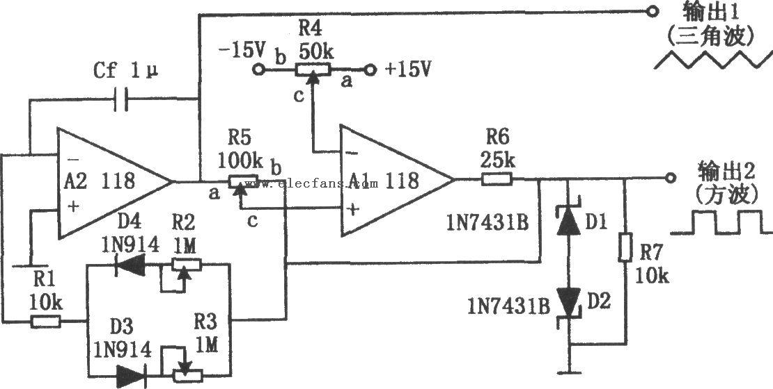
如图所示为稳定的方波和三角波发生电路。该电路的特点是:方波和三角波的频率几乎相等,正、负向振幅对称;三角波的正、负斜率不受振幅变化的影响,而且正、负斜率可以分别调节。此外,调节基线电平时不会改变输出波形。运算放大器A2为积分器,它由运放A1的输出方波驱动。方波的振幅由两个齐纳二极管D1、D2固定在5V。电位器R3调节三角波的正斜率,R2调节三角波的负斜率,R5调节三角波的振幅。如果只需要相同的正、负斜率,则D3、D4和R2可以省掉。运算放大器A1为比较器。参考电压由电位器R4调节,R4决定输出的基线电平,但是不会影响振幅和斜率。最高工作频率由运算放大器的转换速率、最大输出电流以及二极管的开关速度决定。
三角波振幅:

方波振幅:(由二极管D1、D2决定)

查看评论 回复









