单片机测控系统的抗干扰措施 -
[导读]单片机测控系统的电路较复杂,产生干扰的原因很多。下面几种常用的抗干扰措施。1、切断干扰的传播途径1)增加干扰源(如电机、继电器)与敏感器件(如单片机)的距离,用地线把他们隔离或者在敏感器件加上屏蔽罩。2)
单片机测控系统的电路较复杂,产生干扰的原因很多。下面几种常用的抗干扰措施。
本文引用地址: http://www.21ic.com/app/eda/201203/108426.htm
1、切断干扰的传播途径
1)增加干扰源(如电机、继电器)与敏感器件(如单片机)的距离,用地线把他们隔离或者在敏感器件加上屏蔽罩。
2)电路板合理分区,将强信号、弱信号、数字信号、模拟信号电路合理地分区域布置。
3)单片机和大功率器件的地线要单独接地,以减小互相干扰。大功率器件要尽可能布置在电路板的边缘。
4)在单片机I/O口,电路板连接线等关键地方,使用抗干扰元件可显著提高电路的抗干扰性能。
5)晶振与单片机引脚尽量靠近,用地线把时钟区隔离起来,晶振外壳接地并固定。
2、尽量采用抗干扰性能强的单片机
1)、降低单片机内部的电源噪声
在传统的数字集成电路设计中,通常将电源端和地端分别布置在对称的两边。例如左下角为地,左上角为电源。这使得电源噪声穿过整个硅片。改进方法将单片机的电源和地安排在两个相邻的引脚上,这样不仅降低了穿过整个硅片的电流,还便于印制板上设计电源退耦电容,以降低系统噪声。
2)、降低时钟频率
单片机测控系统的时钟电路是一个调频噪声源,它不仅能干扰本系统,还对外界产生干扰,使其他系统的电磁兼容检测不能达标。在保证系统可靠性的前提下,选用时钟频率低的单片机可降低系统的噪声。以8051单片机为例,当最短指令周其为1US时,时钟是12MHZ。而同样速度的MOTOROLA兼容单片机的厂商在不牺牲运算速度的前提下,将时钟频率降低到原来的1/3。特别是MOTOROLA公司新推出的68HC08系列单片机、内部采用了锁相倍频技术,将外部时钟除至32KHZ,而内部总线速度却提高到8MHZ,甚至更高。
3)、EFT技术
随着超大规模集成电路的发展,单片机内部的抗干扰技术也在不断进步。MOTOROLA公司新推出的68HC08系列单片机,采用EFT技术进一步提高了单片机的抗干扰能力,当振荡电路的正弦波信号受到外界干扰时,其波形上会叠加一些毛刺。若以施密特电路对其整形时,这种毛刺会成为触发信号干扰正常的时钟信号。但是交替使用施密电路和RC滤波可以使这类毛刺不起作用,这就是EFT技术。
3、单片机测控系统中的频率抖动技术
将频率拉动信号叠加到输入信号的随机噪声上,虽然会增加转换的总噪声,但增加的噪声是用来补偿输出数码量化噪声的,可使量化误差不再输入信号的函数而是抖动噪声瞬时值的函数。因此,利用频率颤抖信号可去除量化噪声与输入信号之间的相关性。频率拉动信号的大小通常约为1/3LSB有效值。例如,在未加频率拉动的情况下,ADC输出的量化噪声是瞬时输入信号幅度的函数,量化拉动之后,因抖动信号的幅度不依赖于输入信号,故量化噪声与输入信号无关,从而消除了ADC输出谐波分量,但这是以增加总噪声为代价的。需要指出的是,并不一定在ADC输入端实际施加颤抖噪声,也可利用地转换器的热噪声作为频率抖动信号,但ADC要有足够的输出位数以确保能够去除输入信号与量化噪声的相关性。
4、防止漏电流的技术
应当在清洁、干燥、通风、环境温度适宜的条件下使用智能化单片机测控系统。系统受潮后导致绝缘电阻下降,会产生漏电流。轻测使测量误差增大,控制不灵;重则会造成适中故障,损坏元器件。例如,当印制板受潮时,A/D转换器输入阻抗下降,读数不准,并且伴有跳数现象。这也是一些数字电压表在雷雨季节无法正常工作的主要原因。对于受潮的印制板,可用无水酒精擦净表面,然后用电吹风烘干,以消除漏电。
有些精密集成电路,专门设置了防止极间漏电用的保护环。例如由美国哈里斯公司生产的ICL7650型斩波自稳零式精密运算放大器,HI7195A型带微处理器的5 1/2位A/D转换器,均设置了两个保护环引出端。设计电路时将两个保护环接地,即可消除印制板上轻微漏电对测量所造成的影响。
5、滤波技术
滤波是指从混有干扰或噪声的信号中获取有用信号的方法,能实现上述功能的部件叫滤波器。在数字仪表中常见的滤波器主要有三种:无源滤波器,有源滤波器,数字滤波器。
1)无源滤波器
无源滤波器是由R、L、C元件构成的,根据干扰信号的特点,可选低通滤波器、高通滤波器和带通滤波器。此外还有带阻滤波器等类型。对于50HZ电磁场干扰,可在测控系统输入端加一级双T滤波器。
2)有源滤波器
有源滤波器是包含有源器件(例如晶体管、运算放大器)的各种滤波器。与单纯使用R、L、C元件的无源滤波器相比,能省去体积庞大的电感元件,便于实现小型化、集成化。有源滤波器适用于较低频率的滤波。二阶有源带通滤波器的典型电路参见下图。

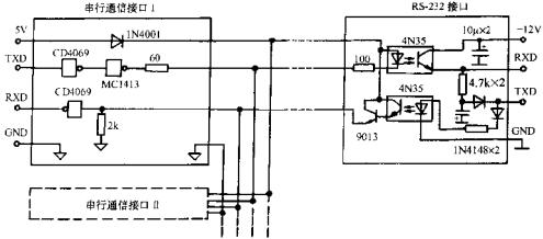
6、隔离技术
所谓隔离技术,是指将噪声源与信号线相互隔离开的技术。在单片机系列中经常采用光耦合器来实现传感器与输入通道的隔离、I/O接口的隔离及内部电路的隔离。此外,在远距离传输信号时,也需要采用光电隔离技术。一种采用光电隔离技术的网络通信接口电路如下图所示。在对被传输的模拟信号进行隔离时,宜选用线性光耦合器,其电流传输比接近于常数。

此外,在测试系统中还经常用变压器隔离,继电器隔离,贝母隔离等技术。
7、抵制传输线上的干扰
传输线宜选用双绞线或同轴电缆屏蔽线,尽管双绞线的频带较窄,但其波阻抗高,抗共模干扰能力强,双绞线上的每个小环路的电磁感应用干扰能相互抵消,并且其分布电容较大,可起到积分电容的效果,因此对电磁场具有一定的抵制作用。使用长传输线时需要注意阻抗匹配问题。否则传输线上会产生反射波,造成信号失真。
8、正确选择接地点
在单片机测控系统内部,大致有6种地线:信号线、模拟地、数字地、功率地、交流地和屏蔽地。
设计整机电路时应根据技术条件和实际情况来决定究竟是浮地还是接地,需要采用哪种地线,选择单点接地还是多点接地。
9、传感器的屏蔽
在工业现场使用集成温度传感器时,很容易引入干扰。为提高信噪比,可以给传感器加上屏蔽。有些温度传感器,采用TO-52型金属壳封装,并且专有一个管脚接管壳。使用时将此脚接地,即可由管壳起来屏蔽作用。对于塑料封装的集成温度传感器,必要时可用薄铜管做外屏蔽,把传感器装入后再用环氧树脂封固,二者保持绝缘。这种全密封式传感器特别适合测量液体和蒸气的温度。
10、塑料机的屏蔽
目前,采用ABS工程逆料制成的塑料机箱以其造型美观,携带轻便等优点,深受人们的青睐。为使机箱具有屏蔽作用,可用喷涂、真空、沉积等方法在机箱内表面覆盖一层导电膜。也可以自己加工屏蔽层,在机箱内表面粘粘一层铝箔,再与公共地连通。
11、元器件的选择 为降低元器件的噪声,应尽量采用金属膜电阻和低噪声的有源器件。为了减小温度漂移,全部元件需经过高、低温老化处理。必要时,前级放大器、有源滤波器要加温度补偿电路。A/D转换器的积分电容应选漏电小、介质损耗因数低的聚丙烯或聚苯乙烯电容。ICL7650型精密运放和IC7660型DC/DC转换器泵电容,均应采用钽电容。 能用低速器件就不用高速器件,高速器件只用在关键的地方。 12、消噪电路 带隙基准电压源是一种作为电压基准的高稳定度电压源,目前正广泛用于数字仪表、智能仪器及测试系统中。在基准电压输出端并联一只0.1UF的消噪电容,能滤除高频噪声。 当电路的输出状态维持不变时允许加到输入端的噪声电压最大值,称为电压噪声容限。噪声容限愈高,说明器件的抗干扰能力,应尽量CMOS电路来代替TTL电路。CMOS电路的噪声容限可达电源电压的40%,而TTL电路大约只有电源电压的16%。 13、电源即耦电容 单片机测控系统中许多电路都是公用一个直流电源的。这就要求电源线不得在各电路之间引入干扰,并且当负载发生变化时直流电源线上不应产生波动。但实际上很难做到,因为直流电源的内阻抗,并且当负载发生变化时直流电源线上不应产生波动。但实际上很难做到,因为直流电源的内阻抗和电源引线的交流阻抗不可能为零。利用退耦电容不仅能降低直流电源的内阻抗,还能避免各电路之间通过电源线相互干扰。 在单片机测控系统中使用了大量的数字IC,而每片数字IC本身都是一个脉冲干扰源,它们也会通过电源线相互干扰。解决办法是在印制板电源进线端并联一只10UF~100UF钽电容进行电源退耦,同时在每个芯片的电源进线端再并联一只高频、低分布的电感的陶瓷电容,容量一般取0.1UF,当频率超过15MHZ时,可取0.01JF,电路如图所示。退耦电容的引脚要尽量短。

查看评论 回复
"单片机测控系统的抗干扰措施 -"的相关文章
- 上一篇:电磁干扰滤波器的构造原理与应用及其测试方法 -
- 下一篇:软件的自保护技术 -









