ICE1QS01及其应用电路与设计 -
[导读]引言 ICE1QS01是英飞凌公司推出的一种输出功率范围从1W到300W,带或不带功率因数校正(PFC)的反激式变换器控制器。该控制器IC工作在准谐振模式,典型应用包括TV,VCR,DVD播放机,卫星接收机和笔记本电脑适配器等。
引言
ICE1QS01是英飞凌公司推出的一种输出功率范围从1W到300W,带或不带功率因数校正(PFC)的反激式变换器控制器。该控制器IC工作在准谐振模式,典型应用包括TV,VCR,DVD播放机,卫星接收机和笔记本电脑适配器等。
为了在轻载下降低功率消耗,ICE1QS01随着负载的减小,其开关频率逐步数字式地降至20kHz的最低值。同时,随频率降低保持准谐振模式。在从满载到空载的整个负载范围内,能够平稳工作。当工作频率降低时,IC的数字抗抖动电路可以消除过零信号的连续跳动,尤其是可以避免电视机中因偏转引起的负载连续变化产生的抖动。为了减小功率MOSFET的开关应力,功率晶体管总是在最低的电压上接通。电压调整既可利用内部误差放大器,也可利用外部光耦合器。由于采用新的初级调节方法,在变压器控制绕组与控制输入之间的外部整流电路,可用一个电压分配器来取代。在待机模式下,IC自动进入突发模式,待机输入功率远低于1W。保护功能包括Vcc过压/欠压锁定,主线电压欠压关断和电流限制等。ICE1QS01的启动电流仅约50μA,它是一种低功耗绿色SMPS芯片。
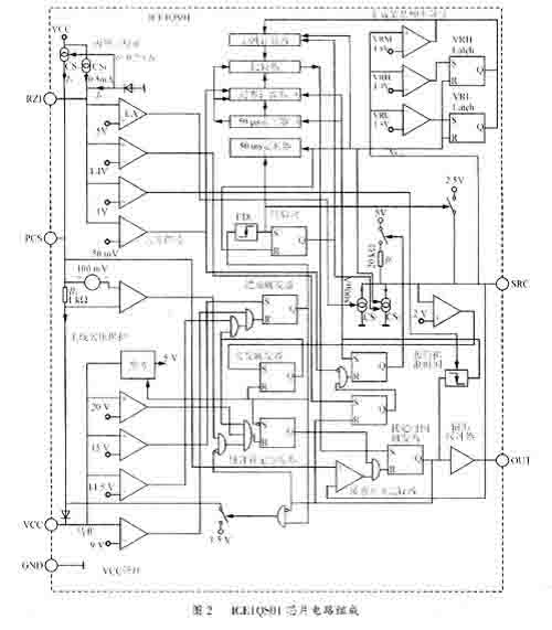
1 芯片的封装与电路组成及其功能与工作原理
ICE1QS01采用P-DIP-8-4封装,引脚排列如图1所示。表1列出了各引脚的功能。



ICE1QS01芯片主要由比较器,触发器和数字处理电路组成,具体如图2所示。
在图2所示的电路中,左上角部分为折弯点(foldbackpoint)校正单元。该部分电路的功能是在MOSFET导通期间,从脚RZI流出一个电流,电流源CS4提供的0.5mA的电流被扣除,所得到的电流I4乘以0.2(即为I3),被馈送到IC的PCS脚,从而增加PCS脚外部电容的充电电压斜率。当AC线路电压升高时,MOSFET的导通时间缩短,最大输出功率保持不变。主线电压通过Vcc偏置绕组并经连接在脚RZI上的一支电阻来检测。
在脚RZI内部,门限电平5V和44V的比较器用于初级调整,门限电平1V和50mV的比较器分别是振铃抑制时间比较器和过零信号比较器。
在图2的右上角是计数器、定时器和比较器组成的数字频率降低电路以及反相输入端为VRM=4.8V与VRH=4.4V并带VRH锁定的比较器和反相输入端VRL=3.5V并带VRL锁定的比较器。
在图2的中央是软启动和通—断(on-off)触发器。软启动触发器通过通—断触发器的上升沿(并利用沿检测器ED1)置位。通—断触发器通过反相输入端15V的比较器(图2左下方)置位。该比较器上面是20V的Vcc过电压比较器,下面是145V和9V的欠电压比较器。IC脚PCS内部电阻R2连接一个开关,该开关由一个与门输出控制,与门的输入来自通—断触发器的输出。在开关接通时,脚PCS外部电容放电到15V。当进入PCS脚的电流低于100μA时,在主线欠电压比较器输出产生一个低电平输出信号。该输出信号经一个与门和或门电路置位脉冲锁定触发器,与门的另一个输入是接通时间触发器的反相输出。
位于图2中间下方的是突发触发器和脉冲锁定触发器。突发触发器由IC脚SRC内的2V比较器输出置位。突发触发器的输出,连接到脉冲锁定触发器的置位输入。脉冲锁定触发器的输出,影响接通时间触发器的复位输入。接通时间触发器的输出,连接到IC脚OUT内的输出缓冲器。脉冲锁定触发器也可由20V的过电压比较器置位。
IC脚SRC内部的电流源CS1为SRC脚外部电容器提供500μA的放电电流。与CS1并联的电流源CS2,通过软启动触发器激活。CS2的电流通过50ms定时器控制逐步改变,以此为软启动产生上升的调节电压。
一个20kΩ的上控电阻R1下端在内部连接到SRC脚,上端通过开关连接到5V的参考电压。该开关由一个触发器的输出控制,该触发器通过接通时间触发器的输出下降沿置位,以产生振铃抑制时间。接通时间触发器由过零信号经过一个与门复位,该与门的另一个输入是下部第二个触发器的输出。当RZ1脚上的脉冲高度超过44V的门限时,第二个触发器置位。
在图2右上部的数字频率减小电路中,4位加/减(UP/DOWN)计数器的寄存数决定变压器退磁后的过零信号数。过零信号计数器计数输入过零信号,并由一个比较器检测和放大。只要过零计数器存储数与加/减计数器存储数相等,比较器就发送一个输出信号至接通时间触发器,从而使功率MOSFET导通。为避免抖动,加/减计数器的存储数仅在50ms定时器确定的每个50ms周期之后加1或减1改变,这种变化取于VRH和VRL锁存状态。如果两个锁存处于低态,计数器增加1。如果仅VRL锁定置位,加/减计数器仍不变化。如果VRL和VRH被置位于高电平,加/减计数器减少1。在此之后VRH与VRL锁定被复位。在接下来的50ms内,VRH与VRL锁存将再次置位。当IC脚SRC上电压VSRC<3.5V时,VRL锁定置位,加/减计数器加1;当VSRC>4.4V时,VRH锁定置位,加/减计数器减1。在一个大的负载跳跃这后,为能迅速调节到最大的功率电平上,只要VSRC>4.8V时,加/减计数器被置位到1(0001)。
2 应用与设计
2.1 应用实例与电路简析
图3是由ICE1QS01作控制器的200W高端电视机SMPS电路。该电路输入AC90~264V,4路输出电压/电流分别为135V/0.75A,30V/1.2A,15V/0.5A和7V/1.2A。连接于桥式整流器输出与大容量滤波电容C07之间线路上的电感器L08,二极管D08以及在D08正极与功率开关S01漏极之间的电容C08,组成PFC电荷泵电路。其作用是与输入端EMI滤波器一起,可在桥式整流器输入端产生正弦波电流。ICE1QS01内集成低功率待机突发模式电路,可使待机输入功率低于1W。在负载减小时,利用集成数字处理电路能使开关频率逐步降低,并不产生任何抖动。当待机开关S1断开时,参考二极管D60导通,输出电压V2调节值由齐纳二极管D61确定。当ICE1QS01脚4上的VSRC低于2V时,集成在芯片上的突发模式电路启动。在激活内部突发模式比较器后,栅极驱动输出(OUT)切换到低电平,Vcc关闭门限由正常模式下的9V增加到14-5V。在突发模式期间,MOSFET导通时间至少为其最大导通时间的1/7。在突发之间的中断时间(tbreake)缩短,输出纹波通过跨越在AC主线输入与二极管D26和D27接点之间的电容C21的一个附加充电电流而降低。
二极管D62为正常模式与待机突发模式之间的过渡状态而加入。当待机开关S1闭合但输出V2已经无载时,加入D62可保证在突发模式下的正常周期。当V2变低时,参考二极管D60被关断。
ICE1QS01脚3外部电阻R38和R29充当变压器脉冲的分压器,脚3上的脉冲幅度约为4V。电容C29用作减小变压器过冲。其脚2与DC干线电压之间的电阻R22决定欠电压锁定门限。R22与电容C22相结合,可固定最大可能输出功率。

2.2 主要元件选择
2.2.1 变压器设计要点
在图3所示的应用电路中,变压器T1的参量已基本标明。在此仅简要叙述变压器的计算公式。
首先,必须计算SMPS最大输入功率。若SMPS最大输出功率为Pout(max),效率为η(通常取80%),最大输入功率Pin(max)为

在最低AC线路电压VAC(min)下,SMPS初级平滑电容器(如图3中的C07)上的DC电压VDC(min)为

式中:Fhum=0.9,为初级电容器上100Hz电压纹波系数;
VAC(min)在通用宽范围AC供电线路下,通常为85V或90V。
在最高AC线路电压VAC(max)(如264V)下,初级电容器上的最高DC电压VDC(max)为VDC(max)=VAC(max)Fcp(3)

式中:Fcp为在初级电容器上的过电压因数,当SMPS不带PFC时,Fcp=1;若SMPS带PFC,Fcp=1.1。
通过初级绕组的最大平均电流IP(max)可由式(4)计算。

式中:Vd(max)=600V,为MOSFET允许最高漏极电压;
Bmax=300mT,为变压器磁芯最大允许磁通密度;
Fos为初级绕组过冲因数,当不带PFC时,

MOSFET最大导通时间ton(max)和最大截止时间toff(max)分别可用式(8)和式(9)计算。

如果SMPS最低频率fmin<20kHz,即进入可闻音频范围,应根据式(5)重新计算,Bmax取一个较低的值。 2.2.2 ICE1QS01各引脚外部主要元件的选择考虑
对于图3所示的应用电路,IC1(ICE1QS01)各引脚外部主要元件的选取依据如下。
1)IC1脚2(PCS)上的电阻R22与电容C22当流入脚2的电流低于100μA时,内部主线欠压保护电路启动。在电容C07上的最低DC电压VDC(min)根据式(2)取114V,于是R22=1.14MΩ,可取1MΩ标准电阻。 当R22选定之后,电容C22可根据式(11)计算。

式中:Nr为变压器(T1)调节绕组匝数。
当选取VDC(min)=114V,Nr=7匝和Np=28匝时,R38=57kΩ,可选取56kΩ标准电阻。
R29与R38组成调整绕组感应电压的分压器。调整绕组感应电压(正值)为15V,考虑到初级和次级调节,R29可根据式(13)和式(14)确定。

在R38=56kΩ下,R29取值范围为20~28kΩ。
电容C29的计算公式为
C29=1000ns/R38(15)
据此,C29可选择22PF的陶瓷电容器。适当选择C29可在脚3得到令人满意的电压波形,保证MOSFET在最小的漏极电压上导通。 3)脚4(SRC)上接地电容C28
接电容影响调整尤其是初级调整的速度,但不影响软启动速度(原因是内部数字软启动电路被激活)。C28通常选取1.5~10nF的容值。
4)脚7(OUT)外部MOSFET栅极电阻R35
选择R35=33~100Ω,在MOSFET功率耗散与射频噪声(EMI)之间提供较理想的折衷方案。 5)脚8(VCC)外部阻容元件
电容C26容量选取33μF(25V)即可。若C26过大,启动时间过长,并且突发频率较低。
C27充当射频滤波电容,可选取C27=100nF。
电阻R26可用于增加突发频率,取值范围为0~50Ω。R37充当射频滤波元件并对Vcc起稳定作用,取值范围为0~100Ω。
ICE1QS01脚5(OFC)不用接地。
3 结语
ICE1QS01是一种被优化的新型准谐振控制器,其采用的适合于低端电视的低成本初级调节可以确保SMPS安全、可靠和有效地工作。这种调节技术因无须被隔离的次级反馈环而降低了成本。为了满足低待机的需要,此IC特别增加了间歇模式和采用了独特的数字式减频特性的技术,消除了影响系统稳定性的抖动和支持稳定的输出电压。
来源:1次
查看评论 回复









