基于FPGA平台的手持式频谱分析仪的设计原理 - FPGA外设/外围电路
课题研究的目的和意义
频谱分析仪可以方便设计人员确定干扰信号的频率范围,以便选择合理的滤波方案,但一般的频谱分析仪体积较大,不便于工业现场使用,因此设计手持式频谱分析仪,便于携带,功耗低,可长时间记录数据,还可通过网络远程操作。
本频谱仪的设计是以赛灵思的FPGA为核心,先在模拟前端驱动可编程放大器完成模拟信号的放大及电平迁移,然后按设定的采样频率驱动ADC完成数据采集,之后完成快速傅立叶变换,最后将结果显示在4寸彩色液晶屏上,并按设定存储数据或是通过网络传输数据。
频谱分析在生产实践和科学研究中有着广泛的应用。所谓频谱分析就是将信号源发出的信号强度按频率顺序展开,使其成为频率的函数,并考察变化规律。对于一个电信号的研究,我们可以分析它随时间变化的特性,也可以由它所包含的频率分量(即频谱分布)来描述。通常把前者称为时域分析,后者称为信号的频域分析。对信号进行频谱分析,可以得到信号的频率结构,了解信号的频率成分或系统的特征。在此基础之上,可实现对信号的跟踪控制,从而实现对系统状态的早期预测,发现潜在的危险并诊断可能发生故障的原因,对系统参数进行识别及校正。因此,频谱分析是揭示信号特征的重要方法,也是处理信号的重要手段。而进行频谱分析的仪器就是频谱分析仪,它能自动分析电信号并在整个频谱上显示出全部频率分量情况,确定一个变化过程(称为信号)的频率成分,以及各频率成分之间的相对强弱关系。
频谱分析仪的应用非常广泛,而各行各业、各个部门对频谱分析仪应用的侧重点也不尽相同,对于需要在野外或测量现场来回测试、检查的应用,体积较大,重量较重,便携性不好的频谱分析仪就显得非常不方便,若有体积小、重量轻、便携性好的频谱分析仪,则会给其应用带来很大的方便,更好的发挥频谱分析仪的作用
对于频谱分析仪的具体应用,主要有以下几个方面:
(1)对信号参数进行测量
(2)用于信号仿真测量
(3)用于电子设备调试
(4)用于国防
课题研究的主要任务和预期目标
传统频谱分析仪主要依靠模拟滤波器来分开各频率成分并进行频率成分测量。为了提高频谱分辨率,需要通频带很窄的滤波器,并且由于模拟滤波器中心频率会随时间、环境温度“漂移”,因此制造高稳定度、高精度的的这种频谱分析仪比较困难。
随着FFT的提出,利用数字方法进行频谱分析成为可能,这解决了很多传统频谱分析仪存在的问题,如“温漂”等。实现FFT算法有利用软件或利用纯硬件等不同方法,利用软件的方法可以在PC机或在DSP芯片上实现,其频谱分析主要是依靠软件计算来实现。而利用硬件方法的有FPGA或专用集成电路(ASIC)。随着技术的不断发展,目前FPGA芯片的性能和规模已达到很高的程度,用它来实现快速傅立叶变换(FFT)不仅成为可能,而且性能也有保证,对于大规模数字系统,也可以将其集成在一片FPGA芯片上,从而缩小产品体积,加强系统的可靠性和便携性。因此,用FPGA来实现谱分析仪的功能是一个很好的选择。
设计该手持式谱分析仪,基于FFT分析法的频谱分析仪是优先考虑的方案。对于手持式谱分析仪,全球两大测试仪器开发商,安捷伦和泰克公司都相继开发出了相关产品,但价格昂贵。目前国内对这方面的研究也比较多,不过大多采用DSP芯片模式,FFT采用软件实现,因此,在系统集成度和系统可靠性方面,将不会优于单芯片的FPGA硬件解决方案。故本课题选择基于FPGA的便携式频谱分析仪的研究与设计,其中FFT由硬件电路实现。
本次设计的主要任务是设计一种基于FPGA的手持式频谱分析仪。采用高性能FPGA实现基于FFT算法的频谱分析处理,并将处理结果最终从液晶屏上显示出来。首先研究傅里叶变换的特点,了解清楚快速傅里叶变换(FFT)与频谱分析的关系,了解清楚窗函数对快速傅里叶变换(FFT)的影响以及混叠现象、频谱泄露和栅栏效应对频谱分析的影响,其次,了解清楚 FPGA的工作原理及其提供的可以利用的资源,特别是赛灵思系列的FPGA可供利用的资源。最后提出适合于FPGA实现的频谱分析仪的系统方案。设计各个组成部分,整合整个系统,最后完成频谱分析仪的设计工作。
设计方案
根据工作原理,频谱分析仪大致可分为模拟式和数字式两大类,本设计是数字式频谱分析仪,该分析仪先将所采集的信号通过一个低通滤波器进行滤波,然后将经滤波处理的模拟信号进行采样量化,再通过放大器放大后送入Atlys Spartan@-6 FPGA 开发套件中进行数字信号处理,用快速傅立叶变换的方法求得信号的频谱。
方案论证:
1、FFT原理:
傅里叶变换就是信号的时域描述与频域描述的某种变换关系。对于某一模拟非周期信号,存在着以下的傅里叶变换对
(1)
(2)
式(2)叫做傅里叶逆变换式。式(1)称为傅里叶变换式,即函数
是
的傅里叶变换或傅里叶积分,函数
反映了非周期信号
的频谱。
一个信号的傅里叶变换,其实质就是把该信号分解成许多不同频率的正弦波之和。通过傅里叶变换可以得到信号的各种频率成分,得到信号的频谱。
式(1)是对频率域而言的,它可以看作是时间函数
在频率域上的表示,频率域上所包含的信息和时间域上所包含的信息完全相同,唯一的差别只是形式不同而已。通常,
是一个复函数,即:
(3)
和
分别为实部和虚部,则幅度谱(即通常所说的频谱)
表示为
(4)
因此,频谱分析仪的幅度谱(即通常所说的频谱)可以通过(4)式得到。
相位函数
表示为
(5)
该式反映了信号的相频特性。 在本设计中所使用的FFT处理模块是有xilinx公司所提供的Atlys Spartan®-6 FPGA 开发套件,该板卡是新一代Xilinx FPGA学习板卡,不仅适合VHDL以及Verilog HDL代码等传统领域学习,还可用于新一代的SOPC领域学习。开发板以Spartan-6系列的XC6SLX9-TQ144芯片为核心,供电、下载与调试都通过板卡自身的USB接口完成,扩展了LED、GPIO、UART以及USB-JTAG电路,结构如图2所示。此外,S6 CARD通过USB线完成板卡供电和调试,便于使用。该板卡结构图如下所示:

其主要外设如下所列:
Xilinx XC6SLX9-TQG144 FPGA;
自带USB调试与供电电路(无需下载线和电源),CY7C68013、XC2C256;
32M SPI FLASH M25P32;
MAX3232串口;
50MHz晶振;
按键、LED、拨码开关
2、滤波器原理
系统从传感器拾取的信号中,出来系统所需要的信息外,往往还包括许多噪声以及其他与被测量无关的信号,所以在先期的电路中加入具有频率选择作用的滤波器,对所采集的信号进行滤波。
按照所处理信号的形式的不同,滤波器可分为模拟与数字两大类。此外,滤波器的三种频带在全频带中分布位置不同,可实现对不同频率信号的选择,依此,滤波器可分为四种不同的基本类型:低通滤波器、高通滤波器、带通滤波器、带阻滤波器。另外根据滤波器中采用的元器件可以分为:LC无源滤波器、由特殊元件构成的滤波器、RC无源滤波器、RC有源滤波器。
在本设计中,所要采集的信号是交流电中的50HZ的频率,直接对所要采集的信号进行滤波,所以所选用的滤波器是模拟低通滤波器,而且,如果在电路中引入具有能量放大作用的有源器件,如电子管、晶体管、运算放大器等,补充损失的能量,可使RC网络像LC网络一样,获得良好的频率选择特性。所以最终所选择的滤波器是模拟低通RC有源滤波器。
模拟滤波电路的基本形式为现行四段网络,其特性可有传递函数表示如下:

定义为输出与输入信号电压(或电流)的拉普拉斯变化之比。该式中s=σ+jω为拉普拉斯变量,各系数
是由网络结构与元件参数值决定的常数。根据现行网络稳定性分析条件的要求,分母中各系数均应为正,并要求n≥m,n称为网络阶数,也即滤波器的阶数,反应电路的复杂程度。
在传递函数中,令拉普拉斯变量s=jω,可以得到频率特性函数H(jω):
H(jω)=
=
,
频率特性H(jω)是一个复函数,它的
A(ω)=
的幅值称为幅频特性。
=
称为相频特性。
在本设计中选用的是二阶滤波器,其传递函数的一般形式为:
,令
对应固有频率,
对应通带增益,
对应阻尼系数,将传递函数的一般形式改写为规范的形式
,其幅频特性与相频特性分别为:
A(ω)=
,
不同
值下二阶低通滤波器的幅频特性和相频特性如下图所示:

本设计中二阶低通滤波器的设计平台所使用的是microchip半导体公司所提供的滤波器设计平台。
3、AD转换原理:
按其工作原理的不同分为直接A/D转换器和间接A/D转换器两种。直接A/D转换器将模拟信号直接转换为数字信号,这类A/D转换器具有较快的转换速度,典型的电路有并行比较型A/D转换器、逐次比较型A/D转换器。间接A/D转换器则是先将模拟信号转换成某一中间量(时间或频率),然后再将中间量转换为数字量输出。此类A/D转换器的速度较慢,典型电路有双积分型A/D转换器、电压频率转换型A/D转换器。 AD转换芯片有很多,根据本次设计所采集的信号的需要,信号是交流电信号,选择8位AD转换器。芯片选择的是Maxim公司所提供的MAX11662。其参数如下:VDD = 2.2V ——3.6V, VREF = VDD。
模数转换器的原理框图如下所示:

AD的转换过程包括采样、保持、量化和编码四个阶段。通过按等间隔T对模拟信号进行采样,得到一串采样点上的样本数据,这一串样本数据可看作时域离散信号(序列)。在本次设计中AD有8位,那么每个样本数据用8位二进制数表示,即形成数字信号,因此,采样以后到形成数字信号的这一过程是一个量化编码的过程。
4、放大器原理:
通过低通滤波器所得到的信号可能很微弱,所以加一级前置放大器对所获取的信号进行放大,以期能够得到更易于处理的信号。将放大器前置的目的有两个:①使小输入信号不被后期电路的噪声所淹没;②要防止滤波器电路的噪声被放大。
对于测量放大电路的基本要求是:①测量放大电路的输入电阻应与传感器输出阻抗相匹配;②稳定的放大倍数;③低噪声;④低的输入失调电压和输入失调电流,以及低的漂移;⑤足够的带宽和转换速率;⑥高共模输入范围和高共模抑制比;⑦可调的闭环增益;⑧线性好、精度高;⑨成本低等;
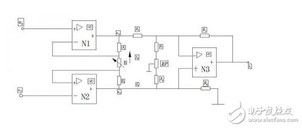
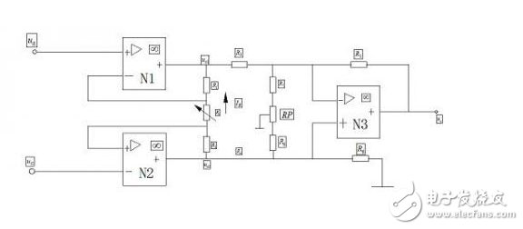
目前广泛应用的是高共模抑制比放大电路,如下图所示:

该共模抑制比电路由三个集成运算放大器组成,其中
为两个性能一致(主要是指输入阻抗、共模抑制比和增益)的同相输入通用集成运算放大器,构成平衡对称(或称同相并联型)差动放大输入级,
构成双端输入单端输出的输出级,用来进一步抑制
的共模信号,并适应接地负载的需要。
输入级的输出电压,即运算放大器
输出之差为
,其差模增益

由以上公式可知,当
性能一致时,输入级的差动输出及其差模增益只与差模输入电压有关,而其共模输出、失调与漂移均在
两端相互抵消,因此电路具有良好的共模抑制能力,为消除
偏置电流等得影响,通常取
。
关于放大器采用的是LM386,LM386是一个用于在低电压消费类应用设计的功率放大器。内部增益为20,输入以地面为参考,而输出被自动偏置到电源电压的一半。静态功耗只有24毫瓦,LM386是电池操作的理想选择。
5、LCD输出显示原理
LCD为7段(或8段)显示结构,故有7个(或8个)段选端,须接段驱动器,LCD的每个字段型要由频率为几十Hz到几百Hz的节拍方波信号驱动。该方波信号加到LCD的公共电极和段驱动器的节拍信号输入端。LCD显示器的驱动接口电路分为静态驱动和动态驱动两种接口形式。
静态驱动接口的功能是将要显示的数据经过译码器译为显示码,再变为低频的交变信号,送到LCD显示器。动态驱动接口通常采用专门的集成芯片来实现。一般采用主驱动器和从驱动器。主、从驱动器都采用串行数据输入,主驱动器可以驱动48个显示字段或点阵,每增加一片从驱动器可以增加驱动44个显示字段或点阵。驱动方式采用1/4占空系数的1/3偏压法。
本设计采用的动态驱动接口串行输出。
查看评论 回复









