基于FPGA的电机测速系统电路设计 - 可编程逻辑 -
现场可编程门阵列即FPGA,是从EPLD、PAL、GAL等这些可编程器件的基础上进一步发展起来的。作为专业集成电路领域中的半定制电路而出现的FPGA,不但解决了定制电路的不足,而且克服了原有可编程器件因门电路数有限的而产生的缺点。FPGA 的使用十分的灵活,同一片FPGA 只要使用不同的程序就能够达到不同的电路功能。现在FPGA 在通信、仪器、网络、数据处理、工业控制、军事和航空航天等众多领域有着广泛的应用。随着成本和功耗的进一步降低,将在更多的领域运用FPGA。基于FPGA 的电机测速系统设计,以Quartus II 为设计平台,采用硬件描述语言VHDL和模块化设计的方式,并通过数码管驱动电路动态显示测量的结果。本设计具有外围电路少,集成度高,可靠性强等特点,可以用来测量电机的转速值。
外围电路设计
传感器将电机转速的模拟信号转换成数字脉冲信号送入FPGA 模块。同时由基准时钟电路产生准确的时钟信号和复位电路产生的复位信号送入FPGA 模块。再由FPGA 模块产生分频电路、十进制计数器电路、数据处理电路和显示译码电路。由分频电路将送入的基准时钟信号进行分频,得到一个闸门信号,作为十进制计数器的使能信号。数据处理电路的作用是将十进制计数器得到的数据进行相应的处理后,再送入显示译码电路进行转换译码。电机测速系统的总体框图如图1所示。外围电路分为:基准时基电路,复位电路,传感器测量电路和显示电路。

图2 有源晶振电路图
基准时基电路设计
基准时基电路采用50 MHz 的有源晶振,3.3 V 电源通过FB5接入有源晶振的VCC 端口,同时通过C10和C11滤去高频干扰信号。从OUT 端口输出50 MHz 的时钟信号。晶振电路如图2所示。
复位按键的设计
按键作为嵌入式智能控制系统中人机交互的常用接口,我们通常会通过按键向系统输入各种信息,调整各种参数或者发出控制指令,按键的处理是一个很重要的功能模块,它关系到整个系统的交互性能,同时也影响系统的稳定性。在本次设计中,通过按键实现了FPGA模块的手动复位。复位按键如图3所示。

图3 复位按键电路图
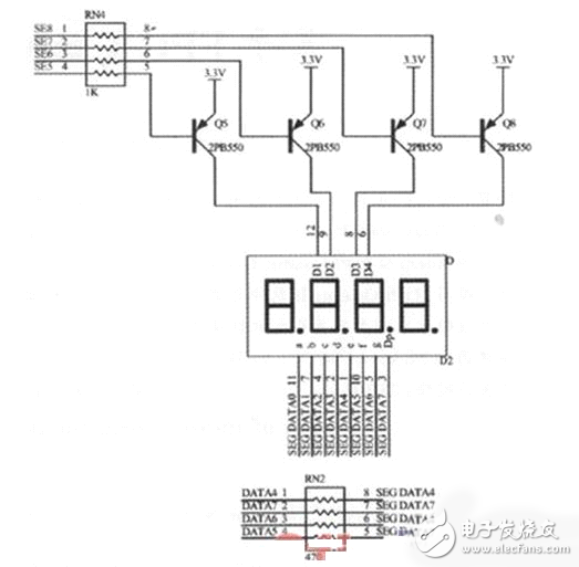
显示电路的设计
在本次设计中我们用到的显示电路如图4 所示。

由数码管显示电路可以知道,这是共阳极数码管。当在位选端SE1~SE4输入低电平时,三极管导通,从而D1~D4接入高电平。由a 到DP 端输入数码管显示码,就可以得到我们所需要的数字,由位选端让数码管选择导通。
本次设计是基于FPGA 的电机测速系统设计,利用的是Altera 公司开发的Quartus II 软件作为设计平台,可以在FPGA 开发板上实现测量由传感器转换得到的脉冲信号,并且通过计算得到电机转速值。在本次设计中,还可以进行一些扩展,可以添加报警电路,设定一个报警值,当测量的转速值大于这个报警值时,就可以让蜂鸣器报警或数码管点亮。
查看评论 回复









