CAN-bus 现场总线应用方案(电梯控制) -
[导读]标签:CAN-bus 现场总线 电梯控制前言2003年5月6日,PHILIPS正式授权:广州周立功单片机发展有限公司为汽车电子产品线(含CAN-bus、汽车防盗器RFID、汽车传感器)中国地区代理商。依靠强大的专业开发团队、PHILIPS半导
标签:CAN-bus 现场总线 电梯控制
本文引用地址: http://www.21ic.com/app/rf/201207/134395.htm
前言
2003年5月6日,PHILIPS正式授权:广州周立功单片机发展有限公司为汽车电子产品线(含CAN-bus、汽车防盗器RFID、汽车传感器)中国地区代理商。
依靠强大的专业开发团队、PHILIPS半导体的领先技术与国际CiA协会、ODVA协会的支持,我们致力于发展中国的CAN产品与应用事业。至现在,我们已成功开发出一系列CAN-bus教学、接口、工具、应用产品,能够为客户提供从“芯片”、“工具”、“模块”、“方案”等各个方面的服务,涉及CAN-bus多个行业与应用领域。我们自主开发的数个型号产品已经领先于国外技术水平,并已投入广泛的实际应用。
CAN-bus介绍
CAN-bus(Controller Area Network)即控制器局域网,是国际上应用最广泛的现场总线之一。起先,CAN-bus被设计作为汽车环境中的微控制器通讯,在车载各电子控制装置ECU之间交换信息,形成汽车电子控制网络。比如:发动机管理系统、变速箱控制器、仪表装备、电子主干系统中,均嵌入CAN控制装置。
CAN-bus是一种多主方式的串行通讯总线,基本设计规范要求有高的位速率,高抗电磁干扰性,而且能够检测出产生的任何错误。当信号传输距离达到10Km时,CAN-bus仍可提供高达5Kbps的数据传输速率。由于CAN串行通讯总线具有这些特性,它很自然地在汽车、制造业以及航空工业中受到广泛应用。
作为一种技术先进、可靠性高、功能完善、成本合理的远程网络通讯控制方式,CAN-bus 已被广泛应用到各个自动化控制系统中。从高速的网络到低价位的多路接线都可以使用CAN-bus。例如,在汽车电子、自动控制、智能大厦、电力系统、安防监控等各领域,CAN-bus 都具有不可比拟的优越性。
CAN-bus通讯电路
CAN-bus通讯单元
电梯控制系统的控制部分由电梯主控制器、轿厢控制器、楼层控制器(多套)、群控器组成,通过CAN-bus接口连接成一个完整的通讯网络,实时传输各运行参数、控制命令。设计CAN-bus通讯接口是很重要的一个环节,设备的正确运行与其密切相关。下面的图给出了一个实际电梯控制系统的CAN-bus通讯单元电路图。电路结构为:
MCU(*P87C52X2)+CAN控制器(SJA1000)+CAN收发器(TJA1040T)

采用以上的电路结构,可使电梯控制系统具有成本更低、配置灵活、工作可靠等优点。P87C52X2芯片是PHILIPS公司生产的标准80C51内核单片机,包含8KB OTPROM、256B RAM、32个I/O口、3个16位定时/计数器、双DPTR、1个UART口,可以工作在6CLK模式下,运行速度可以是标准80C51的2倍。另外,在部分特定的单元控制电路中,设计要求占用资源较多,则可以选择具有更多资源的MCU芯片,比如:P89C51RX2系列、P89C6xX2系列、P87C51MX系列,或选择适应度更高的其他元器件。
SJA1000芯片是一款独立CAN控制器,由PHILIPS公司设计并生产,具有优秀的EMI、EMC性能,适合用于汽车电子和工业环境中的控制器局域网络。而且,SJA1000是PCA82C200独立CAN控制器的升级产品,在引脚、电气上与PCA82C200控制器完全兼容,并具有更强功能的PeliCAN工作模式,完全支持具有很多新特性的CAN 2.0B协议。目前,已有数亿个CAN-bus节点正在使用SJA1000作为CAN控制器。
TJA1040芯片是PHILIPS公司在2002年推出的新一代高速CAN收发器,是PCA82C250/251、TJA1050的升级型号,具有非常优秀的EMC性能,在不上电状态下有理想的无源性能,提供低功耗管理,支持远程唤醒,并集成有完善的总线保护功能。TJA1040可以支持40Kbps~1Mbps高速率范围,在不需要CAN中继器的场合,通讯距离可达1.2Km远,通讯节点数目可达110个节点。TJA1040主要应用在汽车电子应用,或者用于工业控制领域,能够适应任何苛刻的工作环境。
在CAN-bus节点电路中,增加保护电路是必要的。另外,收发器板应尽可能放在接近PCB边沿连接器的位置。边沿连接器和收发器之间不允许有其他EC元件。CAN_H/L或Tx/Rx电路不应穿越总线或跳线。
将产品设计为分离终端的形式,这样可以使CAN总线实现要求更高的抗干扰/幅射性能。当然,在网络中允许混合单终端和分离终端。
对于CAN器件的选型请参考《CAN-bus 现场总线基础方案-芯片篇》。
输入输出接口电路
在电梯控制系统中各控制器输入信号的正确采集和控制信号的正确输出保证着电梯的安全运行。输入输出信号的接口电路的设计是一个相当重要的环节。下面给出了常用的输入输出信号接口电路:
1: 输入电路,下图所示为一个常用的信号输入电路,用于采样电梯系统的外部信号,并将信号进行电气隔离,以提高系统的抗干扰能力。

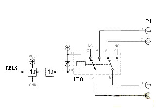
2: 输出电路,下图是将输出控制信号放大,用于驱动一个继电器,从而实现对执行机构的控制。

电梯控制系统CAN网络参数
CAN总线
- 电梯控制系统是基于CAN-bus的控制网络,要求各控制单元的CAN器件必须符合ISO11898-2标准。
CAN总线波特率
- 电梯控制系统中CAN-bus通讯波特率可以参考选择以下波特率:20 kbits/S 、50 kbits/S 、125 kbits/S 、250 kbits/S;这些波特率均为CiA标准通讯波特率。CAN总线的通讯波特率和距离之间的关系,参考表2-1。
CAN总线电缆
- 在电梯控制系统中,一般采用4芯式的通讯电缆,其中2根传输电源,另2根传输CAN-bus信号。
建议采用屏蔽双绞线作为CAN-bus通讯电缆;使用国标AWG18(截面积为Φ0.75㎜2)的导线一般可以保证在1KM距离下实现CAN-bus可靠通讯;建议通讯电缆线的截面积采用Φ1.5mm2。
CAN网络拓扑结构
- 电梯控制系统CAN网络采用总线型网拓扑结构,主干线和支线连接方式,如图2-1所示。电梯控制系统CAN网络结构的设计,请参考ISO11898-2和SAEJ2284标准中对CAN总线拓扑结构的说明。

查看评论 回复
"CAN-bus 现场总线应用方案(电梯控制) -"的相关文章
- 上一篇:浅谈CDMA无线网络优化流程与方法 -
- 下一篇:华为路由器如何减少无线干扰 -









