基于SA605和AD9850的接收电路设计及应用 -
[导读]在某些射频产品的生产调试车间,空间某些频段的射频(RF)干扰信号可能对生产和调试造成影响。因此,有必要设计一种信号测试仪检测空间RF信号的强度。本文所设计的信号测试仪具有以下基本功能: 测试频率范围1 MHz~3
在某些射频产品的生产调试车间,空间某些频段的射频(RF)干扰信号可能对生产和调试造成影响。因此,有必要设计一种信号测试仪检测空间RF信号的强度。本文所设计的信号测试仪具有以下基本功能:
本文引用地址: http://www.21ic.com/app/rf/201101/73617.htm
测试频率范围1 MHz~30 MHz;
能够灵活地在该频段上步进扫描;
具有方便的人机交互界面,可以通过键盘输入各种预设值,通过液晶显示屏随时查看系统的工作状态等。
本设计采用超外差接收方式。空间信号通过天线接收后,首先经过滤波和前置放大,与本地振荡信号混频后得到中频信号。再对中频信号进行选频、放大、检波,得到直流电压即信号的强度。经A/D转换送入CPU处理。
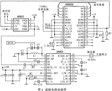
在本设计中,混频电路是设计的关键。它包括信号的前置处理、本振信号的产生、混频和中频滤波等。传统的扫频信号产生电路大多使用压控振荡器,通过改变变容二极管的电压改变本振频率,但是使用分立元件,振荡频率难以精确控制,特别是扫频宽度难以达到设计要求。因此,本设计采用DDS(直接数字频率合成)技术,使用ADI公司的AD9850与MCU配合,可得到精确控制的扫频振荡源。采用Philips公司的SA605构成本设计方案中的混频电路。
2 AD9850和SA605简介
2.1 DDS频率合成器AD9850
AD9850用于产生频率精确可控的本地振荡源信号。AD9850采用先进的CMOS工艺,内含可编程DDS系统和高速比较器,能实现全数字编程控制的频率合成。可编程DDS系统的核心是相位累加器,它由一个加法器和一个N位相位寄存器组成,N为32。每产生一个外部参考时钟,相位寄存器以步长M递加。相位寄存器的输出与相位控制字相加后可输入到正弦查询表地址上。正弦查询表包含一个正弦波周期的数字幅度信息,每一个地址对应正弦波中0°-360°范围的一个相位点。查询表把输入地址的相位信息映射为正弦波幅度信号,然后驱动DAC输出模拟量。频率控制字由下式计算:

由于AD9850采用125 MHz有源晶体振荡器,当DAC输出频率达到40 MHz时.SFDR>50 dB。因此完全可满足本地振荡频率范围的要求。
2.2 FMIF通信器件SA605
SA605是一款高性能低功耗混频器和FM IF器件。它内部集成有混频器/振荡器、限幅中频放大器、积分检波器、静噪、对数。RSSI(接收信号强度指示)和电压较准器。
其主要参数:低功率,工作电压6 V时典型电流为5.7 mA;在45 MHz时混频转换功率增益可达13 dB;在45 MHz时混频器噪声特性为4.6 dB;中频放大/限幅增益为102 dB;25 MHz的限幅器小信号带宽;具有额外90 dB动态范围的温度补偿接收信号强度指示器(RSSI);静噪和未静噪的2个音频输出;仅需极少的外围器件,适用于晶体/陶瓷/LC各种滤波器;具有极高的灵敏度等。基于以上特性,SA605适用于设计高性能通信接收机、RF信号强度测量、频谱分析仪等。
本解决方案中SA605用于将天线接收的RF信号与DDS产生的本地振荡信号混频。得到465 kHz的差频信号,该信号经带通滤波器筛选出中频信号并放大。SA605混频器包括三个部分:RF信号输入、本地振荡LO输入和中频输出。混频器对RF信号和LO信号进行和/差运算,获得一个中频输出。频率混合是通过一个吉尔伯特单元(GilbertCell)四项限乘法器实现的。吉尔伯特单元是一个微分放大器,可驱动一个平衡切换单元。SA605给本地振荡器配备了一个NPN晶体管,为了达到本地振荡频率,只需要增加一些外部元件,例如电容、电感或电阻。振荡器的晶体管基极和发射极(引脚4和3)可以用于配置为Colpitts、Butler或变抗器控制的LC形式。
3 实际设计方案
在空间信号测试仪的设计中,SA605与AD9850组成了空间RF信号接收器。
混频部分主要电路连接图如图1所示。

3.1 SA605的RF输入配置
RF输入引脚接由天线接收过来的空间RF信号,经前级滤波,信号频率为30 MHz以下。SA605可配置为平衡(即单端匹配)和非平衡两种匹配网络,两种方式各有优劣,单端匹配用简单电路即可实现,并且不会牺牲三阶性能,但却会增大二阶乘积。平衡匹配可减小二阶乘积,但是电路设计复杂,阻抗难以匹配。好的网络匹配可以显著提高接收灵敏度,本设计中采用单端匹配,查手册可知,SA605的RF输入阻抗在10 MHz~50 MHz频率下为4.5 kΩ~5 kΩ‖2.5 pF,因此前级高放电路需要匹配到该输入阻抗,才能保证良好的接收效果。
如图2所示,本设计采用单端匹配,匹配于20MHz,采用一个电容抽头电路,将50Ω的输入匹配到SA605的RF输入。该电路中C1、C2、L的数值按如下方法计算。
在10 MHz~30 MHz频率范围内,2.5 pF的电容基本可以忽略不计。

3.2 SA605的本振配置
由于SA605的LO部分内部配置了一个NPN晶体管,因此输入既可配置为Colpitts、Butler或变抗器控制的LC形式,也可以外加振荡源。在本设计中,AD9850的第21引脚DAC输出通过MCU控制产生的1 MHz~39 MHz扫频信号作为SA605的LO输入。AD9850的DAC输出阻抗约为120 kΩ‖8pF,而SA605的LO输入阻抗约为10 kΩ。可在DAC输出引脚并联10 kΩ左右电阻与之匹配。
SA605的LO输入电平与供电电平以及环境温度的关系可查数据手册得知,在25℃、供电电压为8V环境下,振荡器电平不应超过550 mVRMS。在该环境下,实测AD9850的输出得到如图3所示的输出强度曲线。
由图3可知,DDS输出扫频信号的幅度随着频率的增加而有减小的趋势,这是DDS固有的缺陷,SA605的本振输入振荡电平会影响混频器的转化效率,当本振电平降为114 mV时,混频器效率则降为74.4%,而不同频率对应不同的混频转换效率,将会影响到中频输出的信号幅度,影响对RF信号强度的测量。为解决这一问题,本方案将DDS输出先经过AD603进行适当的衰减,衰减的幅度由D/A输出的一个直流电压来控制。
AD603是ADI公司生产的一款低噪声,带宽可达90 MHz的可变增益放大器。当使用5 V电压时,将引脚5(FDBK)与输出引脚7(VOUT)]直接相连。通过调整其引脚1(GPOS)和引脚2(GNEG)的电压之差VG,即可控制放大增益,增益由以下公式决定:

Gain(dB)=40×VG+10
设计电路使得引脚GPOS的电压稳定于某一固定值,而引脚GNEG则接至控制电压,通过调整VG来改变增益,引脚GNEG的电压则由D/A转换得到一个直流信号进行控制,随着频率的增加,信号幅度减小,相应得到的直流信号也减小,则VG增大,增益Gain也增大。选取适当的频率点,调整使得VG介于-300 mV和-25 mV之间,使得小于该频率点的信号被衰减,大于此频率点的信号得到放大,由于仅做细微调整,放大、衰减的分贝数不超过2 dB。
AD603输出的均匀DDS信号通过一个0.1 μF的耦合电容接至SA605的本振输入引脚。
当SA605使用8 V电压时,DDS输出10 MHz、RF信号,使用了HP 8116型50 MHz信号发生器经过高放滤波产生9.55MHz的信号代替空间RF信号时。使用TektronixTDS2022型200 MHz示波器,实测波形如图4。

由图4可以得知,产生的465 kHz中频信号仍混有高次谐波,因此,该中频信号需要经过后级中频放大、滤波电路。由于混频器的输出阻抗为1.5kΩ,因此,不必考虑输出与中频滤波器的匹配。
4 结束语
通过实际测量,证明由DDS作为振荡源,与SA605构成混频器的设计能够实现预期的功能与指标,因此,可以作为一种新的设计方法应用于通信接收机中。

查看评论 回复









