CAN总线如何防雷? -
[导读]CAN-bus起源于汽车总线,目前被广泛应用于环境复杂的工业现场,因此必要的总线防护是主板及设备安全的重要保障。今天这里跟说一说CAN总线防雷防护设计。
CAN-bus起源于汽车总线,目前被广泛应用于环境复杂的工业现场,因此必要的总线防护是主板及设备安全的重要保障。今天这里跟说一说CAN总线防雷防护设计。
本文引用地址: http://www.21ic.com/app/rf/201709/737731.htm
从广义上讲防雷包含两个概念,一是防雷击二是防浪涌。雷击是雷雨云中电荷瞬间释放的现象,它能在周围引起高能、瞬变的电场及磁场。浪涌包括浪涌电流、浪涌电压,它是指电路中瞬间出现超过正常工作电压、电流的现象,如图1,雷击又可分为直击雷、非直击雷,直击雷是雷电直接作用到物体上,非直击雷则是通过电磁场感生出电动势、电流作用到物体上 ,两者都能产生浪涌电压、浪涌电流。
图1 电压浪涌
CAN总线物理层传输介质一般为铜制双绞线,容易受到电磁场的干扰。CAN收发器属于弱电元器件,对电压电流的冲击毫无抵抗力,因此复杂工业现场CAN总线的防雷设计十分必要。CAN总线防雷要从两方面入手,一是CAN收发器处,即接口防护。二是物理介质处,即传导防护。防护的思路主要是屏蔽干扰、提供泄放通道、隔离保护。
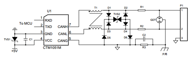
一、接口防护
CAN的接口防护一般是在收发器外加隔离保护器件,如光耦、磁耦等。为接口设计方便,我们可以使用一体化的收发器模块。相比于单个的收发器芯片,模块化的产品环境适应性更强。图2是超小体积、隔离型CAN收发模块,这种模块可以挂载到CAN总线上,拥有高达2500VDC隔离耐压值。
图2 隔离型CAN收发模块及应用电路
根据经验,隔离型模块在容易遭受大能量雷击的场合工作时,仍需要加更高等级的防护电路,保护模块不被损坏以及总线的可靠通信。常用的器件有GDT、TVS以及共模电感。如图3所示,GDT被放置于接口最前端,提供第一级的雷击浪涌防护。当雷击、浪涌产生时,GDT瞬间达到低阻状态,为瞬时大电流提供泄放通道,将CAN_H、CAN_L间电压钳制在二十几伏范围内。后端的TVS提供第二级浪涌防护,具体规格可根据需求选择。
图3 高防护CAN接口电路
上述推荐的接口电路虽然能够提供有效的防护,但是需要引入较多的电子器件,这也就意味着接口电路将占用更多的PCB空间,若器件参数选择不合适易造成EMC问题。有没有更简洁的防护设计呢?可选择引入专业的浪涌抑制器,这种小体积模块采用灌封材料,具备高防护等级要求。
以SP00S12模块为例,它可以满足 IEC/EN61000-4-5 ±4KV 浪涌等级要求,可用于各种信号传输系统,抑制雷击、浪涌、过压等有害信号,对设备信号端口进行保护,非常适合于CAN、 RS-485 等通信领域的浪涌防护。以共模浪涌测试为例,在SP00S12输入端加载4KV、 1.2/50μs 浪涌电压(图4),在输出端测试压降已被降低至17.1V(图5)。
图4 输入端电压波形4KV
图5 输出端波形电压17.1V
图6是一个 CAN节点电路设计,在收发器与CAN总线间添加 SP00S12,可使 CAN 信号端口轻松满足 IEC61000-4-5 ±4KV 的浪涌等级要求。
图6 浪涌抑制器的应用
除此之外,我们还有更好的选择,如图7采用一体化的高浪涌防护隔离 CAN 收发器可以完全代替隔离CAN收发器与浪涌抑制器的组合。此方案将最大限度简化电路设计、节省PCB空间、降低产品成本。它能够防护4KV浪涌、15KV静电的同时还具备极佳的EMC特性。
图7 极简隔离方案
传导防护
传导防护主要是在传输线上进行的。CAN总线的数据传输介质一般为双绞线,它主要的作用是抗低共模干扰,但是在面对浪涌、雷击等情况时不仅没有防护作用,反而易造成节点设备的损坏。因此,具备室外环境、长传输距离、多节点设备特点的总线一般都要加隔离防护功能的网桥、中继器,如图8。当用户的CAN总线受到强干扰导致死机或者损坏,接上该系列产品后,可以隔离干扰保护设备正常运行。优秀的网桥及中继器具有2500VDC、±8KV静电等级的防护能力。
图8 网桥防护方案
有没有方法能彻底解决雷击造成的隐患呢?答案是肯定的,只要数据的传输不依赖电信号就能完全隔离掉雷击的危害。我们可以把CAN总线室外的部分或者说容易受到干扰的部分使用光信号传输,这种方法目前已经广泛应用于高速铁路、地铁、煤矿、医疗、航空航天、楼宇安防、电梯控制等场合。
图9 CAN转光纤防护方案
查看评论 回复
"CAN总线如何防雷? -"的相关文章
- 上一篇:SD-WAN和云专线浅见 -
- 下一篇:高码率空间OCDMA通信技术实验分析 -



















