无线射频收发系统硬件设计 -
[导读]摘要:针对目前短程开放段无线通信系统双工通信终端不对称现象,设计智能化无线射频收发两用硬件终端系统。在对系统框架进行研究后,使用单片微控制器MSP430F1121和射频模块TRF6900作为主芯片的方案。通过计算主要功
摘要:针对目前短程开放段无线通信系统双工通信终端不对称现象,设计智能化无线射频收发两用硬件终端系统。在对系统框架进行研究后,使用单片微控制器MSP430F1121和射频模块TRF6900作为主芯片的方案。通过计算主要功能模块的外围电路参数,完成了系统电路设计。该系统实现了收发端完全对等使用,而且电路结构简单,具有低成本、低功耗等优点,可广泛应用在无线网络终端设备中。
关键词:无线射频芯片;收发系统;微控制器;鉴相器;环路滤波器
本文引用地址: http://www.21ic.com/app/rf/201004/57321.htm
0 引言
随着当今电子、计算机技术的飞速发展,射频技术作为一种无线网络通讯手段,已经在越来越多的场合上使用,并且表现出其独特的优越性。它取代了传统中错综复杂的电缆,使家庭或办公场所的移动电话、便携式电脑、打印机、复印机、键盘及其他设备实现了互联互通,将人们从无数的连接电缆中解放出来,自由方便地构成自己的个人网络。作为取代数据电缆的短距离无线通信技术,它将家庭或办公室中的各种数据和语音设备联成一个微微网,还可以进一步实现互联,形成一个分布式网络,从而在这些联接设备之间实现快捷而方便的通信联系,因此它在无线网络系统中的发展潜力巨大。
1 系统硬件组成与工作原理
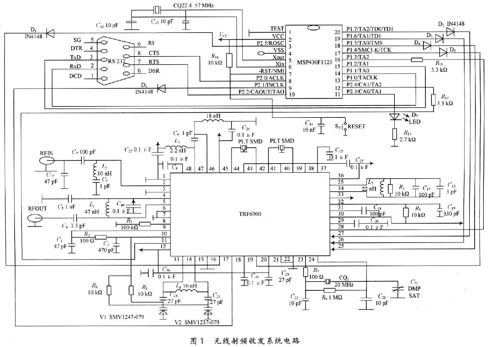
射频与数字基带部分电路通过合适的方式连接起来就构成了所设计的无线射频收发应用系统的硬件电路,总体电路如图l所示。其中,带有箭头的表示接外加的电压,以保证电路正常工作,其工作电压为3 V。
1.1 系统主电路结构与原理
射频部分电路主要是用TRF6900收发芯片和一些外围元件设计成的射频收发器。TRF6900是TexasInstruments公司推出的单片射频收发器芯片,其内部集成了完整的发射电路和接收电路。它的工作频率范围为850~950 MHz,供电电压范围为2.2~3.6 V,射频输出功率高达+5 dBm,而待机模式时的电流消耗仅在O.5~5μA之间。TRF6900采用高吞吐率16 bRISC结构,其最快速率可达8 MIPS。另外,这种收发器还具有FM/FSK调制模式,并采用三线制串行接口,因而能很方便地与微控制器相连接,可用于ISM频段内数据的双向无线传输,能够容易地对它的收发进行控制,因而基于它的应用也越来越普遍。
1.1.1 接收原理
从天线接收到的信号由LNA IN引入TRF6900,首先经过低噪音放大器。低噪音放大器提供13 dB的增益,它有正常和低增益两种模式,当TRF6900接收的信号较强时,应该选择低增益模式,这样可以最大程度地减少信号的非线性失真。放大后的信号被送入混频器,混频器将信号变频到中频,再通过第一和第二级中频放大。第一级中频放大可获得7 dB的增益,用以补偿滤波器带来的损耗;第二级中频放大包括多个放大器,总共可获得80 dB的增益。经过两级放大后的信号,如果采用的是FM/FSK调制方式,就送入FM/FSK解调器,解调出的数据信号从DATA OUT引出。如果是频移键控(ASK)或开关键控(OOK),则送入接收信号强度指示器(RSSI)解调,解调后的基带数据从RSSI OUT输出。
1.1.2 发射工作原理
数字基带信号从TX DATA引入TRF6900片内,经过直接数字频率合成器(DDS)调制到中频,再通过锁相环(PLL)倍频到射频,最后通过功率放大器放大信号后,由PA OUT导出射频信号,再通过天线发射出去。
1.1.3 串行控制接口工作原理
串行控制接口包括CLOCK,DATA,STOBE三部分,控制着TRF6900内部所有的寄存器,包括DDS参数设定寄存器和其他的控制寄存器。在CLOCK的每一个上升沿,DATA管脚的逻辑值送入24 b的移位寄存器,当STOBE电平被抬高时,设定的参数被送入选定的锁存器。TRF6900有四个可编程的24 b控制字(A,B,C,D)。控制字A和B分别控制DDS模式0和模式1状态下输出信号频率。控制字C负责锁相环和DDS模式O的设定。控制字D负责调制和DDS模式1的设定。
1.2数字基带部分
数字基带部分基于微型控制器MSP430F1121。通过它将外部的模拟信号转换为适合TRF6900的数字信号,再配合软件设计可以很方便地进行智能化转换。数字基带部分的硬件电路由RS 232和MSP430F1121组成,如图1所示。
MSP430F112l微型控制器是一款超低功耗、高性能的16位精简指令集MCU,主要由以下部分组成:基础时钟模块,包括1个数控振荡器(DCO)和1个晶体振荡器;看门狗定时器Watchdog Timer,可用作通用定时器;带有3个捕捉/比较寄存器的16位定时器Timer_A;2个具有中断功能的8位并行端口:P1与P2;模拟比较器Comparator A。
2 系统参数计算
2.1 鉴相器的参考频率
鉴相器是PPL构成锁相环中的单元模块之一,其输入的参考频率是由DDS的输出信号决定的。基于DSS技术的频率合成器能很好地满足各项指标性能,同时也使设计变得简单。鉴相器输出频率的分辨率为:

式中:fpd是鉴相器的最小输入频率,也是DDS时钟频率fref的2°,即最低有效位的权值。TRF6900 DDS累加器有24位,fpd乘以预标值N(可选择256或者512),由它可得出最小频率的步进值为:

累加器的输入是24位的用户串行数据(控制字),时钟基准信号作为累加器的工作时钟信号,两者决定频率的分辨率;输出是一串抽样斜坡数字脉冲,空号频率等于时钟频率。经过D/A转换后得到模拟域的正弦信号fo_DSS,它代表基准相位,即作为鉴相器的基准输入信号。DDS的最终性能主要取决于D/A转换过程中的量化误差以及滤波特性。
2.2 晶振时钟电路及频率
2.2.1 时钟电路的设计及参数计算
晶振采用并联谐振的工作方式,如图1中23~24脚外围电路所示。电路总的相移为360°,其中反向器提供180°的相移,R7和C22提供90°的滞后相位,晶振和电容C1也带来90°的相位滞后。并联工作的晶振是作为电感用的。晶振接入电容补偿相移以满足振荡条件。
偏振电阻R1用于设置反相器的偏置点,典型值是Vcc引脚值的二分之一。R1过小,将降低环路增益,破坏网络反馈条件,典型值是1~5 MΩ。可以观察23引脚的输出频率随电压的变化情况。如果晶振有过驱动,则增大电压后,输出频率会下降,此时应该微调电阻R2(调高)。注意,R2应该足够小,以确保振荡器在小于最小工作电压的情况下能够起振。C1和晶振的旁路电容Co及反相器的输入电容共同构成了晶振的输入电容。要提供稳定度,晶振的输入电容典型值可选择20~30 pF。
2.2.2 频率的选择
根据抽样定理可知,时钟频率fref(fref/2即为Na-quist频率)对量化噪声功率、冗余信号电平以及输出频谱中由于不满足抽样定理而带来的干扰信号、时钟频率和鉴相器的参考基准频率fo_DSS(即由DSS得到的信号频率fref/fo_DSS)的比率越大,频率合成器的输出信号频谱所受到的干扰就越少。时钟频率的具体计算方法如下:
假设要使基于DDS的PLL构成的频率合成器的输出频率为906.24 MHz(与DSS得到的输出信号频率fo_DSS即鉴相器的参考基准频率要区别开来),经过256或者512分频(可选),假设为256,那么DDS的输出信号频率fo_DSS就应等于906.24/256=3.54 MHz,可得到PLL的输出频率的计算公式:

式中:预标值N可选择256或者512,DDS_x为控制字A或B的值。
DSS频率值可通过串行口控制字编程设置,其最低有效位是2°,最高有效位是223。两个最高位(23,22位)用户不可访问,系统内部自动置为0,21-0位,并由用户编程设置。其中,A字对应DDS-O即模式0的频率;B字对应DDS-1即模式1的频率;C字控制PLL、数据限制器和模式1寄存器的设置;D字控制调制方式(如频偏大小)和模式O寄存器的设置。
2.3 载波频率计算
由时钟频率经过基于DDS的频率合成器可得到VCO输出的载波频率。对于典型的25.6 MHz时钟频率,由表1可得当DDS控制字为001,000,111,0000,000,000时,可计算出的VCO输出频率即载波频率为915 MHz。
由表1可知:

最后的VCO输出频率为:

2.4 DSS控制字的计算
TRF6900的FSK调制是由专门的FSK频偏寄存器来完成。A,B控制字用来设置接收机和发射机的频率及信道。在应用系统的使用中,A,B控制字用来设置FSK频偏。用于FSK方式时DDS控制字的计算方法如下:
假设载波频率为915.O MHz,频偏为20 kHz,即A字对应的VCO输出频率fout1=915.00 MHz;B字对应的VCO输出频率fout2=915.02 MHz;时钟频率fclock=fref=25.6 MHz;分频比N=256。下面计算A,B控制字:
A字对应于DDS_O值:

所得的二进制的DDS_O将装入A控制字中。
B字对应于DDS_1值:

所得的二进制的DDS_1将装入B控制字中。
2.5 本地振荡器
TRF6900的本地振荡器(LO)是锁相环PLL形式,由基于片上DDS的频率合成器、低通滤波器(LPF)和压控振荡器(VCO)构成。
2.5.1 VCO的电路设计
压控振荡器是输出信号频率随输入控制电压变化的振荡器。为了减小相位噪声,VCO电路通常由分立元件构成。
LC谐振槽路的谐振频率:

谐振频率时的电感值:

式中:|ZIN|为TRF6900内部振荡器的输入阻抗;QLOAD为谐振回路的品质因数;QP为电感的品质因数;f为谐振频率。
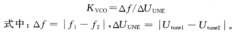
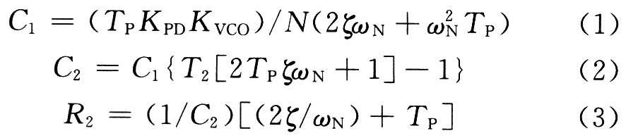
2.5.2 VCO的灵敏度
变容二极管的电容大小与调谐电压成正比,VCO的灵敏度:

2.5.3 参数计算
设计的无线收发电路工作在868~928 MHz ISM频段。假设TRF6900的VCO输出频率为880~950 MHz,调谐电压为0.3~2 V。TRF6900振荡器的输入阻抗|ZIN|即引脚13和14间的电阻大小约为1 400 Ω;谐振回路的品质因数必须大于等于10;在915 MHz时,电感的品质因数大约等于80。由公式可得:L≤10.65 nH,取L=10 nH标准值。
从方程中可知:

为了扩大变容二极管的调谐范围,根据以上的计算,C2可以取2.2pF,C1可取3.3pF。
设计时采用Alpha Industries的SMV1247系列变容二极管,其参数如下:

要注意的是因为PCB的分布电容不可预测,随工作频率变化而变化,所以在PCB调试时要进行必要的修正,这里采用经验值。
现在对上述元件参数进行验证:
对于0.25 V时的ftune,依据公式有CTOTAL=3.346 pF;
对于2.00 V时的ftune,有CT0TAL=2.799 pF。
由上述方程式可知,槽路的谐振频率:MHz,,2 MHz。显然,能满足880~940 MHz频率调谐范围。对于满足880~940 MHz的频率调谐范围的元件参数,取L=10 nH,C1=3.3 pF,C2=2.2 pF,变容二极管为SMVl247-079。最后可得出VCO的灵敏度MHz/V。
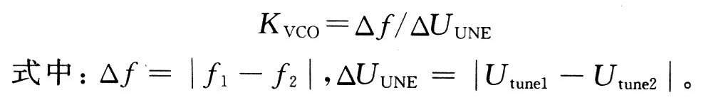
2.5.4 环路滤波器的设计
(1)计算公式
环路滤波器是一个典型的二阶低通滤波器,用于频率合成器中电荷泵电流模式。二阶元件的计算公式:
式中:KPD为鉴相器增益(单位:A/rad),KPD=ICP/2π;KVCO为VCO增益(单位:rad/V);N为分频比;ζ为阻尼比,有效范围是0<ζ<1,典型值为O.707;ωN为自然谐振频率(单位:rad/sec),ωN=(2×BN)/[(ζ+1)/2]2。
(2)设计注意事项
VCO有加速和正常两种工作模式,锁存时间都要小于250μs。正常模式用于精确控制并保持VCO工作所需频率;加速模式利用APLL锁相环加速因子来提供快速粗调,它可以使用TRF6900软件根据需要进行调整。DSS的谐振通常在环路带宽内,不能用环路滤波器抑制,但降低环路滤波的带宽可以减小DSS谐波产生的可能性。正确选择时钟基准频率能较好地抑制DSS谐波。
3 系统软件设计
软件部分主要由主程序和各个子程序组成。主流程图包括两部分:一是设备初始化;二是循环部分(loop main)设置相关的循环程序。初始化部分主要是设置端口、模式和时钟系统;循环部分(loop main)提供RS 232和射频(RF)通信,包括校验总和的初始化。篇幅所限这里不做介绍。
4 结语
本设计根据TRF6900收发芯片的特点和微型控制器MSP430F112的优点设计的无线数据收发系统,经过多次实验证明,其发射端能正确地将数据传送出去;同时,经TRF6900发射后,接收端也能正确接收并显示数据。系统完成了比较完善的硬件设计以及抗干扰措施,今后将继续开发系统软件,这样就可以保证系统工作的安全性和可靠性,并具有通用性,便于投入实际应用,具有广泛的市场应用价值。
查看评论 回复
"无线射频收发系统硬件设计 -"的相关文章
- 上一篇:LIN主从节点设计与实现 -
- 下一篇:基于DS3231的高精度时钟接口设计 -












