一种基于AMBE2000的低速率语音通信系统 -
[导读]本次系统实现了基于 AMBE2000的低速率语音通信,该芯片采用改进的多带激励(MBE)算法,能实现可变速率低比特率、高语音音质的语音压缩编码。本文通过实例,给出了以 AMBE2000为核心,语音压缩传输以及解压输出的电路实现。本实验获得了低速率下良好的语音质量,为越来越重要的低速率高质量语音通信提供了有利参考,具有很高实用价值。
语音信号处理是现代通信中不可或缺的组成部分,随着对通信质量要求的越来越高,我们需要用尽可能低的数码率来获得尽可能好的合成语音质量。从市场现状来看,低速语音的应用市场很广泛:语音系统,数字移动通信,保密通信,语音邮件,可视电话, IP电话,语音存储,电话会议,电话购物等很多场合都需要用到。
DVSI公司的 AMBE2000就是这样一种高性能、低功耗的实时语音编码解码芯片,它的压缩率在 2.0-9.6kbps范围内可以调节,并且,它本身具备 FEC(前向纠错) ,VAD(语音激活检测)和 DTMF信号检测功能。本次系统就是充分利用这款新品的优良特征,实现了在
1 4kbps左右的低传输速率下优良的语音效果。
2 系统结构框图本语音传输系统结构框图如下图所示:
本文引用地址: http://www.21ic.com/app/rf/200912/52112.htm

在本系统中,麦克风输入语音信号,经过语音模块进行放大。然后送到模数转换模块进行 AD转换,输出 PCM语音信号。再将此信号送给本次系统的核心器件AMBE2000,进行语音编码,输出压缩语音信号,送给 CPLD控制器,CPLD收到压缩语音数据后,将语音部分进行提取和处理。此时的语音数据便是 2.0k-9.6kbps的低速率语音数据,可以进行传输。由于AMBE2000可以编码也可以解码,所以本系统同样实现了语音的接收。前面编码部分发出的语音信息反馈回来,由 CPLD接受,并转化为 AMBE2000可以识别的格式,再由 AMBE2000进行解码,恢复成 PCM语音信号,送到模数转换模块进行 DA转换,输出模拟信号再经过语音模块进行功率放大送到扬声器。
3. 硬件设计 硬件是本次设计的核心,包括语音部分,模数转换模块,语音编码解码部分以及各个模
块的接口。
3.1 语音模块 本模块的作用是将麦克风微弱语音信号放大给AD,以及将从 DA中出来的语音信号播放出来。包括了从麦克风输入语音,以及语音从扬声器输出两部分。 语音输入部分电路如图 2所示,这里利用 LM386进行两级放大,采用的是单电源 3.3V供电。输出的信号送到 AD.

语音输出电路如图 3所示,该电路采用功率放大芯片TPA2005D1,进行语音放大。
3.2模数转换器以及其与 AMBE接口电路 本次采用的 AD,DA芯片是 PCM3500,这是一款带有 16位串行 AD和 DA的芯片,采样频率范围很宽,从 7.2kbps到 26kbps,并且它自带有回环自检测模式,便于电路功能自测。另外,这款芯片的配置简单,不需要复杂的配置就能有效工作。它与 AMBE2000接口部分电路如图 4所示。 
这里,需要配置的只有主动被动模式选择端M/S,本电路采用主动模式。LOOP则是选择回环检测功能端口,当它为高电平的时候,相当于AD转化以后的输出DOUT接到DIN, PCM3500的此项功能为系统的测试带了很大便利。AMBE2000和 PCM3500的通信接口是 SPI口,BCK提供时钟,它是晶振 512分频后的时钟信号,FS为选通频率,与 BCK严格同步。
3.3 AMBE200部分以及与 CPLD接口 
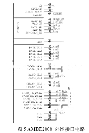
AMBE2000电路是整个设计的核心,除了与 PCM3500接口以外,其余部分的电路如图 5所示。从功能上看,主要可以分为以下四个部分:时钟部分,功能配置,功能模式选择模块,以及 SPI接口部分。
AMBE2000外接 16.384MHZ的晶振,芯片复位之后才能工作,复位时间至少为95ms。功能配置部分可以根据应用需要进行选择,包括回音消除,语音激活,滑动补偿等功能,使用起来比较灵活。功能模式选择部分,可以选择压缩数据率,在实际电路测量中,即使是最低
1. 0kbps语音数据速率,也能获得很好的语音质量。Pin75,pin77(chann_sel)用来选择工作模式,一共有主动有帧,主动无帧,被动有帧,被动无帧四种模式。SPI接口则是需要CPLD配置的部分, CPLD提供时钟信号以后,压缩语音数据通过 SPI口传到CPLD,这时便可以收下数据进行反馈或者处理和传输。
2. 软件设计
本系统软件配置相对比较容易。通过 CPLD提供时钟,用于编码解码以及压缩语音数据的传输。在主动有帧格式下,帧同步脉冲由 AMBE2000产生,与 CPLD输出的时钟信号严格同步;被动模式下,需要 CPLD提供帧同步信号。
各个功能选择端,根据需要,可以利用外围硬件配置,复位之后,也可以通过 CPLD进行软件配置。
5.结论
通过软件和硬件的配合使用,顺利实现了语音信号的编码解码和传输,在 2.0kbps的极低速率下,仍然得到了很好的语音效果。
本文作者创新点:
本文利用 DVSI公司的 AMBE2000,实现了低功耗,低传输速率下高语音质量的语音通信系统。本文基于实践,提供了较为详细的电路实现方案以及合理的功能配置 ,对于要求越来越高的语音传输系统,具有很高的实用价值。
查看评论 回复









