可靠和易用的 LTPoE++ 标准将 PoE 功率扩展至 90W -
[导读]以太网供电或称 PoE 是一种日益流行的方法,可通过现有以太网电缆同时供电和传送数据,因此应用可不受必须靠近 AC 电源的限制。随着 PoE 解决方案的增多,应用对功率的需求也增加了。新的专有标准 LTPoE++™ 将
以太网供电或称 PoE 是一种日益流行的方法,可通过现有以太网电缆同时供电和传送数据,因此应用可不受必须靠近 AC 电源的限制。随着 PoE 解决方案的增多,应用对功率的需求也增加了。
本文引用地址: http://www.21ic.com/app/rf/201210/149328.htm
新的专有标准 LTPoE++™ 将 PoE 和 PoE+ 规范的受电设备 (PD) 释放功率扩展至 90W,从而满足了对功率日益增加的需求。与其他功率扩展解决方案相比,LTPoE++ 还极大地降低了供电设备 (PSE) 和受电设备的工程复杂性。即插即用带来的简单性以及安全、可靠的供电是 LTPoE++ 的标志。该标准的各种功能使以太网供电应用的范围扩大了几个数量级,从而可实现各类全新的 PD ,例如消耗大量功率的微微蜂窝、基站或用于 PTZ (左右-上下-变焦) 摄像机的加热器。
PoE 的历史
PoE 是一种标准协议,用来通过铜缆以太网数据线发送 DC 功率。管理 802.3 以太网数据标准的 IEEE 小组于 2003 年增加了 PoE 功能。最初的 PoE 规范称为 802.3af,允许 48V DC 电源提供最高 13W 功率。尽管这一初始规范广受欢迎,但是 13W 的上限限制了应用的数量。2009 年,IEEE 发布了称为 802.3at 或 PoE+ 的新标准,提高了电压和电流要求,以提供 25.5W 功率。
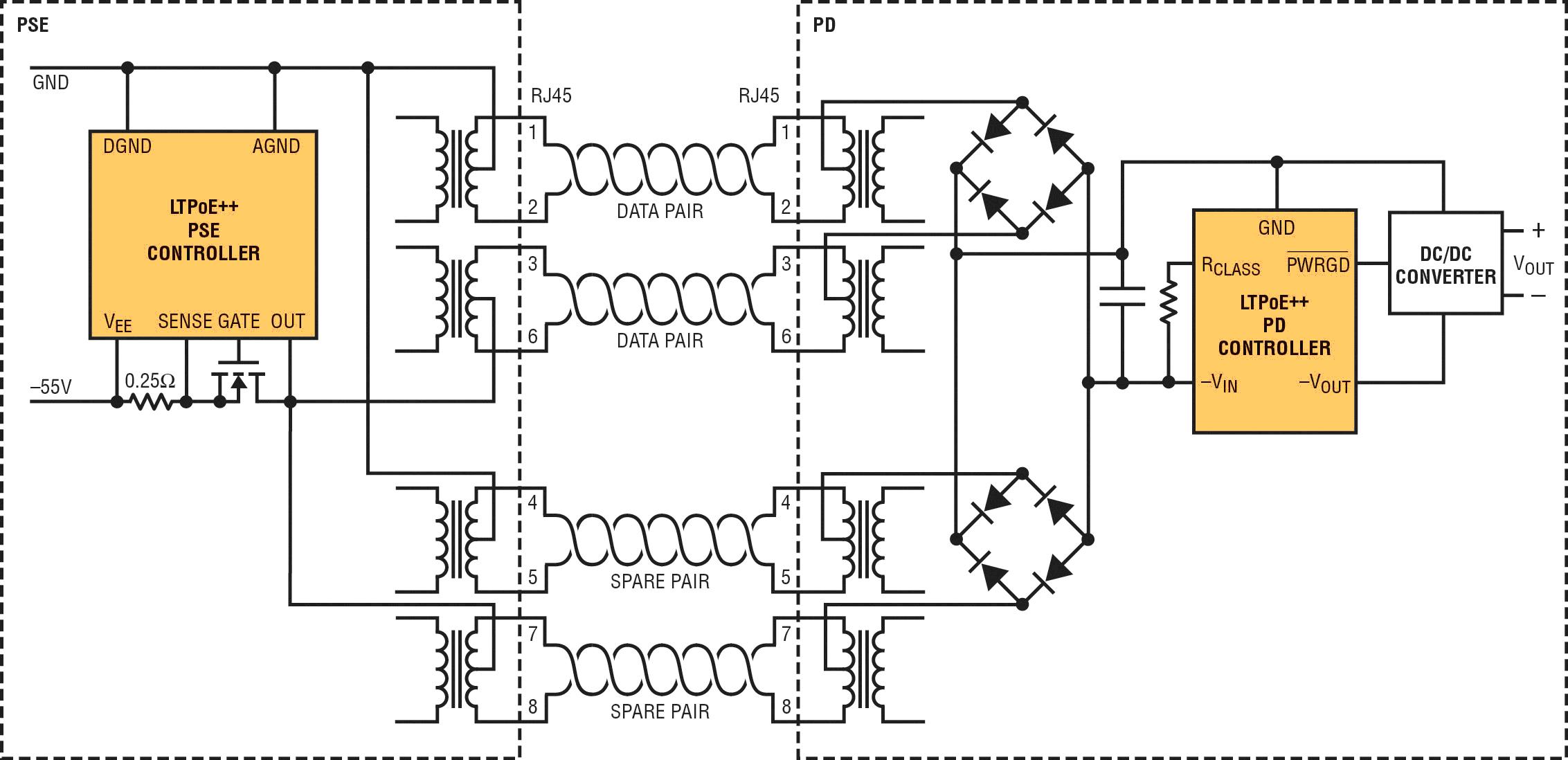
该 IEEE 标准还定义了 PoE 术语,如图 1 所示。向网络供电的设备称为供电设备 (PSE),而从网络吸取功率的设备称为受电设备 (PD)。 PSE 有两种类型:同时发送数据和供电的端点 (一般是网络交换机或路由器);以及注入功率并让数据通过的中跨。中跨一般用来给现有非 PoE 网络增加 PoE 功能。典型的 PD 应用是 IP 电话、无线接入点、保安摄像机、毫微微蜂窝、微微蜂窝和基站。

图 1:典型的 PoE 系统
IEEE PoE+ 规范规定了与 802.3af PSE 和 PD 的后向兼容性。PoE+ 规范定义了 Type 1 PSE 和 PD ,以将提供最高 13W 功率的 PSE 和 PD 包括进来。Type 2 PSE 和 PD 最高提供 25.5W 功率。
LTPoE++ 的演变
25.5W IEEE PoE+ 规范尚未最终确定,因为显而易见,对超过 25.5W 释放功率有巨大和日益增长的需求。为了满足这种需求,LTPoE++ 规范向 LTPoE++ PD 可靠地分配高达 90W 的释放功率。
LTPoE++ 规范可靠地扩展了现有 IEEE PoE 协议的检测和分类功能。LTPoE++ 与现有 Type 1 及 Type 2 PD 后向兼容并可互操作。凌力尔特的 LTPoE++ 与其他专有功率扩展解决方案不同,LTPoE++ 在 PSE 和 PD 之间提供相互识别。LTPoE++ PSE 可以区分 LTPoE++ PD 和所有其他类型的 IEEE 兼容 PD ,从而允许 LTPoE++ PSE 保持与现有设备的兼容性和互操作性。
LTPoE++ PSE 和 PD 可无缝地与 IEEE 802.3at Type 1 及 Type 2 设备互操作。Type 1 PSE 一般在包括 802.3af 功能,功率等于或低于 13W。Type 2 PSE 将传统 PoE 扩展至 25.5W。以下各点援引自表 1:
l Type 1 PSE 将以最高 13W 的功率为所有 Type 1、Type 2 和 LTPoE++ PD 供电。
l Type 2 PSE 将以最高 13W 的功率为 Type 1 PD 供电,并向 Type 2 和 LTPoE++ PD 提供 25.5W 功率。
l LTPoE++ PD 即使在连接到传统的 Type 1 和 Type 2 PSE 时,也能加电运行,但功能受限。
l LTPoE++ PSE 可与 Type 1 及 Type 2 PD 互操作。在向 LTPoE++ PD 供电时,可一直达到 LTPoE++ PSE 的设计极限。当识别出一个 LTPoE++ PD 时,如果PSE 的功率额定值满足或超过所请求的 PD 功率,那么将向该 PD 供电。例如,一个 45W 的 LTPoE++ PSE 可以为 35W 和 45W 的 PD 供电。
IEEE 兼容 PD 的检测
LTPoE++ 的物理检测和分类方法简单并可后向兼容扩展现有方案。其他功率扩展协议违反了 IEEE 规范,如图 2 所示,而且有向已知非兼容 NIC 加电的风险。违反 IEEE 规定的检测电阻规范的任何大功率分配方案都有损坏和损毁非 PoE 以太网设备的风险。

图 2:IEEE 802.3at 特征电阻范围
以下规则界定了能实现最高安全性和互操作性的检测方法。
优先规则 1:不接通不应该接通的东西
优先规则 2:接通应该接通的东西
凌力尔特的 PSE 运用 4 点检测方法极其可靠地提供检测方案。利用强制电流和强制电压测量方法来检查特征电阻,可最大限度地减少错误的阳性检测。
LTPoE++ 的优势
标准的 PoE PSE 采用 4 对可用以太网电缆中的两对进行供电。有些电源扩展拓扑结构在一根电缆上使用 2 个 PSE 和 2 个 PD 以提供 2 x 25.5W 功率。图中示出了这种“双 Type 2”拓扑结构。这种方法的主要问题是组件数增加了一倍,因此 PSE 和 PD 的成本也增加了一倍。此外,可靠的设计在 PD 端需要两个 DC/DC 转换器 (每个 PD 一个) 其中每个 DC/DC 转换器都是相对复杂的反激式或正向隔离式电源。

图 3:代价高昂地扩展 PoE+ 功率的方法。双 Type 2 PD 提供高于标准 PoE+ PD 的功率,但成本和组件数也翻了一番。
如图 4 所示,通过“或”连接 PD 的输出电源,双 Type 2 配置中的 DC/DC 转换器可以去掉一个。这种方法仍然需要两个 PSE 和两个 PD ,因此依然存在与成本和空间有关的缺点。电源“或”二极管导致的压降可以看作是,为了通过使用单个 DC/DC 转换器而得到节省,所付出的公平代价。大多数情况下,在浪涌保护测试开始之前,由二极管实现“或”连接的电源共享架构一直是有吸引力的。由于这类解决方案本质上会降低浪涌保护容限,因此很少能达到 PD 的设计目标。

图 4:不那么昂贵但有缺陷地扩展 PoE+ 功率的可替换方法。这种方法与图 3 所示的双 Type 2 配置类似,但用二极管实现“或”连接的电源共享架构允许在 PD 中少用一个 DC/DC 转换器,因此降低了一些成本。不过,这类解决方案本质上降低了浪涌保护容限,因此很少能达到 PD 的设计目标。
相比之下,如图 5 所示的 LTPoE++ 解决方案仅需要一个 PSE 、一个 PD 和一个 DC/DC 转换器,因此其优势是极大地节省了电路板空间、成本和开发时间。

图 5:LTPoE++ 架构是惟一能在 PD 端提供 90W 功率、同时保持复杂性和成本可控的 PoE 功率扩展解决方案。
LLDP互操作性及选项
在 PoE 系统的选择与构建过程中,许多 PD 设计师很惊讶地发觉了链路层发现协议 (LLDP) 实现方案的隐性成本。LLDP 是 IEEE 强制的 PD 软件级功率协商。LLDP 要求扩展至标准的以太网堆栈,并可能意味着需要进行大量的软件开发工作。不幸的是,旨在提供 LLDP 支持的开源社区工作仍然处于其起步阶段。
尽管可以选择用 Type 2 PSE 实现 LLDP,但是与 IEEE 标准完全兼容的 Type 2 PD 必须提供物理分类和 LLDP 功率协商功能。首先,这加重了就所有 Type 2 PD 进行 LLDP 软件开发的负担。此外,LLDP 意味着需要双电源,这使设计更加复杂了。尤其是,PD 一侧的处理器在 13W 功率时必须提供齐全的功能,并能通过 LLDP 进行协商,以提供额外的功率。显然,这种要求有可能提高开发工作以及系统的成本和复杂性。
LTPoE++ 提供了实现 LLDP 的选项。LTPoE++ PSE 和 PD 在硬件级自主地协商功率需求和功能,同时仍然保持与基于 LLDP 解决方案的完全兼容性。简言之,LTPoE++ 使系统设计师能选择支持还是不支持 LLDP。专有的端到端系统可能选择放弃支持 LLDP。这可以产生产品快速上市的优势,同时还可以进一步降低物料成本、减小电路板尺寸并降低复杂性。
功率参数揭秘
PoE 功率路径可以分成 3 个主要部分:PSE 产生的功率、提供给 PD 的功率以及提供给应用的功率。PSE 和 PD 的供电能力参数必须仔细检查,然后才能进行有用的比较。一个厂商可能给出的是PSE 提供的功率,另一个厂商可能给出的是提供给 PD 的功率,而 PD 设计师一般关心的却是应用消耗的功率。
尽管在 3 种功率参数中,PSE 的功率参数是最没用的,但是在市场营销材料中却是最常提及的。PSE 功率通常被定义为在以太网电缆的 PSE 端上提供的功率。当供应商规定的是最大额定电压条件下的功率时 (很少能够实现),供电能力有时会被进一步曲解。
PD 功率或“输出功率”是指输送至以太网电缆的 PD 端 (位于二极管电桥之前) 的功率。 PD 功率是一个比 PSE 功率更有用的参数,因为该参数必须考虑 100 米 CAT-5e 电缆上的大量损耗。受电功率参数对应用的 DC/DC 转换器和二极管电桥的效率未作任何假设,这两种效率对 PSE 和 PD 芯片厂商而言是未知的。
在考虑所有系统影响 (包括以太网磁性组件的电阻、二极管电桥的压降和 DC/DC 转换器的效率) 时,PD 设计师对提供给应用的功率最感兴趣。这一功率参数尽管最有说服力,却是最难以准确规定的。
表 2 显示了在各部分电源通路上进行的实际性能比较。请注意,双 Type 2 配置提供的功率远低于 LTPoE++ 70W 和 90W 解决方案。
可提供的 PSE
凌力尔特公司致力于开发 LTPoE++ 技术,并提供一整套 PSE 和 PD 的解决方案。如表 3 所示,涵盖 1 至 12 端口解决方案的一个完整 PSE 系列已经供货。
结论
LTPoE++ 提供可靠和端到端的大功率 PoE 解决方案,而且在前期就可节省成本。凌力尔特提供卓越的应用支持,拥有良好的交货记录,提供声誉卓著的可靠性,在此基础上,LTPoE++ 已成为市场上最全面的大功率解决方案。LTPoE++ 系统简化了供电,并允许系统设计师在设计工作中,集中精力解决价值更大的应用问题。
表 1:PSE 和 PD 的供电参数显示,LTPoE++ 扩展了功率

表 2:PSE、PD 和应用的功率
|
标准 |
类型 |
PSE 功率 VMAX |
PSE 功率 VMIN |
PD 功率 VMIN |
应用功率* |
|
802.3at |
TYPE 1 |
17.8W |
15.4W |
13W |
11.7W |
|
TYPE 2 |
36W |
34W |
25.5W |
23W |
|
|
双 TYPE 2 |
72W |
68W |
51W |
46W |
|
|
LTPoE++ |
35W |
47W |
43W |
35W |
31.5W |
|
45W |
66W |
63W |
45W |
40.5W |
|
|
70W |
94W |
89W |
70W |
63W |
|
|
90W |
133W |
125W |
90W |
81W |
*假定 DC/DC 转换器的效率为 90%
表 3:LTPoE++ PSE
|
PSE 器件型号 |
端口数 |
提供给 PD 的功率 (最大值) |
|
LTC4274A-1 |
1 |
35W |
|
LTC4274A-2 |
1 |
45W |
|
LTC4274A-3 |
1 |
70W |
|
LTC4274A-4 |
1 |
90W |
|
LTC4266A-1 |
4 |
35W |
|
LTC4266A-2 |
4 |
45W |
|
LTC4266A-3 |
4 |
70W |
|
LTC4266A-4 |
4 |
90W |
|
LTC4270A |
12 |
35W–90W (引脚可选) |
查看评论 回复
"可靠和易用的 LTPoE++ 标准将 PoE 功率扩展至 90W -"的相关文章
- 上一篇:ZigBee 技术分析 -
- 下一篇:天线放大器介绍及应用 -









