射频感应锁控制器设计实例 -
[导读]为得到较低的成本、提高可靠性和便于操作,电锁控制器的设计应遵循简明原则。本文介 绍采用RFM001射频模块的感应锁控制器的设计思路,并提供软硬件设计实例。母钥/子钥 模式是一种兼顾安全和简化操作的钥匙管理模式。
射频感应电锁通常由载有密码的射频IC卡(射频钥匙)来代替传统的金属制作的钥匙。在读出密 码后,通过一个电子控制器产生开门电信号,继而接通电源,驱动电控锁具开关门。这样做的好处首 先是杜绝了非法复制钥匙,其次是为人员进出实现信息化管理创立了条件。但是,锁的结构变得复杂 起来,不可靠的因素随之增加,成本也大幅度上升;又由于增加了某些操作,与机械锁相比使用难 度也提高了。可见,射频感应电锁在安全性能改善的同时,也带来了可靠性、成本、可操作性等一系 列新问题。如果在设计上不给以注意和采取措施的话,它反倒成了一种麻烦。
本文引用地址: http://www.21ic.com/app/rf/200907/45378.htm
可以认为,过于复杂的控制器往往是“麻烦”的根源。基于上述考虑,对射频感应电锁控制器, 不论采用何种技术设计,都应该遵从一个原则,即在保证基本功能的前提下,控制器要做得尽可能简 单。这里,基本功能一条很重要。也就是说, 在设计的开始,一定要仔细界定功能, 坚决剔除那些可有可无的东西。有的电控锁,除了开关门功能以 外,增加了许多不常用或难使用的功能,其结果,不但徒然增加了许多成本,还大大降低了可靠性。 这是导致产品不成功的重要因素。
本文介绍的感应锁控制器,力求符合实用、简单的设计原则,务求电控锁能够充分地扬长避短, 即在更安全的同时,保持较低成本(不降低性能为前提)、提高可靠性。
1 设计规范
1.1 功能要求
一个感应锁控制器的基本功能应包括:
◇ 感应钥匙开/关门;
◇ 感应钥匙(射频IC卡)的添加与清除;
◇ 锁体电磁离合器的驱动;
◇ 控制器工作状态声、光提示;
◇ 为节省电力进行限时操作,超时后即转入睡眠状态;
◇ 低电压报警;
◇ 按键唤醒功能。
为实现上述功能所需的人机界面:启动键(唤醒键)、清除母钥键、添加子钥键、清除子钥键、 状态指示灯、低压指示灯、蜂鸣器。
1.2 操作要求
管理射频钥匙一般采用授权发卡体系或卡片分级体系。为了 兼顾安全性和易使用要求,采用母钥-子钥二级模式管理钥匙。母钥的作用相当于一个系 统操作密码,由它对开门钥匙(集子钥)的添加和删除进行限制。
如何简单而有效地添加钥匙,是决定感应锁性能的重要课题。以往见到的二进制拨码开关增、删 子钥模式的主要问题是操作繁琐、效率低。采用添加、删除键,利用相邻子钥进行单一删除,是一种 自然、简便的方法。以下是本设计提供的钥匙增删操作要求。
① 清除母钥。先按住母钥删除键,后按下启动键,再放开启动键。母钥删除键保持按住5 s,听到一长声后即表示删除母钥完成。此后双灯闪烁,同时鸣叫五短声,表示母钥未设定。
② 设定母钥。在双灯闪烁的同时鸣叫五短声后,感应锁控制器将预设为母钥的感应钥匙感应。 听到一短声后,按添加键,蜂鸣器会发出两长声,此时即表示母钥已设定完成。每锁只能有一个母 钥,母钥只能用于增删子钥,不能开门。
③ 增加子钥。按启动键后,将母钥感应,听到一短声后,再将欲加入的子钥感应。听到一短声后 按添加键,听到三短声即完成一个子钥之设定。若按增加键后听到一短声,则表示欲加入的子钥早已 设定于内,是重复错误。用母卡做此增加时,也视为重复错误。连续增加时,只需重复感应欲增加的 新子钥,然后按添加键即可,最多增加29个子钥。
④ 开/关门。先按启动键,电路由睡眠状态转入读钥态。此时,可用钥匙感应,正确时听到一短 声,状态灯闪烁,门锁离合器通电动作,门开启。开启态持续5 s后,状态灯熄灭,离合器分断,门恢复关闭态。
⑤ 清除单一子钥。按启动键后将母钥感应,听到一短声后按清除键,将欲清除的子钥的前一个子 钥感应,听到一短声后再按清除键,听到二短声后即清除完成。如果欲清除的子钥为第一个,则它的 前一个子钥就是母钥。如欲清除的子钥的前一个子钥已被清除但尚未补入新子钥,请用再前一个子钥 清除,依次类推。如打算清除其他子钥,请重复以上操作。
⑥ 清除全部子钥。按启动键后将母钥感应,听到一短声后,再次用母钥感应,又听到一短声后, 按住清除键5 s,听到两短声加一长声,即将所有子钥清除完毕。
控制器的几个基本工作状态:
① 启动态。接通电源后,如果母钥已设定好,电池不欠压,则双灯均为熄灭状态;如果电池欠 压,则仅欠压指示灯稳定燃亮。如果母钥未设定好,则双灯闪烁,同时鸣叫五短声。
② 睡眠态。如果10 s内没有任何读钥操作发生,则电路自动转入睡眠态,以节省电力。
③ 电池低压报警态。电池电压≤5 V时低压灯燃亮。此时应尽快更换电池。
④ 故障状态。在做增加、清除操作时,如果发现状态灯持续亮,则表示电路故障,应停止使用。
以上操作及相关的声光提示,请参见表1 。
表1 功能与声、光提示对照表

1.3 技术参数
感应锁控制器的技术参数如表2所列。
表2 感应锁控制器技术参数

2 控制器的硬件设计
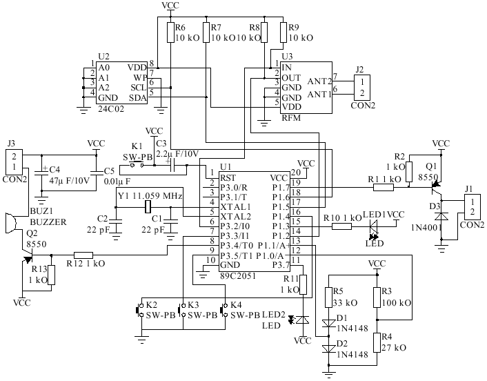
控制电路由单片机(U1)、钥匙存储器(U2)、射频模块(U3)、 人机界面部件、电磁离合器驱动电路和射频天线组成, 采用直流6 V(4节5号电池)供电。 图 1 是电路原理图。

图1 感应锁控制器电路原理图
射频模块选用基于美国德州仪器公司(TI)的射频模块RFM01。它功耗低,读卡速度高,接线简 洁。它需要配接1个电感值为 430~460μH、Q值大于15的天线线圈。也可以选用基于美国ATMEL 公司U2270B的射频模块,但性能稍差。
单片机选用ATMEL公司的89C2051。它的端口数和ROM可满足本电路的功能要求。单片机的工 作频率为11.059 2 MHz(不可以高于或低于这个数值,因为软件用这个频率和射频模块匹配)。如果 还要扩展其他功能,例如改用12或16键键盘,增加日历时钟或外扩存储器,可以选用端口数和 ROM更大的单片机。为获得更高的可靠性应采用OTP型兼容单片机。
钥匙存储器选用ATMEL公司的24C02 ,可存储30个钥匙。如果打算存储更多的钥匙,应选用该系 列更大容量的型号。为获得更高的可靠性可采用美国XCOR公司的兼容型号。
本电路采用了中功率PNP三极管担当电磁离合器驱动电路,可以驱动负荷电流在0.8 A以内的各种电锁专用电磁离合器或电机。如果打算驱动更大 负荷,可以改为继电器驱动方式,三极管输出接到继电器线圈即可,但这样会增大功耗。
由4个按键、2只发光二极管、1个蜂鸣器组成人机界面,以便完成 添加、删除、启动等必要的操作。
射频模块所匹配的天线线圈的参数必须准确,否则读卡 性能达不到设计要求。制作天线时,必须用仪器测量其参数。这里提供一套与 RFM01匹配的天线参数,如 表 3 所列。该线圈对钥匙型感应体的识别距离为80 mm,对卡片型感应体的识别距离为120 mm。
表3 天线参数表

本电路利用89C2051片上集成的比较器构成电池欠压检测电路。当发生 欠压时,点亮发光二极管。
为了最大限度地延长电池的使用寿命,当几秒钟没有操 作发生时,电路自动进入低功耗状态,即所谓“睡眠态”。这 是通过软件控制89C2051和射频模块的工作状态实现的。
3 控制器的软件设计
硬件需要与高效率的软件相配合,才能实现感应电子锁的各种功能。软件源代码使用C语言编 写,最终代码固化于89C2051的Flash ROM内。图 2 为流程图。

图2 软件设计流程图
查看评论 回复









