超远程高保真接收调频广播 -
[导读]调频(FM)广播的接收是近几年来,特别是去年的一个热门话题,这是因为调频广播较调幅(AM)广播音质好、保真度高、抗干扰性强、节目丰富,最关键的是成本低廉,现在虽然数字音源比比皆是,如CD、VCD、DV
调频(FM)广播的接收是近几年来,特别是去年的一个热门话题,这是因为调频广播较调幅(AM)广播音质好、保真度高、抗干扰性强、节目丰富,最关键的是成本低廉,现在虽然数字音源比比皆是,如CD、VCD、DVD等,但成本高,音乐软件又是一笔无尽的开支,而FM广播节目的接收则是免费的,故对收入不丰的而又想欣赏音乐的诸多发烧友来说,收听调频立体声(FM ST.)广播节目无疑是最好的选择。但发烧友的追求又永无止境,接收的台越多,选择性越大,但本地电台毕竟有限,这就是调频远程接收的由来。
本人也是调频发烧友中的一员,爱好调频接收已有十几年了,总结了一些经验。在前几年的《电子报》上陆续发表了一些有关调频接收方面的文章。特别是在介绍了美国道奇车用数字调谐收音机后,引起了一场全国性的调频接收热,当时也得天时、地利、人和,时值全国各地调频广播越来越多之缘故,使得众多的烧友加入了这一接收行列。然而事情并不像我们想象的那么简单,出现了这样或那样的问题,时至今日,还电话铃声不断,信函颇多,向我询问诸如选材、接收、维修等方面的问题,另受编辑之约,再次提笔,系统介绍调频高保真接收、选材方面的有关知识,使广大调频接收爱好者都能如愿以偿,圆调频发烧之梦。
一套完整的调频广播接收系统组成如图1所示,包括室外和室内两大部分。室外部分包括天线架和天线放大器;室内部分包括调频调谐器、功放和音箱。调频接收器由FM高频头和中放立体声解码电路组成。下边分别加以详细阐述。
本文引用地址: http://www.21ic.com/app/rf/201111/98503.htm
一、天线
天线是接收系统的门户,是第一站,没有天线,再好的接收机也收不到信号,没有良好的天线,远程接收也是不可能实现的。为了便于大家理解,我们跟电视接收对比,因为大家对电视接收是相当熟悉的,而它们同属调频传送。调频天线的设计,完全等同于电视天线,要求不高的话,可直接用5频道电视室外天线代替调频天线。天线有以下三个指标:
1.增益 天线的增益是用来说明天线接收信号能力的一个重要指标,它又是由天线的方向角和前后辐射比两个方面所决定。方向角越小,天线的接收能力越强,受其它方向的干扰就越小,这也就是为什么天线要对准方向,才能接收清晰图像和伴音的原因。天线的前后辐射比,是指天线前后接收信号强度之比,这个值越大,说明天线性能越佳。基本单元振子天线,有两个最大接收面,即前后比为1:1,如何增大前后比,使方向性更加尖锐,最好的办法是增加引向器和反向器,这也就是为什么只有在信号强时才用单个振子,而在信号弱时使用多单元天线的原因。理论上,引向器越多,增益越高,而反向器仅一根即可,但引向器过多,会影响带宽,机械强度也差,安装尺寸庞大,所以调频段的天线一般用三单元天线,最多不过五单元。
2.方向图 它是表示天线对不同方向的信号所具有的接收能力,它与方向角的意义不同。原则上应使半波振子天线与电台发射台的信号方向垂直,但事实上接收远地信号,由于传播有所改变,在接收时可能有所偏差,应以实际接收效果最好为标准。当然我们要求的不仅是一个方向,而是要求360°全方向接收,这就产生了多方向和全方向天线。事实上,前面的单个振子就是多方向天线,若将两副振子垂直组合,便成了十字全向天线,此种天线笔者原来也介绍过,但因其效率低,增益低,故用在信号弱地区不很适宜。唯一的办法就是用转向天线,它既有较高的增益,又有好的方向图,它能与来自任何方向的信号进行垂直接收,并获得最大增益,它能提高信噪比,消除邻频干扰甚至同频干扰,是我们调频接收爱好者的最佳选择。
3.带宽 它是表示接收调频信号频率的一个指标。通频带越宽,表示其接收电台越多,我国规定调频广播的频率范围是87.5~108MHz,总带宽为20MHz,仍属窄带天线,其中
____
心频率为=√λ1?λ2 =97.4MHz,一般取98MHz,如果偏向某一频段,比如低段(88~98MHz)或高频段(98~108MHz),设计天线时,可以有意倾向某端,灵活掌握。
总之,接收调频广播对室外天线的要求是增益要高,具备全方向接收(若其它方向无电台,也可定向接收),使用方便。一般三单元天线增益是7dB,五单元天线可达11dB。去年笔者使用的FM9901A型天线,便是国内首家按调频广播接收设计的三单元专用天线,利用电源盒,可以控制天线全方位转动接收,效果不错。由于设计天线尺寸计算复杂,下面仅给出五单元调频天线的制作尺寸,见图2,供爱好者自制参考。
材料:使用∮10mm的铝管,按图制作,铜管更好,直径越大越好,但在弯制折合振子时先用砂粒灌满,然后弯制,这样不易折断,且弯曲处光滑。中间可用相同材料连接,但注意必须在引向器和反向器的中点。也可用绝缘材料连接,均不影响效果。
二、天线放大器
放大器是FM超远程接收的必不可少的组成部分,没有它,超远程接收是不可能实现的。它的作用是将天线接收到的微弱信号进行放大,以提高信噪比。另外,远程接收的天线一般架设得很高,需很长的馈线引入室内,这就有一定的损耗,放大器的另一个作用就是弥补传输馈线所带来的损耗。
天线放大器的一个重要指标就是增益。一般地讲,增益高一些,输出电平相应高一些,但噪声也随之增大,尤其弱信号更是如此,当输入强信号时,输出电平过高又会使接收机过荷失真,产生阻塞现象,因此增益要适当,一般在30dB左右,需要注意的是不要将放大器视为万能武器,好像有了放大器,一切问题都迎刃而解了,这里还有很多复杂的原因(后文将述)。因调频段带宽仅20MHz,属窄带放大器,只要在前级加入相应的带通滤波器即可。
选用放大器的原则是高增益,低噪声,最好带AGC功能。早期产品均是二级或三级高频三极管组成,噪声大;后期产品则采用一级低噪声晶体管加上一级集成放大电路,最常见的便是2SC3358+μPC1651的形式,这种形式被许多厂家所选用。近年较好的则是利用性能指标更好的AT415+A08电路,笔者认为这是目前最佳的组合,符合低噪声、高增益的选取原则。笔者曾介绍的QG836放大器便是这种形式。如有条件,可选用二级双栅场效应管构成的放大器,它除有较低的噪声,较高的增益外,还有很强的抗过载能力,应是除集成电路外,分立件的最好选择,双栅管可选用K73、BF964等型号。
实际上,只要是电视上用的放大器,均可用于调频段,仅需将前级带通滤波器换成调频专用的一体化BPF即可,它的外形似一只瓷片电容,但有三个引脚,即输入、地、输出,它的作用就是将88~108MHz以外的信号滤掉,而调频信号畅通无阻,有效地提高了信噪比。如购不到此件,可用电感、电容组合,如图3所示。
再告诉大家一点,笔者前段时间试验了用于卫星接收的高频头来做天线放大器取得了很好效果。卫星接收上用的高频头金属全屏蔽防雨结构,其内部的混频级和本振级除去不用。内部有三级场效应管构成的高频放大电路,其接收频率为3.4~4.2GHz,是调频段的几十倍,增益高、效果好。虽然内部有谐振电路,但微带电感对调频信号来讲仅相当于直导线,在前级加入BPF就是很好的放大器。当然笔者仅仅是做了一项试验而已,时间不长,其稳定性还有待考验。

三、室外部分系统连接及架设
有了好天线、放大器,其连接也很重要。
1.天线架与放大器的配接 一般来讲,放大器的输入、输出阻抗均为75Ω,而折合振子的阻抗为300Ω,必须用4:1的阻抗匹配器(可用电视机插座上的300/75的匹配器代用)加以匹配。若直接连接,损耗加大,本来已十分微弱的信号,再有损失,其信号岂不更小,因此应十分重视匹配问题。虽然半波振子的阻抗为75Ω,但本身机械强度差,且与75Ω的同轴电缆也存在1:1的平衡不平衡匹配问题。传输线不用扁平馈线而用圆馈线是因为前者损耗太大了,故选用损耗较小的75Ω同轴电缆,一般用75-3型,用75-5更好,当然成本也更高些。天线放大器一般安装在天线架下面30cm左右,也有装成一体化形成的,如FM9901型天线便是这种形式,同时解决了防雨雪问题。
2.从放大器到接收机的连接 若接收机是单鞭拉杆天线,仅接同轴线的中间铜丝,外层屏蔽网空着。若是成品调谐器,一般有75Ω和300Ω两组天线输入端子,可接属于压接方式的75Ω端子,只有正确的匹配,才能获得最大的电平输入。
若架设室外天线,尽可能提高天线高度,一般是高于地面6m以上,高于屋顶3m以上。但也并非越高越好,太高效果反而可能变差,应根据实际接收效果决定架设高度,如果周边物体都没有天线高,还要安装避雷针,并使其良好接地,以免雷击。
不少读者来电来函询问:据介绍某型天线或放大器接收效果好,但实际使用为什么改善不大,或者效果反而更差了。应该说:器材是好的,但也是相对而言的,这与使用方法有关,可不妨检查一下系统连接是否有问题。其次,接收效果的好坏还与周围环境有很大的关系,如发射台天线的高度,发射的功率大小及周围的建筑物等等,不能一概而论。一般讲,山区的接收比平原要差,尤其超远程接收。有时将天线位置移动几米,多试几个点架设,可能就有很大的差异。若能用室外天线收好广播,就不必再加放大器了,放大器使用不当时,就是一个噪声源;有的为了达到远程接收,采用两个放大器串接起来,这时必须注意两个放大器至少距离2m,还要有一定衰减,否则很难成功。
本人地处黑龙江山区(北纬44.7°、东经128.2°),曾用十字全向天线配合道奇机或星河机收到几十个电台。效果良好的如哈尔滨第3套省台广播,长春的第8套、吉林市的第4套,其余均为周边县市台。但其它的像北京、安徽、武汉、湖北、江苏、浙江等地文艺台,还有韩国、日本、俄罗斯等外国电台都属超远程接收,这类台不可能长期稳定接收,由于是电离层的折射和反射所形成的,其场强忽大忽小,一会稳定、异常清楚,一会又噪声四起,直至消失。一般的规律是:早晚接收效果好,夏季比冬季要好。
四、FM高频头
调频接收机的灵敏度主要由高频头来决定,它是接收机的第一站。一般情况下,分立件组装的比集成电路好,两片集成电路又比单片电路要好。如市面常见的CXA1238、CXA1019、TEA5711等均是单片收音电路、集高放、中放、解调(甚至功放)于一体,由于电路挤在一片芯片上,势必有所取舍。而单片调频头电路,如TA7358、LA1185等等都是专用调频头电路,故一致性较好,灵敏度较高,它一般包括高放、本振、混频三部分,所以用专用的调频头电路加上中放解调电路,应是较好的组合,如常见的TA7358+TA8132、德生PL757等。分立件组装的调频头早期均为三极管电路,一级高放,一级变频,较好的有独立的本振。若把高放三极管换成场效应管,则噪声大为降低,增益也可提高几个分贝。若想进一步提高增益,单靠加大高放级的数目是不够的(因此时噪声也大了),必须采用窄带调谐电路,即在高放级前再加一个选频回路,这样不但提高了增益,而且提高了抗干扰能力和选择性,所以高级的调频头都采用三连可变电容调台,如汽车上调频收音机高频头均采用这种三连可变电容或电感调台,高放采用单栅场效应管,有独立的本振和混频,这也就是为什么汽车上的收音机比普通收音机灵敏度高的原因。关于汽车收音电路可参见本报1991年合订本附录。高频头的灵敏度是用μV来表示的,一般做到≤1μV的灵敏度,就是相当不错的指标了。
关于数字调谐器(电调谐),只不过是把调台的可变电容换成了变容二极管,改变加在二极管上的电压,其电容也随之改变。这样省去了体积较大的电容和复杂的拉线机构,且可加入键控、遥控,方便了许多。电调谐的接收机一般都带有液晶(或荧光)显示屏,用于显示波段、频率、时间、立体声、台号等信息,使接收一目了然。现在数字调谐器也从几百元降至一二百元,调频接收爱好者最好使用这种数字调谐器,尤其优先选用三个变容二极管组装的高频头,但也不要以为凡数字调谐器灵敏度均高,只不过是使用方便罢了。去年介绍的美国道奇车用收音机和国产星河883A调谐器均是采用的窄带调谐高频头,故而灵敏度都很高,只可惜目前都无货可供。笔者在本报今年第10期曾介绍了两款高性能的调频高频,均为全新日本原装,独立屏蔽、场效应放大、窄带调谐 电调谐专用发烧头,其特别之处在于分三段接收,频率范围VL:70~150MHz、VH176~223MHz;U段:475~770MHz;除能接收标准的调频波段外,还能接收电视3频道以上的伴音,包括大部分增补频道,是不可多得的十分优秀的调频宽带接收头。
另外笔者再推荐一款性能十分优异的电路,见图4,供爱好者自制参考。这是一款分立加集成的FM高频头,它集二者优点为一身:采用一级双栅场效应管调谐放大后,再经选频网络后进入FM高频头专用集成电路AN7254,进行高放、混频输出中频10.7MHz信号,又经10.7MHz的滤波器进入调频中周进一步选频后,进入集成电路进行一级预中放,从⑨脚输出纯净中频,再经10.7MHz滤波后送入中放解调。通过以上简单的流程叙述可见,10.7MHz的中频信号经过了三级滤波,可谓纯而又纯了,其选择性、灵敏度均十分出色;更难得的是AN7254除具有常规功能外,其⑧脚还输出高放AGC电压,调控双栅管的第二栅极,以达到自动控制高放增益的目的,避免高灵敏度遇到强信号所带来的阻塞现象。笔者认为:这是一款最优秀的FM高频头电路。

五、有了灵敏度高的前级高频头,仅说明具备了接收超远程弱信号的能力。
而如何将中频信号解调出来,还原成声音,达到高保真,是一个很重要而往往又被忽略的步骤。这部分电路由中放、解调、立体声解码电路组成,附带调谐指示和立体声指示及单/双声切换电路。主要技术指标有:中放增益,越高越好;谐波失真,越低越好;信噪比,越高越好;立体声分离度,越高越好。这部分电路主要由集成电路构成,常用的电路有CX-A1238、TEA5711、TA8127、TA8132等。这些电路,只要输入10.7MHz的中频信号,就会有左右声道的立体声音频信号输出,且这几片电路均可配接AM电路,外围元件少,适合自己动手制作,其它的两片电路,如中放解调,只输出单声道信号,还要进入单片解码电路,还不如一块简单,且性能稳定。
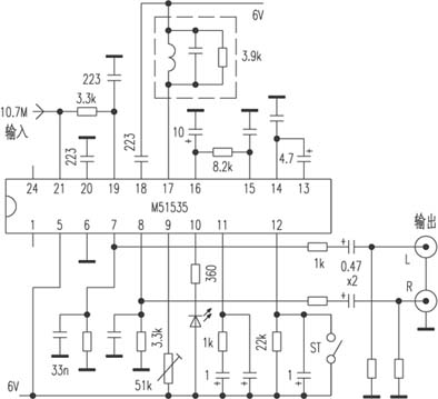
笔者推荐日本三菱的M51535电路,应用电路图见图5。这是本人迄今为止见到性能指标最好的单片解调电路,尤其外围元件的选择,尽用补品:CBB电容、黑金刚电解、村田瓷片、TDK10.7M。试用表明,解调后音色相当不错,冠以高保真绝不夸张。这使我想到:音响摩机成风的今天,为什么不把你的FM调谐器高保真音源摩一摩呢?花费不多,可能有意想不到的收获!该电路的技术指标为:谐波失真0.05%、信噪比72dB、立体声分离度45dB,可见性能不俗。但只有立体声指示而无调谐指示,而上列几款均具备调谐和立体声指示。此外,接收弱信号的立体声广播节目噪声较大。不过该电路内部有自动切换电路,也可用手动开关直接切换到单声道位置,这时就变成了清晰的单声道广播。其原理是减少了带宽,提高了信噪比,因为电台频率是指它的载波频率,它的上下还有200kHz的边带信号,故两个台间隔0.4MHz才不会发生干扰,单声道广播带宽为200kHz,立体声带宽为400kHz。实际上,当接收广播节目时,由于本地台少、间距很大,不可能产生干扰,而恰恰在接收很多的远地电台时,不可避免地有邻频或同频干扰,除了靠天线方向消除外,当在0.3MHz间隔发生干扰时,可用两只10.7MHz中频陶瓷滤波器串联使用,以抑制邻频干扰,一般都能取得较好效果。此时最好用一级预中放来弥补10.7MHz的插入损耗,具体可参见本报1997年合订本相关文章。
关于音箱和功放的配置已不属本文讨论之范围,但接收的调频节目还有噪音,可利用功放的降噪电路,一般用LM1894组装,它对FM广播噪声有很好的抑制作用,也可串联使用,降噪效果加倍,如功放上无此电路,不妨直接加在调谐器中,成为名符其实的高保真调谐器。下面推荐一套黄金组合:三单元遥控转向带天线放大器室外FM专用天线+电视用遥控板+MITSUMI三波段调频头+M51535中放立体声解码板+LM1894降噪电路,总成本约320元。有这套组合,可谓一款超级高灵敏全波段FM调谐器了,它可存储多达90个电台,实现70~770MHz的调频信号接收,选台操作一切由遥控器操作。米兹米三波段高频头结构与彩电高频头十分类似,所以直接利用加装遥控的电视遥控板变通使用,十分方便(若省去遥控板,可节约成本,但手调谐太费事了,必须用专用的多圈电位器调谐)。若再加一片TA7630板,那么连高低音、平衡、音量大小也能遥控了;若再加一电调AM组件,(接收频率0.1~6MHz),就又能收听长、中、短波的调幅电台了,当然成本又相应地增加了,但毕竟一分钱一分货,总的来说,性价比还是很高的。
以上是结合本人接收经验写下的一点体会。如果你的条件较好,可以接收卫星传送的电台节目,它也是调频制,其音质达CD水平,但不能用普通收音机解调,而是专用的卫星接收机。目前一套1.5m的模拟套站仅四五百元,一套数字套件也仅千余元,比前几年便宜多了,其接收效果十分稳定,不受任何干扰,24小时全天候播音。目前模拟套站中可收到利用伴音副载波传送的十几套中央及省台广播节目(部分节目需丽音解码器解码),而数字套站,仅亚洲2号卫星上就能收到四五十套广播节目,包括部分外国音乐台,大部分为立体声,其音质相当好。现在国内节目均集中在鑫诺1号卫星上,虽然图像加密,但广播节目还是开放的,其中中央人民广播电台7套,中国国际电台1套,中央第三套文艺调频为立体声,省台广播节目30余套,而接收此卫星信号仅需0.6米天线,是国家普及的村村通工程。我们不仅能看到近似DVD画面,还能听到CD水平的伴音和广播,关键信号十分稳定。当然,也有专用于音频广播的卫星——亚洲之星,现已发射定点成功,但接收机太贵,我们目前根本消费不起。本来数字接收机是用来收看数字化电视节目的,而现在我们把它当收音机用,似乎大材小用了,但作为接收高质量音频广播节目,也不失为一种较好的尝试。

查看评论 回复









