基于AT89C51的燃气泄漏报警与应急处理器 -
[导读]0 引言随着城镇管道和罐装燃气的推广普及,由于使用不当和设备老化导致的燃气泄漏爆炸或中毒事故时有发生,因此安装燃气报警器已越来越受到重视。然而,目前燃气报警器的发展很不平衡,由PC机值守的大型集群监控系统
0 引言
本文引用地址: http://www.21ic.com/app/mcu/201203/110899.htm
随着城镇管道和罐装燃气的推广普及,由于使用不当和设备老化导致的燃气泄漏爆炸或中毒事故时有发生,因此安装燃气报警器已越来越受到重视。然而,目前燃气报警器的发展很不平衡,由PC机值守的大型集群监控系统虽技术先进但价格昂贵,须设专用机房和专人管理,使用范围局限于条件较好,物业管理水准较高的住宅区或单位。而一般的燃气报警器却大都存在一些缺陷,有的功能单一,可靠性差,传感器损坏不易发现,不能更换,有的产品利用燃气管道专用电磁阀控制气源,其安装需拆动原管路,须报请燃气公司派专人处理,十分麻烦,因此也难为广大用户所用。据此现状,我们研制了一种基于单片机技术的燃气泄漏报警与应急处理器。该系统不仅能及时准确地检测出燃气的泄漏,进行声光报警,还能实现自动应急处理(排风和关闭阀门切断气源);传感器损坏能自查报警,用户可及时发现并能自行更换;阀门开闭装置设计独特,安装无需拆动原管路,使用十分方便,因此特别适合于无条件建立或加入集群监控系统的广大燃气用户使用。
1 硬件结构与工作原理
1.1 系统框图
系统主要由单片机电路、检测电路、报警电路和应急处理电路组成,其结构如图1所示。
当有燃气泄漏时,检测电路产生“气——电”信号送单片机,单片机控制蜂鸣器发出预报警信号,经延时、判断,确认为事故泄漏后,发出红光报警,同时启动应急处理程序,关闭阀门,切断气源,并开启排风扇排除室内被污染的空气;若检测到气敏元件损坏,系统关闭阀门并点亮黄色报警灯,提示用户更换气敏传感器。
1.2 单片机电路
单片机电路是系统控制的核心。单片机选用Atmel公司的AT89C51,其引脚分配如图2所示。基本外设有晶振电路(18、19脚)和上电复位电路(9脚),气敏元件损坏信号和燃气泄漏信号分别从P3.2(INT0)、P3.3(INT1)输入,作为AT89C51的两个中断触发信号,下降沿触发方式。P1.0、P1.1分别接开关SD1和SD2,用于手动控制排气扇和燃气阀门,报警与应急处理驱动信号分别从P2.0~P2.4输出。

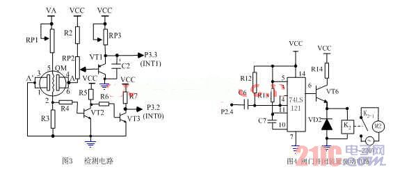
1.3 检测电路
检测电路包括燃气泄漏检测和气敏元件损坏检测两部分,原理电路如图3所示。气敏传感器选用QM型,这是由金属氧化物半导体材料制成的“气——电”转换器件。当有燃气泄漏时,其表面会发生化学吸附,使本身电阻(图中AA’间的电阻)下降,且燃气浓度越高,电阻下降越多[1],利用该特性并通过VT1等元件组成的开关电路即可获得“气——电”信号,完成燃气泄漏的检测,调节RP 1可设置不同燃气的报警限,C2为延时电容,用于减小传感器初始稳态的影响。
气敏传感器在使用中,其热丝可能烧断,但难以发现,致使用户在毫不知情的情况下继续使用已失效的燃气报警器。为能及时发现传感器的损坏,本系统特别设计了气敏元件自检电路(由R3~R7、VT2、VT3等组成)[2],元件正常时,R3上有电压信号,如热丝烧断,该信号为0,VT3集电极输出低电平至单片机,点亮黄灯报警,能使用户及时发现。同时,气敏传感器不直接焊入电路,而是通过七脚电子管座与电路连接,若损坏可方便地从管座中拨出换新,从而解决了更换难的问题。
1.4 声光报警电路
声光报警分别由蜂鸣器和红、黄发光二极管完成。燃气浓度大于预报警限时蜂鸣器由单片机输出低电平,经三极管驱动报警,发光二极管则由单片机直接驱动,当确认为事故泄漏时,红色LED点亮,当气敏元件损坏时,黄色LED工作。
1.5 应急处理电路与阀门开闭装置
应急处理包括驱动阀门开闭装置关闭阀门切断气源和打开排气扇排风。
阀门开闭装置由小型交流电动机(与减速器成一体)、托盘、支架、拨块等组成。电动机通过托盘及支架取与燃气管道垂直位安装于表前阀上,并使机、阀两轴相对,电动机轴端上固定的拨块套在阀门轴上,如电动机转动则阀门轴也随拨块转动,故可模仿人手控制阀门开闭。阀门从开位到闭位或从闭位到开位,阀门轴和电动机轴必须旋转1/4圈90度,采用软件编程或通过电路均可实现转轴的这一定位。为提高适应性,本装置选用后者,其方法是:利用单稳态触发器的暂稳态输出去控制电动机的通电时间,电路如图4所示。当单片机P2.4发出一负脉冲,单稳态触发器74LS121的3、4脚就会受到一负脉冲触发,6脚便输出一正单脉冲,其脉宽tw=0.7R13C7,而电动机转动1/4圈所需的时间为T=1/(4n)=15/n秒。n为电动机减速后的转速(单位:圈/分),调节R13使tw=T,则可确保阀门开或闭准确到位。
阀门开闭装置是为本系统开发的专用件,除具有结构简单,造价低(远低于燃气管道专用电磁阀),开闭动作平稳,易控,准确等特点外,由于在拨块和支架等部件上采用了一些特殊的设计,使其具有很强的适应性:不论阀轴长短,管道粗细均能适应;不论灶前阀、表前阀、耳型旋钮阀、手柄式阀都能安装;不论阀门或管道横摆、竖放概能固定,尤为重要的是开闭阀门的控制就在原管道和阀门上进行,无需改动或重新安装管道和阀门,而且固定、使用、维修、更换都很方便,这就克服了使用专用电磁阀时的缺点,因而容易被广大新老燃气用户所接受。
排风扇也是由三极管与继电器构成的电路驱动,其原理与图4类似,不同的是,后者三极管由单稳态触发器的输出信号驱动,前者则直接由单片机输出信号驱动。

2 程序设计[3]
程序主要由主程序、外部中断0和外部中断1服务程序组成。主程序对系统状态初始化时将两个外部中断都设置为下降沿触发方式,开外部中断后再进入对手动按键的检测,SD1闭合时开排气扇,断开时关排气扇;与之类似,SD2用来控制阀门的开闭。主程序设计成一死循环结构,处于随时可以响应中断的状态,如图5所示。
当传感器损坏时,外部中断0有中断请求信号,其服务程序完成黄光报警和关阀门功能,如图6所示。
当传感器检测到燃气泄漏时,外部中断1有中断请求信号,其服务程序发出声报警控制信号,调用延时程序后,再检测P3.3的电平,如变为高电平,说明刚有的信号是某些干扰或短时可控泄漏(如燃气灶点火时可能产生的瞬时泄漏)引起的,则关声报警后返回;如仍为低电平,则判为事故泄漏,须进行应急处理,即刻发出红光报警、关闭阀门切断气源和打开排气扇排污。此时若房主不在,系统则进入省电等待状态,即:再次检测P3.3,若为高电平,说明泄漏燃气已排尽,系统关闭声报警和排气扇,但表前阀仍关闭,报警红灯仍点亮,等待房主回后及时检查处理,程序流程如图7所示。

3 结束语
本系统采用单片机技术,实现了控制功能的多样化和智能化,简化了电路,降低了成本,提高了稳定性;传感器损坏报警及方便更换的特点,提高了系统的可靠性,延长了整机的使用寿命;阀门开闭装置的人性化设计,使系统更具有通用性和灵活性;另外,如果利用保留的单片机串口,增设通讯模块和相关程序,此系统还可作为集群监控系统中的下位机和现场执行机。在应用中,系统运行稳定、可靠、灵敏。与同类报警系统相比,本系统性价比更高,使用更为方便,因此具有广阔的应用前景。
参考文献
[1] 刘迎春,叶湘滨. 现代新型传感器原理与应用[M].北京:国防工业出版社,1998.1:153,157
[2 ] 张福学.传感器应用及其电路精选[M].北京:电子工业出版社,1992:60
[3] 何立民. MCS-51单片机应用系统设计[M]. 北京:北京航空航天大学出版社 1995.9
查看评论 回复
"基于AT89C51的燃气泄漏报警与应急处理器 -"的相关文章
- 上一篇:六通道数据采集及处理系统的研制 -
- 下一篇:单片机在燃料电池监控系统中的应用 -









