普通51单片机驱动3.5寸TFT的应用实例与源代码! -
[导读]
前市场流行的3.5寸屏基本上都是只内置了驱动器,而不带控制器,这样给用户的使用造成了一些难度。基本上很多朋友在用彩屏时选择一些带LCD控制器的ARM7或ARM9去开发,对于不会ARM开发的朋友来说,只
前市场流行的3.5寸屏基本上都是只内置了驱动器,而不带控制器,这样给用户的使用造成了一些难度。基本上很多朋友在用彩屏时选择一些带LCD控制器的ARM7或ARM9去开发,对于不会ARM开发的朋友来说,只使用普通MCU,这样可以选择的3.5寸TFT模块,就很难找到了。
本文引用地址: http://www.21ic.com/app/mcu/201807/765054.htm
本文就是基于市场上一款比较使用的3.5寸TFT模块编写的,用户只需要帮该TFT模块当作普通的单色液晶的开发思路来使用,就可以很容易去编程。
一、 硬件选择
1、 MCU:AT89S51
2、 开发编译环境:Keil C51
3、 3.5寸TFT模块型号:MzT35C1
二、 TFT模块基本性能:
1、基本参数
模块结构: 内置控制器
屏幕大小: 3.5英寸
屏幕分辩率:320*240
屏幕颜色数:65536色(16位真彩色)
工作电压: 3.3V/5V可选
总线结构: Intel8080
总线宽度: 8Bit
背光形式: LED;可指令控制,0-127可调
连接方式: 排针插座
触摸屏:标准配置不带触摸屏;模组留有触摸屏芯片焊盘和触摸屏接口
2、接口引脚说明
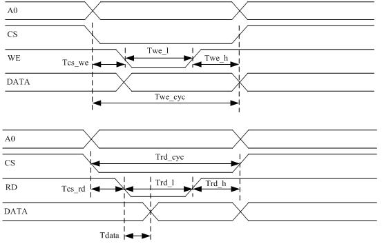
3、操作时序(8位并行Intel 8080总线)
MzT35C1模块支持intel8080总线,总线的最高速度可达20MHz(当然总线的速度能否达到最高接口速度,还与用户的总线布线、线长等有关),也就是说,如果控制MCU速度足够快的话,是可以支持视频的显示的。

注意:MzT35C1模块的总线接口是8位的,也就意味着对显存的数据操作时,需要连续进行两次操作方可完成,先传高字节再传低字节;但对于寄存器的操作(写入寄存器地址,即A0为低时的写入操作)8位的操作方可。
三、MzT35C1与51硬件接口连接图
本例程使用GPIO来模拟总线时序。上图的模块供电为5V的模块,而模块的端口电平为3.3V的,所以在所有的51端口与模块间的连接串入了一个100欧的电阻,有关MCS51的其它电路不在图中画出,请用户具体参考其它的开发板文档进行了解。而图中的MzT35C1模块的相关引脚请以实物为准,图中仅示意对应的名称的端口,请用户在参考使用时注意。

三、 底层驱动代码编写方法
1、 端口配置
#i nclude "REG52.h"
#i nclude "intrins.h" //包含此头文件可直接操作内核的寄存器以及一些定义好的宏
#define LCD_CTRl_GPIO() //无定义
#define LCD_Ctrl_Out() LCD_CS_SET();LCD_RD_SET();LCD_RW_SET();
#define LCD_Ctrl_Set(n) //无定义
#define LCD_Ctrl_Clr(n) //无定义
sbit LCD_CS = P2^6;
#define LCD_CS_SET() LCD_CS = 1
#define LCD_CS_CLR() LCD_CS = 0
sbit LCD_RE = P3^5;
#define LCD_RE_SET() LCD_RE = 1
#define LCD_RE_CLR() LCD_RE = 0
sbit LCD_A0 = P2^5;
#define LCD_A0_SET() LCD_A0 = 1
#define LCD_A0_CLR() LCD_A0 = 0
sbit LCD_RW = P3^6;
#define LCD_RW_SET() LCD_RW = 1
#define LCD_RW_CLR() LCD_RW = 0
sbit LCD_RD = P3^7;
#define LCD_RD_SET() LCD_RD = 1
#define LCD_RD_CLR() LCD_RD = 0
#define LCD_Data_GPIO() //51的端口是双向的,无需特意规定方向,故无定义
#define LCD_Data_Out() //51的端口是双向的,无需特意规定方向,故无定义
#define LCD_Data_In() P0 = 0xff //51的端口要读数据前需要先输出0xff
#define LCD_Data_BUS_Clr() //无定义
#define LCD_Data_BUS_Set(n) P0 = n
#define LCD_Data_Read() P0
2、写数据和指令操作
//==============================================
// 函数: void LCD_DataWrite(unsigned int Data)
// 描述: 写一个字(16bit)的显示数据至LCD中的显示缓冲RAM当中
// 参数: Data 写入的数据
//=============================================
#defineLCD_DataWrite(n) LCD_A0_SET();LCD_CS_CLR();LCD_Data_BUS_Clr();LCD_Data_BUS_Set((unsigned char)(n>>8));
LCD_RW_CLR();LCD_RW_SET();LCD_Data_BUS_Clr();LCD_Data_BUS_Set((unsigned char)n);LCD_RW_CLR(); LCD_RW_SET();LCD_CS_SET()
//=====================================================
// 函数: void LCD_RegWrite(unsigned char Addr,unsigned int Command)
// 描述: 写一个字节的数据至LCD中的控制寄存器当中
// 参数: Addr 要写入的寄存器的地址,低八位有效(byte)
// Command 写入的数据
//=====================================================
#define LCD_RegWrite(n)
LCD_A0_CLR();LCD_CS_CLR();LCD_Data_BUS_Clr();LCD_Data_BUS_Set(n);
LCD_RW_CLR();LCD_RW_SET();LCD_CS_SET()
2、 读数据操作
//=============================================
// 函数: LCDBYTE LCD_DataRead(void)
// 描述: 从LCD中的显示缓冲RAM当中读一个字节的显示数据
// 参数: 无
// 返回: 读出的数据,
// 备注: Mz 通用版LCD驱动程序 标准子函数
//===========================================
LCDBYTE LCD_DataRead(void)
{
LCDBYTE Read_Data;
LCD_Data_In();
LCD_A0_SET();
LCD_CS_CLR();
LCD_RD_CLR();
LCD_RD_SET();
LCD_RD_CLR();
LCD_RD_SET(); //前面的操作是要完成一次完整的空读操作后方能读取到数据
//如果用户需要连续读取显存,侧仅需要在第一次读数据时作一
//次空读操作即可
LCD_RD_CLR();
Read_Data = LCD_Data_Read();
Read_Data = Read_Data<<8;
LCD_RD_SET();
LCD_RD_CLR();
Read_Data |= LCD_Data_Read();
LCD_RD_SET();
LCD_CS_SET();
LCD_Data_Out();
return Read_Data;
}
3、 初始化TFT操作
void LCD_Init(void)
{
// FLASH *Init_String;
//LCD驱动所使用到的端口的初始化
LCD_PortInit();
//根据LCD显示的配置,设置LCD的数据地址指针自动增加特性
//end
LCD_RE_CLR();
TimeDelay(5);
LCD_RE_SET();
LCD_RegWrite(0x03);
LCD_DataWrite((1<<7)| (0x60<<0)); //设置背光控制使能、背光亮度等级为60(0~127)
LCD_RegWrite(0x04); //写系统寄存器
// LCD_DataWrite((0<<7)| //当前显示页
// (0<<6) | //当前读写页设置
// (1<<0)); //显示开关
LCD_DataWrite(MzT35_Ctrl_Reg);
/* Init_String = Initial_Tab;
while(Init_String!=0xffff)
{
LCD_RegWrite(0x05);LCD_DataWrite(*Init_String++);
LCD_RegWrite(0x06);LCD_DataWrite(*Init_String++);
}*/
LCD_Fill(LCD_INITIAL_COLOR);
}
查看评论 回复









