自学PIC单片机的要点和方法 -
[导读]
1.书本学习和动手编程对已有一定电子技术实践知识的读者而言,初学PIC单片机编程技术时,初其阶段最好是书本学习为辅、动手编程为主,其分配比例为20%与80%的关系。这样可达到速成目的。为此必须首
1.书本学习和动手编程对已有一定电子技术实践知识的读者而言,初学PIC单片机编程技术时,初其阶段最好是书本学习为辅、动手编程为主,其分配比例为20%与80%的关系。这样可达到速成目的。为此必须首先改变学习的思维方法。学习数字电路或模拟电路时(全硬件),是先读书后实验,而单片机是一种可编程的芯片,学习时是以它的指令为依据,按设计功能进行逻辑思维,再把需要的指令进行合理的组合,方能成功。如果不进行动手实践操作,仅背诵指令而不会使用指令是永远达不到学习的目的。
2.初识PIC单片机芯片的外部特性PIC单片机芯片产品上百种,初学该单片机时不可能一一学习和浏览它。最好的方法是任选一两种芯片进行初识,一旦把它的性能和使用掌握之后,再去了解其它产品的性能就一目了然。这里以PDIP封装的PIC16F84A和PIC16F627为例,初识其外部特性。图1和图2分别是上述两芯片的引脚和引脚主要功能图。两种芯片的共同点是:(1)都是18引脚;(2)引脚的供电端14、⑤脚完全相同;(3)都有8个B口即RB0~RB7,且引脚位也相同;(4)芯片复位端MCLR在第④脚;(5)相同的晶体振荡15、16引脚。不同点是,PIC16F84的A口共5个RA0~RA4、PIC16F627的A口是6个RA0~RA5。此外图1、图2的芯片引脚上还有一些其它字母符号,它们是代表IC单片机引脚具有复用的功能(见后文实例介绍其用途)。
值得注意:PIC16F84/16F627的所有RA、RB口都可用软件(指令)设置成输人口或输出口即书本上把口称为I/O端口特性。
本文引用地址: http://www.21ic.com/app/mcu/201808/765646.htm

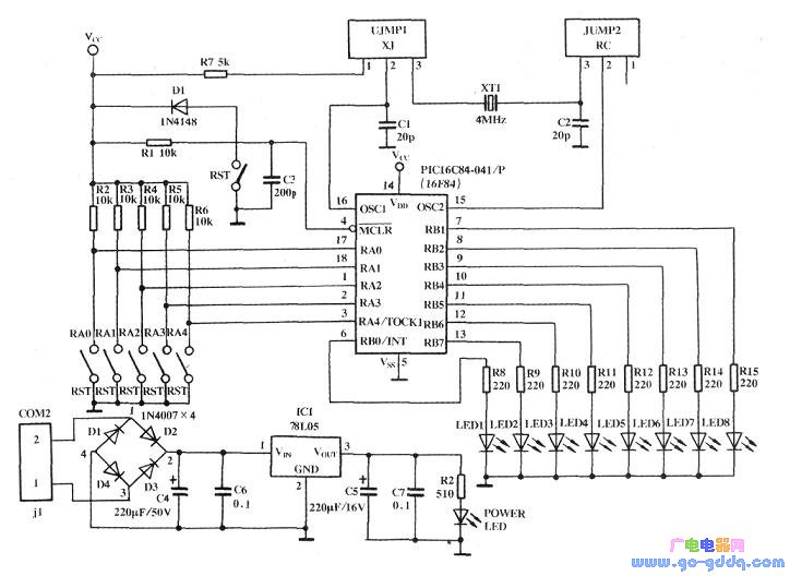
3.PIC16F84引脚应用电路实例
为了说明右图、左图的PIC单片机引脚的使用方法和用途,特将PIC实验编程器1.01版所配套的实验板如下图所示的电路,作为实例加以介绍。图中IC2是一个18引脚的lC插座,只要插上已编程了PIC16F84芯片(包括PIC16F84/16C84)即可完成其实验工作。IC2各引脚端外接有各类元件,现简述其功能。
(1)电路的供电电源:在图3电路中采用了电源适配器的供电,适配器输出电压(≥15V交直流电均可用)加到Jl的插孔上,经D1~D4整流(或极性变换),再经7805稳压输出VCC(+5V)电压给电路(包括IC2)供电。
(2)振荡源:IC2的15、16脚外接有可跳接(形成通路)的接插件。当JUMP1和JUMP2的②、③脚相连时,实验板上可插接晶体(<10MHz)XT或陶瓷组成振荡器;当JUMPI和JUMP2的①、②脚接通时,其振荡器为RC阻容方式。读者在编制延时或计数的程序时,更换晶体的不同频率,可直接观察它们的时延变化。
(3)复位电路:IC2的④脚外接Rl、Dl、C3和微动开关RST,组成ICZ的复位电路。
(4)关于RA0~RA4口:该实验板把A口有意设成输入口,以便实验操作。
所以在RA0~RA4的引脚上接有电阻R2~R6,该电阻一端接电源Vcc,另一端均接微动开关RST。电路起动之后,A口都是高电平,只有当A口的微动开关被触动时,会引起口的电平变化。
(5)RB0~RB7口。该实验板有意将B口设成输出口,所以各B口外接有LED以显示B口的输出状态。
当B口输出“1”电平时,对应的LED亮;当B口输出“0”电平时,对应的LED不亮。电阻R8~R15为LED的限流电阻。

4.PIC16F84芯片内部硬件资源这里指的芯片硬件资源,主要是指PIC16F84内部的数据存储器,如下图所示。数据存储器由专用寄存器和通用寄存器(静态RAM)组成。专用寄存器用于CPU和控制芯片的外围操作;通用寄存器用于指令执行时存放数据和控制信息。在PC机上对PIC单片机建立源程序时,专用寄存器和通用寄存器将起重要的作用。但是要充分理解上述两种寄程器的用途,只有通过对PIC单片机编程的过程中才能完全体会到它们的作用。由图4可以看出,PIC16F84数据存储器是由两个存储体BANKO和BANK1(存储体0和存储体1)组成。每个存储也是由专用寄存器和通用存器组成。专用寄存器和通用寄程器都是8位的,其位的表示如附表的两种方法。

查看评论 回复
"自学PIC单片机的要点和方法 -"的相关文章
- 上一篇:AT45DB041读写程序 -
- 下一篇:AVR 的灌电流和拉电流 -









