STM32定时器TIM和PWM的输出 -
[导读]STM32一共有8个都为16位的定时器。其中TIM6、TIM7是基本定时器;TIM2、TIM3、TIM4、TIM5是通用定时器;TIM1和TIM8是高级定时器。这些定时器使STM32具有定时、信号的频率测量、信号的PWM测量、PWM输出、三相6步电机控
STM32一共有8个都为16位的定时器。其中TIM6、TIM7是基本定时器;TIM2、TIM3、TIM4、TIM5是通用定时器;TIM1和TIM8是高级定时器。这些定时器使STM32具有定时、信号的频率测量、信号的PWM测量、PWM输出、三相6步电机控制及编码器接口等功能,都是专门为工控领域量身订做的。
基本定时器:具备最基本的定时功能,下面是它的结构:
启动代码:
void TIM2_Configuration(void)
{基本定时器TIM2的定时配置的结构体(包含定时器配置的所有元素例如:TIM_Period = 计数值)
TIM_TimeBaseInitTypeDefTIM_TimeBaseStructure;
设置TIM2_CLK为72MHZ (即TIM2外设挂在APB1上,把它的时钟打开。)
RCC_APB1PeriphClockCmd(RCC_APB1Periph_TIM2 , ENABLE);
设置计数值位1000
TIM_TimeBaseStructure.TIM_Period=1000;
将TIM2_CLK为72MHZ 除以72 = 1MHZ为定时器的计数频率
TIM_TimeBaseStructure.TIM_Prescaler= 71;
这个TIM_ClockDivision是设置时钟分割,这里不分割还是1MHZ的计数频率
TIM_TimeBaseStructure.TIM_ClockDivision=TIM_CKD_DIV1;
设置为向上计数模式;(计数模式有向上,向下,中央对齐1,中央对齐2,中央对齐3)
TIM_TimeBaseStructure.TIM_CounterMode=TIM_CounterMode_Up;
将配置好的设置放进stm32f10x-tim.c的库文件中
TIM_TimeBaseInit(TIM2, &TIM_TimeBaseStructure);
清除标志位
TIM_ClearFlag(TIM2, TIM_FLAG_Update);
使能TIM2中断
TIM_ITConfig(TIM2,TIM_IT_Update,ENABLE);
使能TIM2外设
TIM_Cmd(TIM2, ENABLE);
}
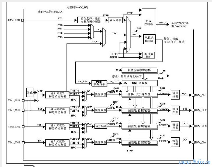
通用定时器:就比基本定时器复杂得多了。除了基本的定时,它主要用在测量输入脉冲的频率、脉冲宽与输出PWM脉冲的场合,还具有编码器的接口。
如何生成PWM脉冲
通用定时器可以利用GPIO引脚进行脉冲输出,在配置为比较输出、PWM输出功能时,捕获/比较寄存器TIMx_CCR被用作比较功能,下面把它简称为比较寄存器。
这里直接举例说明定时器的PWM输出工作过程:若配置脉冲计数器TIMx_CNT为向上计数,而重载寄存器TIMx_ARR被配置为N,即TIMx_CNT的当前计数值数值X在TIMxCLK时钟源的驱动下不断累加,当TIMx_CNT的数值X大于N时,会重置TIMx_CNT数值为0重新计数。
而在TIMxCNT计数的同时,TIMxCNT的计数值X会与比较寄存器TIMx_CCR预先存储了的数值A进行比较,当脉冲计数器TIMx_CNT的数值X小于比较寄存器TIMx_CCR的值A时,输出高电平(或低电平),相反地,当脉冲计数器的数值X大于或等于比较寄存器的值A时,输出低电平(或高电平)。
如此循环,得到的输出脉冲周期就为重载寄存器TIMx_ARR存储的数值(N+1)乘以触发脉冲的时钟周期,其脉冲宽度则为比较寄存器TIMx_CCR的值A乘以触发脉冲的时钟周期,即输出PWM的占空比为 A/(N+1)。
如果不想看的可以直接看我标注的红色字体,就大体可以理解。
具体代码:
void TIM3_GPIO_Config(void)
{配置TIM3复用输出PWM的IO
GPIO_InitTypeDef GPIO_InitStructure;
打开TIM3的时钟
RCC_APB1PeriphClockCmd(RCC_APB1Periph_TIM3, ENABLE);
打开GPIOA和GPIOB的时钟
RCC_APB2PeriphClockCmd(RCC_APB2Periph_GPIOA | RCC_APB2Periph_GPIOB, ENABLE);
配置PA6.PA7的工作模式
GPIO_InitStructure.GPIO_Pin =GPIO_Pin_6 | GPIO_Pin_7;
GPIO_InitStructure.GPIO_Mode = GPIO_Mode_AF_PP;
GPIO_InitStructure.GPIO_Speed = GPIO_Speed_50MHz;
GPIO_Init(GPIOA, &GPIO_InitStructure);
配置PB0.PB1的工作模式
GPIO_InitStructure.GPIO_Pin =GPIO_Pin_0 | GPIO_Pin_1;
GPIO_Init(GPIOB, &GPIO_InitStructure);
}
void TIM3_Mode_Config(void)
{
TIM_TimeBaseInitTypeDefTIM_TimeBaseStructure;//初始化TIM3的时间基数单位
TIM_OCInitTypeDefTIM_OCInitStructure;//初始化TIM3的外设
u16 CCR1_Val = 500;
u16 CCR2_Val = 375;
u16 CCR3_Val = 250;
u16 CCR4_Val = 125;//PWM信号电平跳变值(即计数到这个数值以后都是低电平之前都是高电平)
TIM3的时间基数单位设置(如计数终止值:999,从0开始 ;计数方式:向上计数)
TIM_TimeBaseStructure.TIM_Period = 999;
TIM_TimeBaseStructure.TIM_Prescaler = 0;
TIM_TimeBaseStructure.TIM_ClockDivision = TIM_CKD_DIV1 ;
TIM_TimeBaseStructure.TIM_CounterMode = TIM_CounterMode_Up;
TIM_TimeBaseInit(TIM3, &TIM_TimeBaseStructure);
TIM3的外设的设置
TIM_OCInitStructure.TIM_OCMode = TIM_OCMode_PWM1;//TIM脉冲宽度调制模式1
TIM_OCInitStructure.TIM_OutputState = TIM_OutputState_Enable;//这个暂时不知道,STM32固件库里没有搜到。应该是定时器输出声明使能的意思
TIM_OCInitStructure.TIM_Pulse = CCR1_Val;//设置了待装入捕获比较寄存器的脉冲值
TIM_OCInitStructure.TIM_OCPolarity = TIM_OCPolarity_High;//TIM输出比较极性高
TIM_OC1Init(TIM3, &TIM_OCInitStructure);
TIM_OC1PreloadConfig(TIM3, TIM_OCPreload_Enable);//使能或者失能TIMx在CCR1上的预装载寄存器
下面3路PWM输出和上面的一样不再解说
TIM_OCInitStructure.TIM_OutputState = TIM_OutputState_Enable;
TIM_OCInitStructure.TIM_Pulse = CCR2_Val;
TIM_OC2Init(TIM3, &TIM_OCInitStructure);
TIM_OC2PreloadConfig(TIM3, TIM_OCPreload_Enable);
TIM_OCInitStructure.TIM_OutputState = TIM_OutputState_Enable;
TIM_OCInitStructure.TIM_Pulse = CCR3_Val;
TIM_OC3Init(TIM3, &TIM_OCInitStructure);
TIM_OC3PreloadConfig(TIM3, TIM_OCPreload_Enable);
TIM_OCInitStructure.TIM_OutputState = TIM_OutputState_Enable;
TIM_OCInitStructure.TIM_Pulse = CCR4_Val;
TIM_OC4Init(TIM3, &TIM_OCInitStructure);
TIM_OC4PreloadConfig(TIM3, TIM_OCPreload_Enable);
TIM_ARRPreloadConfig(TIM3, ENABLE);//使能TIM3重载寄存器ARR
TIM_Cmd(TIM3, ENABLE);//使能TIM3
}
程序达到的4路PWM的效果:
本文引用地址: http://www.21ic.com/app/mcu/201808/779029.htm
可以看到明显占空比不同的4路pwm波。
这一节终于讲完,个人觉得敲一遍代码学起来还是蛮容易懂的。希望看到的人也能搞懂。
最后补充一点pwm具体能干什么?特别是对广大电子DIY爱好者的应用:
智能小车的电机控制:我们可以利用pwm来控制我们的智能小车的车速;
机器人:给“机器人关节”舵机周期一定(我以前玩过具体多少毫秒忘记了
)pwm波就可以控制舵机的转动角度了;
呼吸灯:输入不同的pwm波就可以达到明暗渐明渐暗的效果。
查看评论 回复









