电容触摸MSP430电路与LED驱动电路设计讲解
来源:网络整理 网络用户发布,如有版权联系网管删除 2018-06-29
MSP430系列单片机以低功耗和外设模块的丰富性而著称,而针对电容触摸应用,MSP430的PIN RO 电容触摸检测方式支持IO口直接连接检测电极,不需要任何外围器件,极大的简化了电路设计,而本设计文档中使用的MSP430G2XX5 更支持多达2个IO口,可驱动24个以上的LED灯,达到理想的显示效果。
电容触摸实现原理
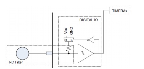
MSP430根据型号的不同支持多种电容触摸检测方式,有RC 震荡、比较器、PIN RO,本设计使用的是PIN Relaxation Oscillator 方式,原理如图,芯片管脚内部检测电路由施密特触发器、反向器,以及一个电阻组成,震荡信号经过施密特触发器变成脉冲信号,再通过反向器反馈回RC 电路,通过Timer_A对施密特触发器的输出进行记数,再通过设置测量窗口Gate 获得记数的结果。当手指触摸电极,电极上的C 产生变化,导致震荡频率改变,这样在定长的测量窗口就能获得不同的记数结果,一旦差值超过门限,结合一定的滤波算法判断就可以触发触摸事件。

PIN RO 原理图
电路设计
MCU 通过一个5V 转3.3V 的LDO 给VCC 供电,使用LDO的目的是为了保证电源的稳定,让触摸电路在检测信号时不会因为电源的噪声产生过大的信号偏差。电极上串的电阻作为ESD保护器件,如果在产品结构设计合理的情况下可以省去。电路中预留了UART 口与主控系统通讯。
由于每一个LED 的电流在10mA左右,24个LED如果同时亮就有240mA,无法通过MCUIO口直接驱动,在每个LED 上加一个三极管以及限流电阻,实现24路LED 的控制。
查看评论 回复
"电容触摸MSP430电路与LED驱动电路设计讲解"的相关文章
- 上一篇:采用MSP430行驶车辆检测电路设计
- 下一篇:MSP430中的SD16模块
