7800跟踪式稳压电源电路图 - 模拟电源 -
来源: 网络用户发布,如有版权联系网管删除 2018-09-24

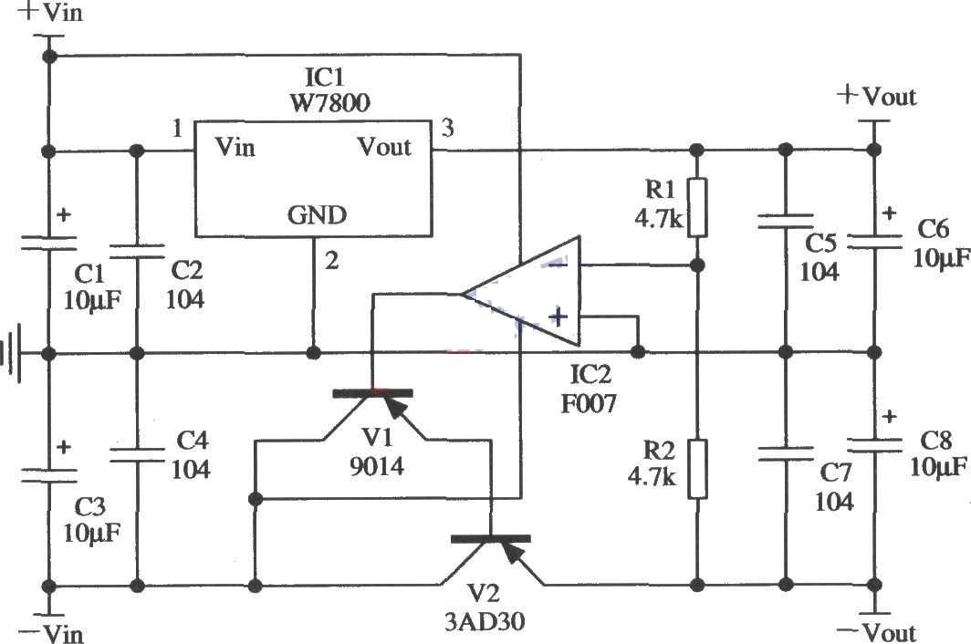
如图所示是用7800正集成稳压器和F007运算放大器组成的跟踪式稳压电源的应用电路。在有些使用正、负电源的场合,需用负电源跟踪正电源的变化。图中用W7800 做正电源,用运算放大器和功率管组成可跟踪的负电源。图中用两只完全相同(精度要高)的4.7 kΩ电阻,将F007的输入端电位控制在零电平,而用F007的输出端去控制负电源回路中的调整管,以保持负输出对正输出的跟踪。F007运放的电源采用正、负的输入电压源。
查看评论 回复








