三相并联有源滤波器的主电路 - 模拟电源 -
来源: 网络用户发布,如有版权联系网管删除 2018-09-24

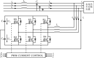
有源滤波器的主电路采用三相四线制电压型变换器,如图所示。电压型变换器直流母线上的直流电容C1和C2用作储能元件,C1和C2容值相等。开关S1,S4组成A相的半桥变换器,当桥臂开通和关断时,电感L1上的电压使ifa线性上升或下降,由此控制ifa的大小,相位和波形,从而可以控制A相的输入电流ia。这个变换器可以工作在整流状态,也可以工作在逆变状态。同样,开关S3,S6组成的B相半桥变换器和开关S5,S2组成的C相半桥变换器可以分别控制B相和C相的输入电流,它们也都可以工作在整流和逆变状态。电感L0和电容C0组成一个低通滤波器,其作用为消除变换器产生的开关纹波。
查看评论 回复








