基于LM2596-ADJ的LED开关恒流稳压电源电路原理图 - 模拟电源 -
来源: 网络用户发布,如有版权联系网管删除 2018-09-24
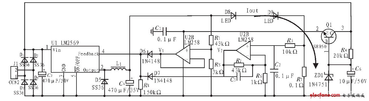
下图 所示是基于LM2596-ADJ 的LED开关恒流稳压电源。

图 基于LM2596-ADJ 的LED 开关恒流稳压电源
该电路含有电压控制环路和电流控制环路两个环路。电压控制环路由运算放大器U2A、R1、R5组成,用于控制电源的最大输出电压。
查看评论 回复
下图 所示是基于LM2596-ADJ 的LED开关恒流稳压电源。

图 基于LM2596-ADJ 的LED 开关恒流稳压电源
该电路含有电压控制环路和电流控制环路两个环路。电压控制环路由运算放大器U2A、R1、R5组成,用于控制电源的最大输出电压。