[图文]三星充电器原理与维修 - 模拟电源 -
来源: 网络用户发布,如有版权联系网管删除 2018-09-24
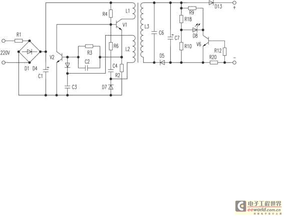
市场上CDMA蜂窝移动电话(如三星牌)一般提供专配的直接充电器,这种充电器长时间通电后很易损坏,这是一种脉宽调制型充电电路,220V交流电压经R1限流,D1~D4桥式整流,C1滤波得到300V左右的直流电压,此电压经主绕组L1给开关管V1集电极供电,经R4给V1偏置。刚加电压时V1开始导通,L1产生感生电动势,反馈绕组L2的感生电动势经反馈回路C4、R6加到开关管V1的基极,构成正反馈,从而使V1迅速进入饱和导通状态。此时V1的发射极电流很大,电阻R2上压降很大,此电压经R3加到控制管V2的基极,使其导通,V1基极电压降低,集电极电流减小,L2感生与前反向的负电压经C4、R6加到V1基极,使开关管V1迅速进入截止状态。就这样,开关管不断导通截止,变压器B次级绕组L3就可获得脉冲电压。改变R6、C4的值可改变脉冲宽度从而达到调节充电电流的目的。
不充电时,无负载,没有电流经过R20,V6截止,变色发光二极管D8不亮。当接上负载时,绕组L3的电压经D13、D15整流,C7滤波给负载供电,R20产生左负右正的电压,使V6导通,发光管D8导通发红光,指示开始充电,随着充电的进行,充电电流越来越小,当充满电时,流过R20的电流变小,其上压降变小,V6导通程度降低,流过D8电流变小,发绿光,表示充满电。
其常见故障为开关管因功率过载而损坏和限流电阻R1损坏。
查看评论 回复








