应用SMR60000系列设计彩色电视机开关电源 - 模拟电源 -
摘要:介绍SAMSUNG公司的电源混合ICSMR60000/62000A的原理和应用。作为实例,详细介绍了利用该类型IC设计制作14″~21″以及25″~29″两个系列的彩电用开关电源。关键词:彩色电视机;开关电源;混合功率模块OnDesignofColorTVSwitchModePowerSupplyUsedSMR60000Series

图1开关电源等效电路

图2开关电源框图
1引言
SAMSUNG电源ICSMR60000/62000A是一个内含功率MOSFET(6A/700V和12A/700V)的开关电源混合模块。它们分别适用于输入功率为65~120W以及120~150W两个档次的彩电用开关电源。
SMR60000系列具有第二代开关电源IC的共同特点,即次级采样和光耦控制;准谐振工作方式;高的AC/DC转换效率;宽阔的输入电压范围和良好的稳压特性;有多种电路保护以及成本较低等。其性能价格比较为符合我国市场需求,因此近年来国内已有一些厂家采用。 本文在扼要介绍该IC工作原理的基础上,着重介绍如何应用它去设计制作14″~21″以及25″~29″二款电视机电源。给出了火牛的设计以及满意的实验结果。2SMR60000系列的等效电路及方框图
图1示出该IC的等效电路,图2示出了以它为核心的开关电源方框图。这是一个变压器耦合的反激型AC/DC变换器,其开关频率在70-120kHz之间。稳压过程是由次级输出中采样,经过一个三端可调节的稳压ICNJM431,与预定的基准电压作比较得出误差信号送入光耦,再经光耦以电流控制方式传至SMR60000/62000A的控制输入端,用以改变开关的
ton,toff,从而达到稳定输出电压的目的。
该电源除含主ICSMR60000/62000A及取样稳压电路以外,还含有启动电路,过流保护电路,准谐振电路,Standby控制电路,过压和欠压保护电路等单元。
3单元电路简述
3?1启动电路
启动电路由图3中的R1、R2、R3和DZ1组成,它的作用是在开机时提供一定的DC偏置给MOSFET栅极,使其能正常起振。因为MOSFET是电压驱动器件。如果有过量的电流和电压加入栅极,这将会引起MOSFET漏极和源极之间击穿。因此使用稳压二极管DZ1(6.5~7.5V)用以防止偏置过大而造成MOSFET损坏。
图3启动电路
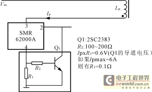
3?2过流保护电路
过流保护电路如图4所示。因为MOSFET的源极电流从脚4流出,在R1上有一电压降。V4≈IpR1,如果初级电流Ip过大,使V4达到晶体管Q1的基极导通电压0.6V,则Q1由截止转为导通。旁路了MOSFET的栅极,使电路停振,保护了MOSFET。
由于该IC具有“输出功率限定”功能,这使高压输入端(AC264V)的Ip并不是最大的,最大峰值Ip通常发生在AC输入电压最低(90V)的时候,所以设计R1时,应取AC90V输入时对应的Ipmax作为限流起始点计算。

图4过流保护电路
3?3输出功率限定电路
图5输出功率限定电路
图6输出功率限定电路(局部)
输出功率限定电路如图5、图6所示。
该IC的脚1起着输出功率限定的作用。即当Vin升高时,Vp′会升高,直到使C1上充电电压VBE令Q2导通,从而使MOSFET截止。限制了Ip也就是限制了输出功率在高压端的进一步提高。
3?4稳压反馈电路

图7稳压反馈电路
稳压反馈电路如图7所示。
该IC的脚5被用作反馈电压输入脚,由光耦合器和三端可变稳压器NJM431完成稳压过程。当流过R1上的电流为恒定时,输出电压就保持恒定。
3?5准谐振运用
如图8所示,准谐振工作方式是由输入脚2的延迟电路和脚3的吸收电路组成的。其波形见图9。由于延时的引入,使MOSFET在VDS的最低处才导通。这样可减少开关电应力和噪声。同时可得到高的效率。
3?6Standby控制电路 如图10所示,当TV在正常接收图象时,一个0V低电平通过R6进入Q2基极,使得Q2截止,Q3导通,Q3的E极经过120Ω电阻提供一个6.3V电压至下一级作为行频起振的VCC之用。与此同时Q1和ZD1截

图8准谐振电路

图9准谐振波形

图10待机控制电路
止。当一个5V高电平Standby控制信号经R6进入时,Q2导通,Q3截止,Q1和ZD1也导通,这使NJM431的VREF升高,输出电压V01、V02、V03下降,此时由于Q1的导通,V03改为由V02通过Q1,R1供电。以保证V03仍然为8V左右,以提供给微处理器正常的工作电压(5V)。

图11欠压保护电路
3?7过压保护电路
过压保护电路是由图10中的ZD1、D1和R12组成的。当V03升高到大于9.1V时,ZD1(8?2V稳压二极管)和D1导通,使NJM431的参考电压VREF上升,光耦晶体管的输出内阻下降,引起输入到脚5的反馈电流升高,ton减小,从而使V01、V02和V03全数下降。
3?8欠压保护电路
如图11所示,当输入交流电压VIN下降到86V时,ZD1和Q1导通,在IC中的MOSFET转为截止。当VIN回升到AC86V以上时,电源自动恢复工作。
4两个设计实例
4?1A620MN3机型(20″)的开关电源及变压器 BCK3904WH设计(例1)
图12给出该机电源原理图。它采用SUMSUNGICSMR60000作为其核心器件。在电路确定之后,变压器设计就是主要工作,下面给出对它的设计步骤。

1)第一步确定开关电源的电气规格
输入电压VIN=AC90~264V
输入频率50Hz/60Hz
输出1VO1=110VIO1=0.6A(用于行包及高压部分供电)
输出2VO2=21.5VIO2=0.7A(用于伴音供电)
输出3VO3=8VIO3=0.3A(用于微处理器供电)
2)第二步计算输出功率和输入功率
输出功率PO=PO1+PO2+PO3
=110×0.6+21.5×0.7+8×0.3
≈83.5W
假定效率η=85%(一般可做到) 故输入功率PI=PO/η=98.2W
3)第三步确定占空比和开关频率范围
根据实践经验,开关电源应以工作于不连续方式为设计基础,现假定最大占空比Dmax=0.5及fL=41kHz是合理的。至于最高开关频率取决于负荷,输入电流、电压等因素。一般fH≤120~150kHz即可接受。
4)第四步计算已整流的输入电压Vin对VIN=AC90VVinmin=90××0.95≈120.9V对VIN=AC264VVinmax=264××0.95
≈354.6V
应用SMR60000系列设计彩色电视机开关电源

图12用于A620MN3机型的电源原理图
式中系数0.95是考虑了整流二极管、滤波器及线路等的压降。
5)第五步计算初级电流峰值I1P和初级电感L1I1P===2.76AL1===534μH
取L1=530μH
6)第六步磁芯材料的选择选由Mn?Zn功率铁氧体材料PC30做成的磁芯ECR42,其Se=1.94cm2,可允许POmax==94.1W,对计算的PO=83.5W是足够的。
7)第七步计算初级绕组圈数N1==×104=×104==45.7匝取45匝
式中:Se为磁芯截面积(cm2);
Bs为在100℃时的最大饱和磁通密度,Bs=0.39T;
Br为在100℃时剩磁,Br=0.06T。
并设置磁隙为1mm左右,以防止在开机时因瞬态脉冲电流过大所引起的磁芯饱和。
8)第八步计算各次级输出及驱动绕组匣数NO3=×N1=×45=40.9匝取40匝
下面以NO1为标准计算NO2,NO3NO2=×NO1=7.8匝取8匝NO3=×NO1=2.9匝取3匝
因为MOSFET的门极驱动电压最大承受范围为±20V。为了能够有足够驱动电压,同时又不致于超过承受范围。假定驱动绕组ND的输出为±8V。则有ND≈×NO1=×45=2.98匝取ND=3匝
9)第九步定出BCK?3904WH火牛的电气规格
基于上述的计算,最后我们得出了该火牛设计数据如图13所示。
4?2K9625ABNT5机型(25″)开关电源及其变压器
BCK?4003WH的设计(例2)
图14给出该电源的整体电路。由于现在采用了SMR62000A,它允许有更大的漏极DC电流(达12A),

图14用于K9625ABNT5机型的电源原理图
(a)BCK?3904WH电气结构
(b)绕组排列(c)骨架底视图
图13BCK?3904WH电气参数及结构图
应用SMR60000系列设计彩色电视机开关电源
可提供更大的功率输出。使此电源能工作在25″~29″彩色电视机中。下面给出对该火牛的设计步骤。
1)第一步确定开关电源的电气规格
输入电压VIN=AC90~264V
输入频率50Hz/60Hz
输出1VO1=145VIO1=0.7A
输出2VO2=25VIO2=1.0A
输出3VO3=8VIO3=0.3A
2)第二步计算输出功率和输入功率
输出功率PO=PO1+PO2+PO3
=145×0.7+25×1.0+8×0.3≈129W
假定效率η=85%(一般可做到)
故输入功率PI=PO/η=151.6W
3)第三步确定占空比Dmax和最低开关频率fL范围
Dmax=0.5及fL=41kHz
4)第四步计算已整流的输入电压Vin
对低压端VIN=AC90VVinmin=90××0.95≈120.9V
对高压端VIN=AC264VVinmax=264××0.95≈354.6V
5)第五步计算初级电流峰值I1P和初级电感L1I1P===4.27AL1===346μH
考虑29″机以后会多带伴音Woofer15W的功率。I1P会有所提高,故取L1=300μH
6)第六步磁芯材料的选择选磁芯ECR53(由PC30材料做成的),其磁芯截面面积Se=2.54cm2,窗口面积S=1.60cm2,该磁芯可允许最大输出功率POmax===161.3W,对计算的PO=129W是足够的。
7)第七步计算初极绕组圈数N1N1=×104=×104
()
POWERSUPPLYTECHNOLOGIESANDAPPLICATIONS
==30.6匝取32匝
8)第八步计算各次级输出及驱动绕组匣数NO1=×N1=×32=38.4匝取38匝
下面以NO1=38匝为基准求NO2、NO3:NO2=×NO1=6.5匝取NO2=6匝。NO3=×NO1=2.1匝取NO3=2匝
求驱动绕组ND:ND=×N1=2.1匝取ND=2匝
9)第九步定出BCK?4003WH火牛的电气规格
基于上述的计算,最后我们得出了该火牛设计数据如图15所示。
5测试结果
5?1开关电源例1的测试结果

1)测试条件
主电源230V50Hz
负荷AKA120″彩色电视机
输入功耗71W(在最大亮度,最大音量时)
2)实际波形vDS和is(源极电流)的实际波形如图16所示。其随输入电压VIN变化的测量结果列于表1。
3)输入电压调整率从表1可看出,当输入交流电压由90V变到264V时其输出电压VO1最大只有0.3V的变化。
4)负载变化调整率在原有20″彩色电视机负荷的基础上再并联一个额外的40W灯泡于V01端口上,使其输出电流增加0.33A,发现VO1只下降0.9V,符合其厂家规定的±1V的要求。
表1SMR60000的稳态开关特性(测量值)VIN/VVDS/VIs/Aton/μstoff/μsf/kHzVO1/V
903342.4013.012.439.4111.1
1604222.036.211.058.1110.7
2305191.973.910.868110.7
2645631.813.210.771.8110.8
5)STANDBY输入功耗
PIN(S.B.)=7W(在VIN=230V时)。
6)AC/DC转换效率η=85%
5?2开关电源例2的测试结果
输入电压VIN90~264V
输出电压VO1145V
输入电压调整率当VIN=90~264V时,VO1=145V±0.2V
负载变化调整率当IO1=0.3A~0.6A时,VO1=145V±0.3V
STANDBY输入功耗PIN(S.B.)=7W
效率η=85%
开关频率范围40kHz~120kHz
S.B.频率6.7kHz(间歇振荡)
6结语
利用SAMSUNG电源ICSMR60000/62000A初步成功设计和制成了两种实用型的彩电用开关电源。包括图像质量,安全试验和EMC测试等实验结果都比较满意。性能价格比较高。但为满足市场现时对输入电流的低谐波失真要求,该电源还需要加入PFC电路。
查看评论 回复








