您现在的位置: 主页 > 电源 > 电源资讯 > LM723组成的可调稳压电源电路 - 模拟电源 -
本文所属标签:
为本文创立个标签吧:

LM723组成的可调稳压电源电路 - 模拟电源 -

来源: 网络用户发布,如有版权联系网管删除 2018-09-24 

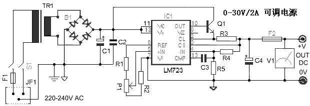
LM723组成的可调稳压电源电路

此电路用一片电压调压专用电路LM723为核心,调节P1可实现输出电压从0-30V连续可调,Q1为电流驱动扩展用(需用散热器)。R3供保护电路用的取样电阻。该电路简单可靠、其稳压性能指标也非常不错。电路器件参数见附表。



              查看评论 回复



嵌入式交流网主页 > 电源 > 电源资讯 > LM723组成的可调稳压电源电路 - 模拟电源 -
 

"LM723组成的可调稳压电源电路 - 模拟电源 -"的相关文章

网站地图

围观()