有限流功能的简易可调稳压电源 - 模拟电源 -
来源: 网络用户发布,如有版权联系网管删除 2018-09-24
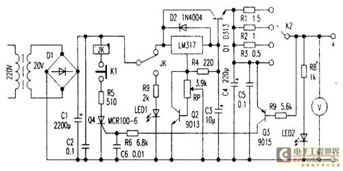
这一款可调稳压电源最大输出电压约为20V,最大输出电流可达2A,没有200mA、300mA、600mA三个限流挡
位和一个直通挡位,具有输出指示和过流限制指示,使用方便,能满足一般检修的需要。
该电源由三端可调稳压集成电路LM317为核心构成,电路如图所示。由于LM317最大输出电流为1.5A,且当
输入与输出端压差过大时功耗增大,故采用Q1大功率三极管来扩展输出电流。RP为线绕电位器,可精确调整输出电压的大小,Q1是为避免因RP触点接触不良时,导致输出电压高于设定电压而设置,—般情况下Q2截止,一旦RP触点开路,则Q2通过RP提供的偏置电压而导通,使调整端电压下降,从而使输出电压变低。R1、R2、R3、Q3及K2组成电流范围检测电路,当负载电流在电阻R1或R2或R3上产生的压降达 到0.3v时,Q3 导通,使Q4触发导通,JK吸合,输出被切断,LED2熄灭,LEDl变亮,指示此时为过流限制状态。按动K1即,既恢复正常输出状态,可控控硅G极的C6起抗干扰作用,可减少可控硅的误触发。LED2除作工作状态指示外,还是该电源空载时的负载,使输出电压在有负载与空载时相差不大。电路中的电压表可用万用表代替。
该电源的元件型号及数值已在图中标出,组装后无须调试即可使用。需注意的是Q1应选大功率三极管并加装散热片。整流桥D1应大于3A。LEDl和LED2和不同颜色的发光二极管。R1、R2、R3的阻值可根据自己需要确定,转换开关K2应接触良好,否则会影响使用。

查看评论 回复









