您现在的位置: 主页 > 电子技术 > 数模电路应用 > 加稳压二极管并联稳压电路 - 数模混合 -
本文所属标签:
为本文创立个标签吧:

加稳压二极管并联稳压电路 - 数模混合 -

来源: 网络用户发布,如有版权联系网管删除 2018-09-30 

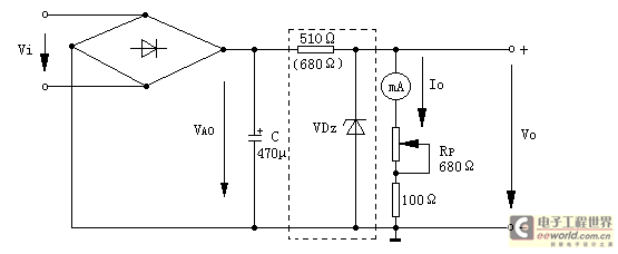
稳压二极管并联稳压电路

上述电路不动,在电容后面加稳压二极管电路(510Ω、VDz),按图1-4接线。 
5 图1-4
当接通交流14V电源后,调整Rp使输出电流分别为10mA、15mA、20mA时,测出VAO、VO,并用示波器的DC档观测波形,记入表1-3中。



              查看评论 回复



嵌入式交流网主页 > 电子技术 > 数模电路应用 > 加稳压二极管并联稳压电路 - 数模混合 -
 

"加稳压二极管并联稳压电路 - 数模混合 -"的相关文章

网站地图

围观()