1、引言
近年来,随着微波毫米波技术的飞速发展,对宽带微波毫米波测试仪器的提出了更高的要求,频谱分析仪、噪声系数分析仪等接收机类仪器的工作频率已经拓展到40GHz,本文介绍了一种可以作为前端预选器用于宽带接收机的非YIG(Yttrium-Iron-Garnet)铁氧体磁调带通滤波混频组件。
传统测量接收机中,将磁调滤波器、混频器分开单独设计,成为两个独立的微波部件。磁调滤波器与混频器之间通过电缆或适配器连接,滤波器的失配(典型情况下电压驻波比为2.5)同混频器的失配(典型情况下电压驻波比为3)的相互作用,能引起频率响应变坏约2.5dB,甚至更差。为了将这种相互作用减至最小,传统的做法是将一个6dB匹配衰减器接在滤波器与混频器之间,显然这是以牺牲整机灵敏度为代价的。利用微波混合集成技术将磁调滤波器和谐波混频器集成为一个组件,使得滤波器与混频器之间的电长度远小于波长,在不牺牲整机灵敏度的基础上减小失配造成的频响恶化;同时巧妙地利用铁氧体磁调滤波器的双耦合环结构实现射频巴伦,采用双平衡谐波混频可以有效地抑制不需要的混频产物,并拓展工作带宽,提高动态范围。
2、滤波器耦合谐振腔的仿真设计
为了设计实现工作频率为26~40GHz的滤波混频组件,首先必须保证磁调滤波器耦合谐振腔的自谐振频率远高于工作频率的上限。在设计允许的条件下,尽量减小耦合谐振腔和铁氧体谐振子的物理尺寸是提高耦合谐振腔自谐振频率的最直接的方法[1,2]。但是,如果过分地减小耦合谐振腔的尺寸,不仅给设计和加工带来非常大的难度,而且会因为耦合环距离腔体壁过近,激发高次模,带来寄生响应。
下面将介绍一种利用Ansoft公司HFSS(High Frequency Structure Simulator)高频仿真软件对耦合谐振腔进行仿真计算,确定其自谐振频率的方法。
首先根据设计经验,在HFSS软件中绘制滤波器耦合谐振腔的模型,如图1所示。仿真模型中并没有放入铁氧体谐振子的模型,这是因为加入该模型后仿真计算量会非常大,一般的计算机根本无法进行下去。因此仿真结果与实际的测试会存在一定的偏差,如何修正这个偏差是设计时需要着重考虑的问题。经过多次仿真计算和加工试验测试,对比仿真结果和实测曲线,总结了这样一个经验:软件仿真耦合谐振腔的物理尺寸乘以一个0.8~0.9左右的系数后,再进行加工装配测试,测试结果与仿真结果基本一致。

图1 耦合谐振腔的模型

图2 耦合谐振腔仿真曲线

图3 滤波混频组件失谐隔离测试曲线
图2是耦合谐振腔的仿真曲线,图3是仿真尺寸乘以0.88的系数后设计加工的滤波混频组件失谐隔离的实测曲线,两个曲线基本一致;实测曲线因为集成了混频器,其幅度偏低20dB左右。
3、磁调带通滤波混频组件的设计
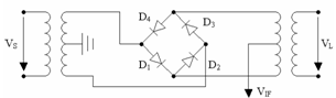
图4是双平衡混频器的电路原理图,其中本振信号的作用相当于开关,它交替地在正、负半周内使信号经过不同的两个二极管与输出电路连通,相当于两个单平衡混频器交替工作。

图4 双平衡混频器原理图
双平衡混频器设计的关键在于4只混频二极管的特性一致,而且两边的不平衡—平衡变换器也相当平衡,这样就可以使二极管电桥的输入输出端完全隔离,射频端口和本振端口就完全隔离了。实际上由于二极管的寄生参量及不平衡—平衡变换器不可能作到理想的平衡、对称,所以混频器各个端口之间的隔离度必为有限值。
本文磁调带通滤波混频组件的设计中采用集成的二极管管堆来保证二极管电桥的平衡性,因此设计的重点和难点是宽带射频不平衡—平衡变换器的设计。一个有趣的现象是,从铁氧体谐振子两边分别耦合出来的信号相位相差180度,这样就可以利用铁氧体谐振子来构成宽带射频不平衡—平衡变换器[3],具体设计电路如图5所示。因为集成了磁调带通滤波器,本振到射频的端口隔离可以增加70dB以上。

图5 磁调带通滤波混频组件电路图

图6 磁调带通滤波混频组件剖面图
磁调带通滤波混频组件整体示意图如图6所示,磁路设计上尽量减小磁极间隙,并采用高饱和磁化强度的铁磁合金,实现了线性调谐至40GHz[4]。谐振子的选择上采用LAF(Lithium-Aluminum-Ferrite)小球替代传统的YIG小球,将滤波器通带带宽由几十兆赫兹提高到150兆赫兹以上。
4、测试结果
磁调带通滤波混频组件不同频率点的通带响应曲线如图7所示,26GHz处通带带宽约为160MHz,40GHz处通带带宽达到了300MHz以上。

图7 不同频率点的通带曲线

图8 变频损耗测试曲线
图8是滤波混频组件的变频损耗响应曲线,整个工作频带内没有过大的起伏,频率高端变频损耗变大是由于本振巴伦高端性能恶化引起的。滤波混频组件的失谐隔离测试曲线参见图3,达到60dB以上。
5、结论
本文介绍了一种利用HFSS仿真软件对磁调带通滤波器耦合谐振腔进行仿真计算的方法,采用此方法可以减少反复设计加工验证的次数,缩短设计周期,节约成本。描述了一种新颖的非YIG磁调带通滤波混频组件的设计过程,给出了测试结果,该组件及其延伸产品已经成功地应用在宽带微波毫米波测试仪器中。
查看评论 回复
嵌入式交流网主页 >
模拟电子 > 26~40GHz磁调带通滤波混频组件研究-模拟电子-