DSP FPGA在高速高精运动控制器 - FPGA/ASIC技术 -
摘 要 :数字信号处理器具有高效的数值运算能力,并能提供良好的开发环境,而可编程逻辑器件具有高度灵活的可配置性。本文描述了通过采用TMS320C32浮点DSP和可编程逻辑器件(FPGA)的组合运用来构成高速高精运动控制器, 该系统通过B样条插值算法对运动曲线进行平滑处理以及运用离散PID算法对运动过程加以控制。
关键词 :运动控制; DSP; FPGA; B样条插值; PID
运动控制卡已经在数控机床、工业机器人、医用设备、绘图仪、IC电路制造设备、IC封装等领域得到了广泛运用,取得了良好的效果。目前运动控制卡大部分采用8051系列的8位单片机,虽然节省了开发周期但缺乏灵活性,难以胜任高要求运作环境,而且运算能力有限。
--- DSP的数据运算处理功能强大,即使在很复杂的控制中,采样周期也可以取得很小,控制效果更接近于连续系统。把DSP与PC的各自优势结合将是高性能数控系统的发展趋势。本运动控制器采用TI公司的高性能浮点DSP作为主控芯片,通过ISA接口与PC协调并进行数据交换,以PC计算机作为基本平台,以DSP高速运动控制卡作细插补、伺服控制的核心,对直线电机的运动进行控制,取得了良好的实际应用效果。
1 高速高精运动控制卡的主要硬件构成
--- 本运动控制系统的任务是控制直线电机的运动,要求4轴输入和4轴输出,采用光栅尺对输入计数,16位并行高速DA输出,运动定位精度要求达到10nm,响应时间<100ns。
--- 高速直线电机是本系统的控制对象,它具有加速快(a>10g),运动速度高(v>300mm/s)的特点。要求控制系统有足够短的响应时间(<100ns)和足够高的定位精度(10nm级),因而系统的核心CPU的处理能力及运算能力必须满足高速要求;此外,直线电机运动定位的核心是高精度的反馈控制装置。直线电机的反馈控制装置是光栅尺和高精度脉冲计数器,光栅尺发出与运动距离成线性关系的脉冲数,脉冲计数器的计数值表示直线电机当前的运动位置。经计算,计数长度为28位的计数器才能满足定位的精度要求,同时计数频率很高。一般的通用计数器参数无法达到,所以设计一个特殊计数器是必要的。为了方便设置目标点的运动参数,使运动控制卡具有比较好的人机交互功能,系统必须具有与PC机通信的功能。
--- 综合考虑上述要求,系统的设计采用DSP+FPGA的形式,由DSP主控芯片作为中央处理模块,FPGA作为反馈计数模块且负责板上的部分逻辑译码工作,PC通信接口模块采用双口RAM,输出模块用D/A转换器实现,如图1所示。

1.1 DSP模块
--- 基于DSP的运动控制系统一般采用TI公司的TMS320C24x系列芯片,但24x系列是16位定点处理器,运算能力有限。不能满足本系统规划的高速高精要求,为此,我们选用了TI公司的TMS320C32 DSP作为主控芯片。
--- TMS320C3X系列芯片是美国TI公司推出的第一代浮点DSP芯片,具有丰富的指令集、很高的运算速度、较大的寻址空间和较高的性价比,在各领域得到了广泛的应用。TMS320C32是TMS320系列浮点数字信号处理器的新产品,在TMS320C30和TMS320C31的基础上进行了简化和改进。在结构上的改进主要包括可变宽度的存储器接口、更快速的指令周期时间、可设置优先级的双通道DMA处理器、灵活的引导程序装入方式、可重新定位的中断向量表以及可选的边缘/电平触发中断方式等。
--- 对TMS320C32的开发可以用汇编语言,也可以用C语言。使用汇编语言的优点在于运行速度快、可以充分利用芯片的硬件特性,但开发速度较慢,程序的可读性差;而C语言的优势在于编程容易、调试快速、可读性好,可以大大缩短开发周期,但C语言对于其片内的没有映射地址的特殊功能寄存器不能操作,如IF和IE,AR0~AR7等。
1.2 FPGA模块
--- 该部分主要功能为一个4通道的针对光栅尺的脉冲计数器,此外,还承担部分地址译码的工作。但由于脉冲计数频率高,计数量大,所以必须选择高容量、高性能的可编程逻辑器件。
--- ALTERA FLEX(Flexible Logic Element Matrix)10K 系列FPGA,规模从一万门到十万门,可提供720~5392个触发器及6144~24576位RAM,提供30ns、40ns及50ns等几个速率等级,可适应18~105MHz的信号处理速率。ALTERA FLEX10K系列FPGA主要由输入输出单元IOE、掩埋阵列EAB、逻辑阵列LAB及内部连线组成。EAB是在输入和输出端口加有寄存器的RAM块,其容量可灵活变化。所以,EAB不仅可以用于存储器,还可以事先写入查表值来用它构成如乘法器、纠错逻辑等电路。当用于RAM时,EAB可配制成多种形式的字宽和容量。
--- LAB主要用于逻辑电路设计,一个LAB包括8个逻辑单元LE,每一个LAB提供4个控制信号及其反相信号,其中两个可用于时钟信号。每一个LE包括组合逻辑及一个可编程触发器。触发器可被配成D,T,JK,RS等各种形式。IOE提供全局的时钟及清零信号输入端口,还提供具有可编程性的各种输入输出端口,如低噪声端口、高速端口等。
--- FLEX10K系列芯片是ALTERA公司新近推出的PLD产品。与ALTERA公司先前推出的MAX7000系列EPLD相比,FLEX10K(以下简称10K)系列具有更加丰富的内部资源(最多可达10万门),更加充裕的可配置的I/O管脚(最多达406条)。再加上其低廉的价格,使得10K系列芯片受到越来越多用户的欢迎。
--- 基于以上原因,我们在本方案中采用ALTERA FLEX10K10,并且考虑到以后设计的连续性,我们可以无需更改硬件电路,就可以更换性能更高的、相同尺寸、相同管脚配置的ALTERA FLEX10K20。
1.3 PC通信接口模块
--- 该模块选用16位的ISA总线与PC相连,CY7C133双口RAM用作数据缓冲。
--- ISA总线的使用十分灵活、方便,而且I/O操作比较简单。虽然ISA总线的引脚多但并不是都要用到的,关键是几个固定引脚的应用,例如:I/O CH RDY、I/OR、I/OW、ALE、数据线和地址线,结合起来实现通信。

--- 在本系统中,双口RAM的 PC端地址线并没有直接采用ISA过来的地址线,而是由FPGA内部地址计数器给定。这是因为,ISA总线上大部分地址都已经被PC系统分配好,直接把2K的双口RAM数据空间映射到ISA总线上并不现实;而且控制系统与PC交换的数据基本上是一系列加工点的坐标参数,采用顺序访问对性能没有影响。因此采用地址计数器方式的顺序访问,完全能够达到设计的要求。
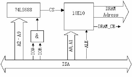
--- 具体做法是:ISA地址线的A2~A9接到地址比较器74LS688,与设定好的地址作比较,74LS688的片选信号由ISA的IOR和IOW的“与”提供(IOR和IOW在ISA总线访问端口时低有效),A0,A1接到FPGA,用于选择FPGA内部4个功能不同的寄存器。ISA的ALE用于触发FPGA 内部逻辑功能,锁存ISA总线过来的信号,如图2所示。
--- 当访问地址清零寄存器时,地址计数值清零;当访问地址增加寄存器时,地址计数值增加“1”。如此类推,访问不同的寄存器就对地址计数值完成不同的操作,把地址计数值直接作为地址送给双口RAM,就可以实现ISA总线访问双口RAM了。
1.4 输出模块
--- 输出模块采用模拟输出,经外部放大驱动电机的方案。D/A转换芯片选择DAC7744。
--- DAC7744是高性能的4通道16位高速D/A,主要特点如下:
● 输出通道:独立4 路
● 输出信号范围:0~5V;0~10V;±5V;±10V
● 输出阻抗:≤2Ω
● D/A转换器件:DAC7744
● D/A转换分辨率:16位
● D/A转换码制:二进制原码(单极性) 二进制偏移码(双极性)
● D/A转换时间:≤1μs
● D/A转换综合误差:≤0.02% FSR
● 电压输出方式负载能力:5mA/路
1.5 存储模块

--- 存储模块用于存储系统程序和数据,主要由SRAM(2片CY7C1021)和FLASH(AM29F400B)组成。外围存储电路如图3所示。
2 软件设计
--- 该运动控制卡应用时插在工控机的ISA槽上,与上位机配合工作。首先在上位NC机输入加工曲线,由上位机做粗插补,然后把数据通过ISA接口传递给控制卡。控制卡对接收到的数据再做细插补——采用三次B样条插值,然后发送给DA,驱动电机运动。DSP通过FPGA进行脉冲计数,读出直线电机光栅尺的反馈信息,然后采用离散PID控制算法调整,以便于电机运动控制的最优化。
--- 运动控制算法的核心是先用B样条插值法把目标点进一步细化,使运动曲线更平滑,然后在运动过程中采用PID算法进行调整,最终达到高速高精的设计要求,图3给出了系统软件流程图。
2.1 B样条插值

--- 目前许多先进的CAD/CAM系统都采用了B样条曲线。其特点是,可用统一的数学形式精确表示分析曲线(如直线,圆锥曲线等)和自由曲线(如均匀B样条曲线等),因而便于用统一的数据库管理、存储,程序量可以大大减少;非均匀B样条曲线定义中的权因子使外形设计更加灵活方便,设计人员通过调整具有直观几何意义的点、线、面元素即可达到预期的效果。
--- 本系统采用三次B样条曲线作为精插补算法,该算法应用在控制卡中可以得到比较满意的效果。计算过程中只需要相邻4个点的位置数据,(x0,y0),(x1,y1),(x2,y2),(x3,y3),就可以构造出平滑的曲线。
--- 公式以坐标分量形式表示为:
(0≤t≤1)
2.2 PID控制
--- 在控制领域中,PID控制算法是一种常用的算法,PID是比例、积分、微分的缩写。PID的合理的参数估计、比较,可以通过MATLAB的传递函数模型仿真来得到。
--- 由于该系统是数字系统,采用的都是数字量,所以必须把PID算法离散化才能使用。又由于系统的存储空间有限,算法的存储空间开销不能太大,所以采用了离散化的增量式PID算法。该算法在运算过程中只需要保留最近3次的误差数据,就能够推导出下一次的输出量,节省了大量的数据空间,提高了运算速度,有很强实用价值。
公式如下:
--- μ( k ),μ( k-1 )分别是k和k-1时刻的输出量,在系统中体现为DA的输出量。
--- e( k ),e( k-1 ),e( k-2 )分别是k,k-1,k-2 时刻的偏差值,在系统中体现为该时刻实际位置与目标位置的偏差。
--- T,Td,Ti,Kp是PID公式的常量,不同的数值代表着PID系统的微分、积分、比例调节作用的强度和效果。
3 小结
--- 在开放式数控系统中应用基于DSP+FPGA的运动控制卡,DSP承担了CNC系统中实时性要求较高的模块功能。利用DSP高速运算能力和实时信号处理能力,采用先进的Bspline插补算法,使该DSP运动控制卡具有高速、高精度的性能,结合FPGA芯片的先进技术,使该运动控制卡的集成性、可靠性大大提高。本运动控制卡目前是基于ISA总线设计的,今后将考虑把该系统移植到PCI总线上,将能进一步提高系统的处理速度能力,适应更高要求。
参考文献
1 TMS320C3x User's Guide, Texas Instruments, 2001
2 TMS320C3x General-Purpose Applications, Texas Instruments, 2001
3 孙家广. 计算机图形学. 清华大学出版社
4 解旭辉. 超精机床数控系统与伺服控制技术研究[D]. 长沙:国防科技大学, 1997
5 来晓岚, 赵佳明, 卢焕章. DSP+FPGA实时信号处理系统, 电子技术应用, 2002.7
6 胡育文, 陈宏, 顾毅康. 基于DSP的电机控制器设计中的几个问题. 中国自动化学会 ,1999.10
7 潘日红, 潘日晶. 周期B样条曲线的快速递推升阶方法. 福建师范大学学报(自然科学版), 2001.4
8 刘金琨. 先进PID控制及其MATLAB仿真. 电子工业出版社, 2003
作者简介
朱显新(1977-),男,湖北人,硕士研究生,主要研究方向:嵌入式系统应用
黄涛(1968-),男,湖北人,副教授,主要研究方向:嵌入式系统应用
邓启辉(1979-),男,广东人,硕士研究生,主要研究方向:信号处理
卢珞先(1962-),女,湖北人,副教授,主要研究方向:信号处理
查看评论 回复









